电脑桌面
添加小米粒文库到电脑桌面
安装后可以在桌面快捷访问

数电试验二门电路特性参数测试VIP免费

数电试验二门电路特性参数测试_第1页
1/6
数电试验二门电路特性参数测试_第2页
2/6
数电试验二门电路特性参数测试_第3页
3/6
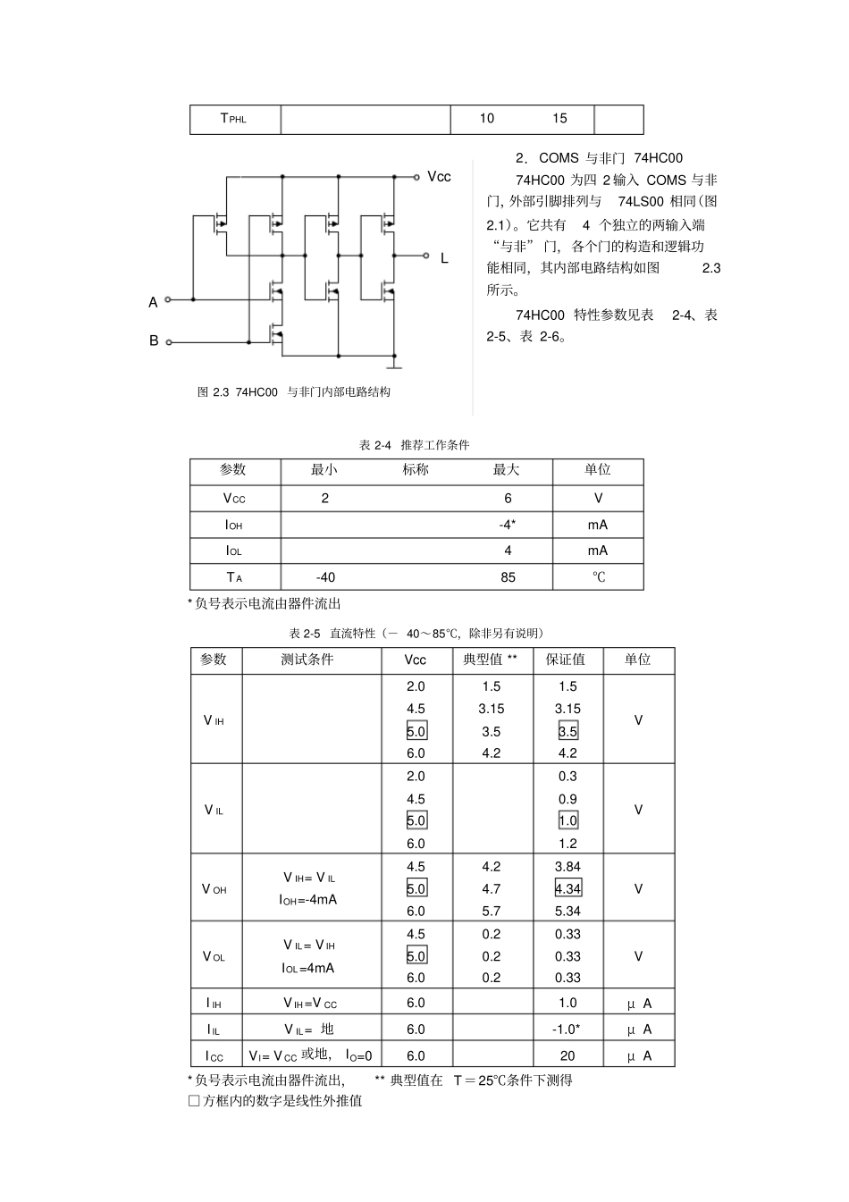
实验二门电路特性、参数测试一、实验目的1. 了解数字集成电路外形结构及外部引脚的排列规律。2. 掌握逻辑门电路主要特性、参数的测试方法。3.学习查阅器件手册。4.进一步训练实验箱及常用仪器的使用方法。二、实验资料1.TTL 与非门 74LS00 74LS00 为四个 2 输入 TTL 与非门,为双列直插14 脚塑料封装,外部引脚排列如图2.1所示。它共有4 个独立的两输入端“与非”门,各个门的构造和逻辑功能相同,其内部电路结构如图2.2 所示。1234567&&&&141312111098VCCGNDAB1.5k17k8k4k1203kR 1V CCY图 2.1 74LS00引脚排列图 2.2 74LS00 与非门内部电路结构74LS00 特性参数见表2-1、表 2-2、表 2-3。表 2-1 推荐工作条件参数最小标称最大单位VCC4.75 5 5.25 V IOH-400* μ AIOL8 mA T A0 70 ℃*负号表示电流由器件流出表 2-2 直流特性( 0~ 70℃)参数测试条件最小典型最大单位V IH2 V V IL0.8 V V OHV CC=min, V IL=max, I OH=max 2.7 3.4 V V OLV CC=min, V IH=2V, IOL=max 0.25 0.5 V I IHV CC=max, V IH=2.7V 20 μ AI ILV CC=max, V IL=0.4V -0.4* mA I CCV CC=max, 输入输出悬空2.4 4.4 mA *负号表示电流由器件流出TPHL10 15 2.COMS 与非门 74HC00 74HC00 为四 2 输入 COMS 与非门,外部引脚排列与74LS00 相同(图2.1)。它共有4 个独立的两输入端“与非” 门,各个门的构造和逻辑功能相同,其内部电路结构如图2.3 所示。74HC00 特性参数见表2-4、表2-5、表 2-6。表 2-4 推荐工作条件参数最小标称最大单位VCC2 6 V IOH-4* mA IOL4 mA T A-40 85 ℃*负号表示电流由器件流出表 2-5 直流特性(- 40~85℃,除非另有说明)参数测试条件Vcc 典型值 ** 保证值单位V IH2.0 4.5 5.0 6.0 1.5 3.15 3.5 4.2 1.5 3.15 3.5 4.2 V V IL2.0 4.5 5.0 6.0 0.3 0.9 1.0 1.2 V V OHV IH= V ILIOH=-4mA 4.5 5.0 6.0 4.2 4.7 5.7 3.84 4.34 5.34 V V OLV IL= V IHIOL=4mA 4.5 5.0 6.0 0.2 0.2 0.2 0.33 0.33 0.33 V I IHV IH=V CC6.0 1.0 μ AI ILV IL= 地6.0 -1.0* μ AI CCVI= V CC 或地, IO=0 6.0 20 μ A*负号表示电流由器件流出,** 典型值在 T=25℃条件下测得□方框内的数字是线性外推值ABLVcc图 2.3 74HC00 与非门内部电路结构表 2-6 开关特性...

1、当您付费下载文档后,您只拥有了使用权限,并不意味着购买了版权,文档只能用于自身使用,不得用于其他商业用途(如 [转卖]进行直接盈利或[编辑后售卖]进行间接盈利)。
2、本站所有内容均由合作方或网友上传,本站不对文档的完整性、权威性及其观点立场正确性做任何保证或承诺!文档内容仅供研究参考,付费前请自行鉴别。
3、如文档内容存在违规,或者侵犯商业秘密、侵犯著作权等,请点击“违规举报”。

碎片内容

数电试验二门电路特性参数测试

您可能关注的文档

确认删除?
VIP
微信客服
  • 扫码咨询
会员Q群
  • 会员专属群点击这里加入QQ群
客服邮箱
回到顶部