电脑桌面
添加小米粒文库到电脑桌面
安装后可以在桌面快捷访问

持续改善控制程序VIP免费

持续改善控制程序_第1页
1/6
持续改善控制程序_第2页
2/6
持续改善控制程序_第3页
3/6
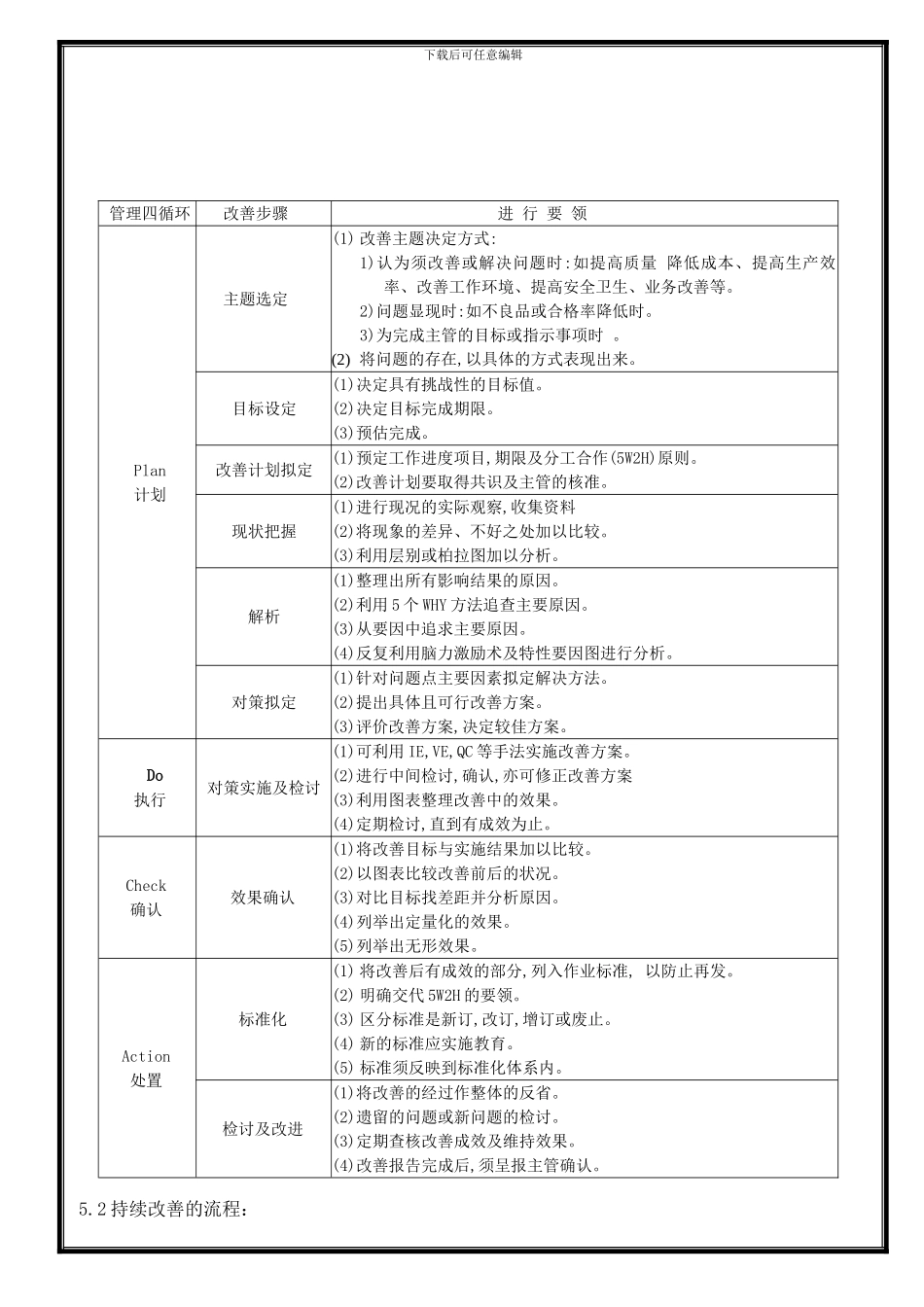
版本更改内容制订人制订日期C0首版刘瑜群2024-12-24下载后可任意编辑1. 目的及范围全面推广持续改进观念,持续地改善生产过程、效率、质量、价格、交期和服务等,以满足客户和市场的需求。适用于公司从汽车链产品订单评审、过程控制到产品出货、售后服务整个质量体系运行的持续改进活动的控制。2. 适用文件以下文件的有效版本适用QEP-04:管理评审程序QEP-06:管理体系内部稽核程序QEP-07:纠正及预防措施程序QP-08:统计技术控制程序 QP-21:SPC 应用管理程序3. 简称及定义持续改善:为将持续不断改善理念贯彻至全体员工,以提高质量、生产能力、交期、成本等管理水准,其进行方式可以项目改善活动或提案改善等方式。5W2H:(1) WHY——为什么?(为什么要这么做?理由何在?原因是什么?)(2) WHAT——是什么?(目的是什么?做什么工作?)(3) WHERE——何处?(在哪里做?从哪里入手?)(4) WHEN——何时?(什么时间完成?什么时机最适宜?)(5) WHO——谁?(由谁来承担?谁来完成?谁负责?)(6) HOW——怎样做?(怎么做?如何提高效率?如何实施?方法怎样?)(7) HOW MUCH——多少?(做到什么程度?数量如何?质量水平如何?费用产出如何?)4. 责任4.1 管理者代表:负责持续改进活动的管理和监督,组织评价持续改进措施的实施效果;4.2 APQP 小组:由相关部门负责人组成,负责较大型改进项目之改进措施的提出及实施;4.3 质量保证部:致力于持续改善产品质量;4.4 生产部:致力于提高生产能力,降低材料损耗,有责任持续降低成本;4.5 工程部:致力于改进生产工艺,提高生产效率;4.6 物控部/货运部:致力于提高订单达交率;5. 内容5.1 改善活动的实施步骤可依管理四大循环:计划(Plan)执行(Do)确认(Check)处理(Action) 下载后可任意编辑管理四循环改善步骤进 行 要 领Plan计划主题选定(1) 改善主题决定方式:1)认为须改善或解决问题时:如提高质量 降低成本、提高生产效率、改善工作环境、提高安全卫生、业务改善等。2)问题显现时:如不良品或合格率降低时。 3)为完成主管的目标或指示事项时 。(2) 将问题的存在,以具体的方式表现出来。目标设定(1)决定具有挑战性的目标值。(2)决定目标完成期限。(3)预估完成。改善计划拟定(1)预定工作进度项目,期限及分工合作(5W2H)原则。(2)改善计划要取得共识及主管的核准。 现状把握(1)进行现况的实际观察,收集资料(2)将现象的差异、不好之处...

1、当您付费下载文档后,您只拥有了使用权限,并不意味着购买了版权,文档只能用于自身使用,不得用于其他商业用途(如 [转卖]进行直接盈利或[编辑后售卖]进行间接盈利)。
2、本站所有内容均由合作方或网友上传,本站不对文档的完整性、权威性及其观点立场正确性做任何保证或承诺!文档内容仅供研究参考,付费前请自行鉴别。
3、如文档内容存在违规,或者侵犯商业秘密、侵犯著作权等,请点击“违规举报”。

碎片内容

持续改善控制程序

您可能关注的文档

确认删除?
VIP
微信客服
  • 扫码咨询
会员Q群
  • 会员专属群点击这里加入QQ群
客服邮箱
回到顶部