电脑桌面
添加小米粒文库到电脑桌面
安装后可以在桌面快捷访问

施工组织网络计划图的绘制VIP免费

施工组织网络计划图的绘制_第1页
1/25
施工组织网络计划图的绘制_第2页
2/25
施工组织网络计划图的绘制_第3页
3/25
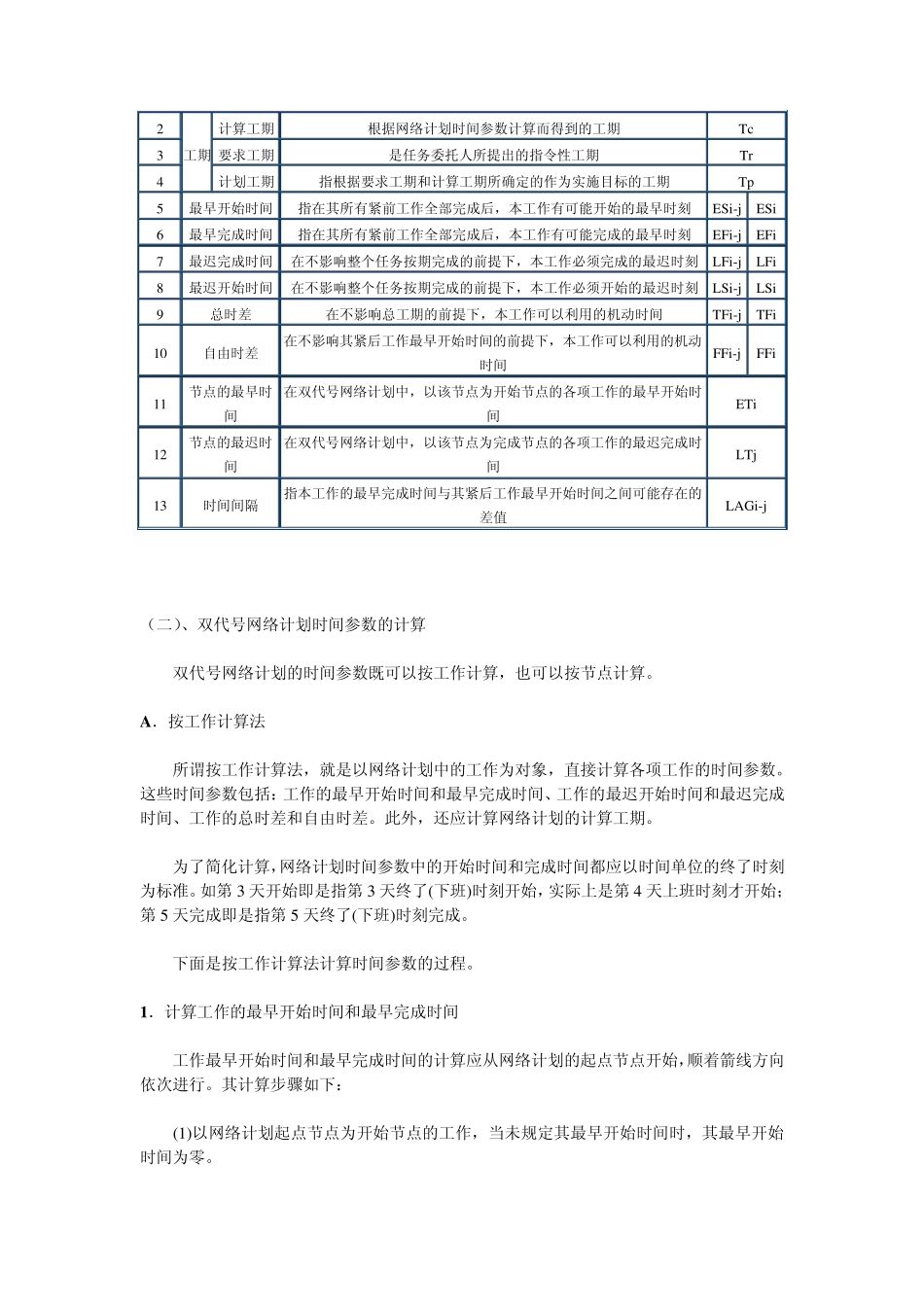
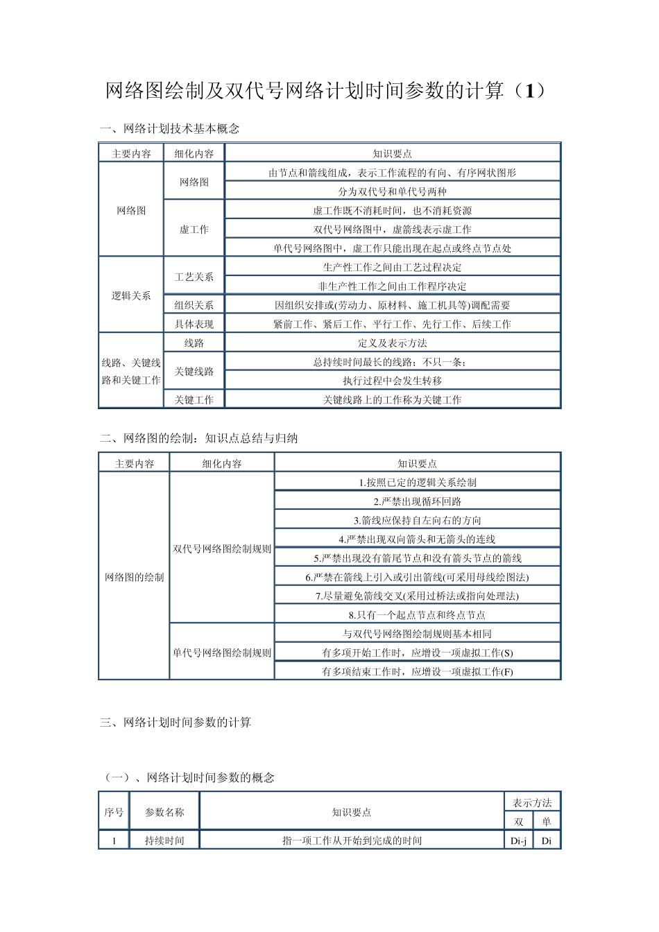
网络图绘制及双代号网络计划时间参数的计算(1) 一、网络计划技术基本概念 主要内容 细化内容 知识要点 网络图 网络图 由节点和箭线组成,表示工作流程的有向、有序网状图形 分为双代号和单代号两种 虚工作 虚工作既不消耗时间,也不消耗资源 双代号网络图中,虚箭线表示虚工作 单代号网络图中,虚工作只能出现在起点或终点节点处 逻辑关系 工艺关系 生产性工作之间由工艺过程决定 非生产性工作之间由工作程序决定 组织关系 因组织安排或(劳动力、原材料、施工机具等)调配需要 具体表现 紧前工作、紧后工作、平行工作、先行工作、后续工作 线路、关键线路和关键工作 线路 定义及表示方法 关键线路 总持续时间最长的线路;不只一条; 执行过程中会发生转移 关键工作 关键线路上的工作称为关键工作 二、网络图的绘制:知识点总结与归纳 主要内容 细化内容 知识要点 网络图的绘制 双代号网络图绘制规则 1.按照已定的逻辑关系绘制 2.严禁出现循环回路 3.箭线应保持自左向右的方向 4.严禁出现双向箭头和无箭头的连线 5.严禁出现没有箭尾节点和没有箭头节点的箭线 6.严禁在箭线上引入或引出箭线(可采用母线绘图法) 7.尽量避免箭线交叉(采用过桥法或指向处理法) 8.只有一个起点节点和终点节点 单代号网络图绘制规则 与双代号网络图绘制规则基本相同 有多项开始工作时,应增设一项虚拟工作(S) 有多项结束工作时,应增设一项虚拟工作(F) 三、网络计划时间参数的计算 (一)、网络计划时间参数的概念 序号 参数名称 知识要点 表示方法 双 单 1 持续时间 指一项工作从开始到完成的时间 Di-j Di 2 工期 计算工期 根据网络计划时间参数计算而得到的工期 Tc 3 要求工期 是任务委托人所提出的指令性工期 Tr 4 计划工期 指根据要求工期和计算工期所确定的作为实施目标的工期 Tp 5 最早开始时间 指在其所有紧前工作全部完成后,本工作有可能开始的最早时刻 ESi-j ESi 6 最早完成时间 指在其所有紧前工作全部完成后,本工作有可能完成的最早时刻 EFi-j EFi 7 最迟完成时间 在不影响整个任务按期完成的前提下,本工作必须完成的最迟时刻 LFi-j LFi 8 最迟开始时间 在不影响整个任务按期完成的前提下,本工作必须开始的最迟时刻 LSi-j LSi 9 总时差 在不影响总工期的前提下,本工作可以利用的机动时间 TFi-j TFi 10 自由时差 在不影响其紧后工作最早开始时间的...

1、当您付费下载文档后,您只拥有了使用权限,并不意味着购买了版权,文档只能用于自身使用,不得用于其他商业用途(如 [转卖]进行直接盈利或[编辑后售卖]进行间接盈利)。
2、本站所有内容均由合作方或网友上传,本站不对文档的完整性、权威性及其观点立场正确性做任何保证或承诺!文档内容仅供研究参考,付费前请自行鉴别。
3、如文档内容存在违规,或者侵犯商业秘密、侵犯著作权等,请点击“违规举报”。

碎片内容

施工组织网络计划图的绘制

您可能关注的文档

确认删除?
VIP
微信客服
  • 扫码咨询
会员Q群
  • 会员专属群点击这里加入QQ群
客服邮箱
回到顶部