电脑桌面
添加小米粒文库到电脑桌面
安装后可以在桌面快捷访问

湖南省竣工验收统一表格VIP免费

湖南省竣工验收统一表格_第1页
1/28
湖南省竣工验收统一表格_第2页
2/28
湖南省竣工验收统一表格_第3页
3/28
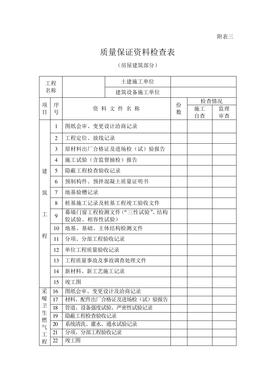
附表一 工程竣工验收申请表 工程名称 工程地址 建设单位 结构类型/层数 勘察单位 建设面积 设计单位 开工日期 监理单位 完工日期 施工单位 合同日期 竣工条件具备情况 项目内容 施工单位自检情况 完成工程设计和合同约定的情况 技术档案和施工管理资料 主要建筑材料、建筑构配件和设备的进场试验报告(含监督抽检)资料 施工安全评价书 工程款支付情况 工程质量保修书 监督站责令整改问题的执行情况 已完成设计和合同约定的各项内容,工程质量符合有关法律、法规和工程建设强制性标准,特申请办理工程竣工验收手续。 项目经理: 企业技术负责人: (施工单位盖章) 法定代表人: 年 月 日 监理单位意见: 总监理工程师签名: 年 月 日 附表二 分部工程质量评定表 工程名称: 施工单位: 序号 分项工程名称 项数 其中优良项数 备 注 1 2 3 4 5 6 7 合 计 优良率 % 自 评 等 级 项目负责人: 技术负责人: 年 月 日 评 定 等 级 总监理工程师: 年 月 日 …… 附表三 质量保证资料检查表 (房屋建筑部分) 工程 名称 土建施工单位 建筑设备施工单位 项目 序 号 资 料 文 件 名 称 份 数 检查情况 施工 自查 监理 审查 建 筑 工 程 1 图纸会审、变更设计洽商记录 2 工程定位、放线记录 3 原材料出厂合格证及进场检(试)验报告 4 施工试验(含监督抽检)报告 5 隐蔽工程检查验收记录 6 预制构件、预拌混凝土质量证明书 7 地基验槽记录 8 桩基施工记录及桩基工程竣工验收文件 9 幕墙门窗工程检测文件(“三性试验”、结构胶试验、相容性试验) 1 0 地基、基础、主体结构检测文件 1 1 分项、分部工程验收记录 1 2 单位工程质量验收记录 1 3 工程质量事故及事故调查处理文件 1 4 新材料、新工艺施工记录 1 5 竣工图 采暧卫生燃气工程 1 6 图纸会审、变更设计及洽商记录 1 7 材料、配件出厂合格证及进场检(试)验报告 1 8 管道、设备强度试验、严密性试验记录 1 9 隐蔽工程检查验收记录 2 0 系统清洗、灌水、通水试验记录 2 1 分项、分部工程验收记录 2 2 竣工图 续附表三 项目 序 号 资 料 文 件 名 称 份 数 检查情况 施工 自查 监理 审查 电气安装工程 2 3 图纸会审、变更设计洽商记录 2 4 材料、配件出厂合格证及进场检(试)验报告 2 5 设备调试记...

1、当您付费下载文档后,您只拥有了使用权限,并不意味着购买了版权,文档只能用于自身使用,不得用于其他商业用途(如 [转卖]进行直接盈利或[编辑后售卖]进行间接盈利)。
2、本站所有内容均由合作方或网友上传,本站不对文档的完整性、权威性及其观点立场正确性做任何保证或承诺!文档内容仅供研究参考,付费前请自行鉴别。
3、如文档内容存在违规,或者侵犯商业秘密、侵犯著作权等,请点击“违规举报”。

碎片内容

湖南省竣工验收统一表格

您可能关注的文档

小辰2+ 关注
实名认证
内容提供者

出售各种资料和文档

相关文档

确认删除?
VIP
微信客服
  • 扫码咨询
会员Q群
  • 会员专属群点击这里加入QQ群
客服邮箱
回到顶部