电脑桌面
添加小米粒文库到电脑桌面
安装后可以在桌面快捷访问

火灾应急照明设计中应注意的一些问题VIP免费

火灾应急照明设计中应注意的一些问题_第1页
1/6
火灾应急照明设计中应注意的一些问题_第2页
2/6
火灾应急照明设计中应注意的一些问题_第3页
3/6
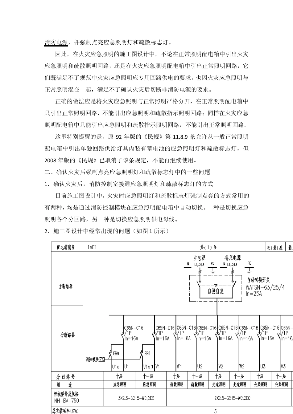
火灾应急照明设计中应注意的一些问题 第五工程所 帖增慈 火灾应急照明是火灾自动报警及联动控制系统中的一个重要组成部分,在高层民用建筑设计中都要碰到。针对前一段设计校审过程中发现的一些问题,提出来供各位同行特别是新参加设计的同志参考。 一、火灾应急照明和一般正常照明要严格分开 1.设计中经常出现的问题 在正常照明配电箱中设有火灾应急照明(实际为备用照明)和疏散照明回路; 在火灾应急照明配电箱中设有正常照明回路; 应急照明中的备用照明和疏散照明标注不准确,如标注为“走道照明”、“公共照明”等。 以上这些均不符合规范对火灾应急照明的要求。 2.规范对火灾应急照明的有关规定 “高层建筑的消防控制室、消防水泵、消防电梯、防烟排烟设施、火灾自动报警、漏电火灾报警系统、自动灭火系统、应急照明、疏散指示标志和电动的防火门、窗、卷帘、阀门等消防用电,应按现行的国家标准《供配电系统设计规范》GB50052 的规定进行设计,一类高层建筑应按一级负荷要求供电,二类高层建筑应按二级负荷要求供电。”——见《高规》第43 页第9.1.1 条。 “消防用电设备应采用专用的供电回路,当生产、生活用电被切断时,应仍能保证消防用电。其配电设备应有明显标志。” ——见《建规》第100 页第11.1.4条。 “本条规定的供电回路,是指从低压总配电室或分配电室至消防设备或消防设备室(如消防水泵房、消防控制室、消防电梯机房等)最末级配电箱的配电线路。” ——见《建规》第358 页第11.1.4 条的条文解释。 “消防控制室在确认火灾后,应能切断有关部位的非消防电源,并接通警报装置及火灾应急照明灯和疏散指示灯” ——见《火灾自动报警系统设计规范》第14 页第6.3.1.8 条。 3.由上述几条规范的要求可知:火灾应急照明灯和疏散标志灯属消防用电设备;其供电应采用专用的供电回路;火灾确认后,消防控制室应能切断有关部位的非消防电源,并强制点亮应急照明灯和疏散标志灯。 因此,在火灾应急照明的施工图设计中,不论在正常照明配电箱中引出火灾应急照明和疏散照明回路,还是在火灾应急照明配电箱中引出正常照明回路,它们既满足不了规范中火灾应急照明应专用回路供电的要求,也因火灾应急照明与正常照明混在一起,满足不了确认火灾后切断非消防电源的要求。 正确的做法应是将火灾应急照明与正常照明严格分开,在正常照明配电箱中只引出正常照明回路,不能引出应急照明和疏散指示照明回路;同样在火...

1、当您付费下载文档后,您只拥有了使用权限,并不意味着购买了版权,文档只能用于自身使用,不得用于其他商业用途(如 [转卖]进行直接盈利或[编辑后售卖]进行间接盈利)。
2、本站所有内容均由合作方或网友上传,本站不对文档的完整性、权威性及其观点立场正确性做任何保证或承诺!文档内容仅供研究参考,付费前请自行鉴别。
3、如文档内容存在违规,或者侵犯商业秘密、侵犯著作权等,请点击“违规举报”。

碎片内容

火灾应急照明设计中应注意的一些问题

您可能关注的文档

确认删除?
VIP
微信客服
  • 扫码咨询
会员Q群
  • 会员专属群点击这里加入QQ群
客服邮箱
回到顶部