电脑桌面
添加小米粒文库到电脑桌面
安装后可以在桌面快捷访问

火灾自动报警系统施工及验收规范+GB+501662007表格VIP免费

火灾自动报警系统施工及验收规范+GB+501662007表格_第1页
1/10
火灾自动报警系统施工及验收规范+GB+501662007表格_第2页
2/10
火灾自动报警系统施工及验收规范+GB+501662007表格_第3页
3/10
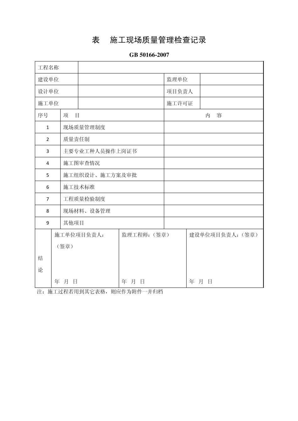
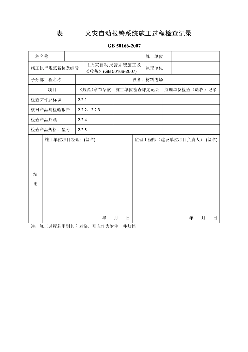
表A 火灾自动报警系统分部、子分部、分项工程划分表 GB 50166-2007 分部工程 序号 子分部工程 分项工程 火灾自动报警系统 1 设备、材料进场检验 材料类 电缆电线、管材 探测器类设备 点型火灾探测器、线型感温火灾探测器、红外光束感烟火灾探测器、空气采样式火灾探测器、点型火焰探测器、图象型火灾探测器、可燃气体探测器等 控制器类设备 火灾报警控制器、消防联动控制器、区域显示器、气体灭火控制器、可燃气体报警控制器等 其他设备 手动报警按钮、消防电话、消防应急广播、消防设备应急电源、系统备用电源、消防控制中心图形显示装置等 2 安装与施工 材料类 电缆电线、管材 探测器类设备 点型火灾探测器、线型感温火灾探测器、红外光束感烟火灾探测器、空气采样式火灾探测器、点型火焰探测器、图象型火灾探测器、可燃气体探测器等 控制器类设备 火灾报警控制器、消防联动控制器、区域显示器、气体灭火控制器、可燃气体报警控制器等 其他设备 手动报警按钮、消防电气控制装置、火灾应急广播扬声器和火灾警报装置、模块、消防专用电话、消防设备应急电源、系统接地等 3 系统调试 探测器类设备 点型火灾探测器、线型感温火灾探测器、红外光束感烟火灾探测器、空气采样式火灾探测器、点型火焰探测器、图象型火灾探测器、可燃气体探测器等 控制器类设备 火灾报警控制器、消防联动控制器、区域显示器、气体灭火控制器、可燃气体报警控制器等 其他设备 手动报警按钮、消防电话、消防应急广播、消防设备应急电源、系统备用电源、消防控制中心图形显示装置等 整体系统 系统性能 4 系统验收 探测器类设备 点型火灾探测器、线型感温火灾探测器、红外光束感烟火灾探测器、空气采样式火灾探测器、点型火焰探测器、图象型火灾探测器、可燃气体探测器等 控制器类设备 火灾报警控制器、消防联动控制器、区域显示器、气体灭火控制器、可燃气体报警控制器等 其他设备 手动报警按钮、消防电话、消防应急广播、消防设备应急电源、系统备用电源、消防控制中心图形显示装置等 整体系统 系统性能 表B 施工现场质量管理检查记录 GB 50166-2007 工程名称 建设单位 监理单位 设计单位 项目负责人 施工单位 施工许可证 序号 项 目 内 容 1 现场质量管理制度 2 质量责任制 3 主要专业工种人员操作上岗证书 4 施工图审查情况 5 施工组织设计、施工方案及审批 6 施工技术标准 7 工程质量检验...

1、当您付费下载文档后,您只拥有了使用权限,并不意味着购买了版权,文档只能用于自身使用,不得用于其他商业用途(如 [转卖]进行直接盈利或[编辑后售卖]进行间接盈利)。
2、本站所有内容均由合作方或网友上传,本站不对文档的完整性、权威性及其观点立场正确性做任何保证或承诺!文档内容仅供研究参考,付费前请自行鉴别。
3、如文档内容存在违规,或者侵犯商业秘密、侵犯著作权等,请点击“违规举报”。

碎片内容

火灾自动报警系统施工及验收规范+GB+501662007表格

确认删除?
VIP
微信客服
  • 扫码咨询
会员Q群
  • 会员专属群点击这里加入QQ群
客服邮箱
回到顶部