电脑桌面
添加小米粒文库到电脑桌面
安装后可以在桌面快捷访问

灯光设计规范及照度标准值VIP免费

灯光设计规范及照度标准值_第1页
1/7
灯光设计规范及照度标准值_第2页
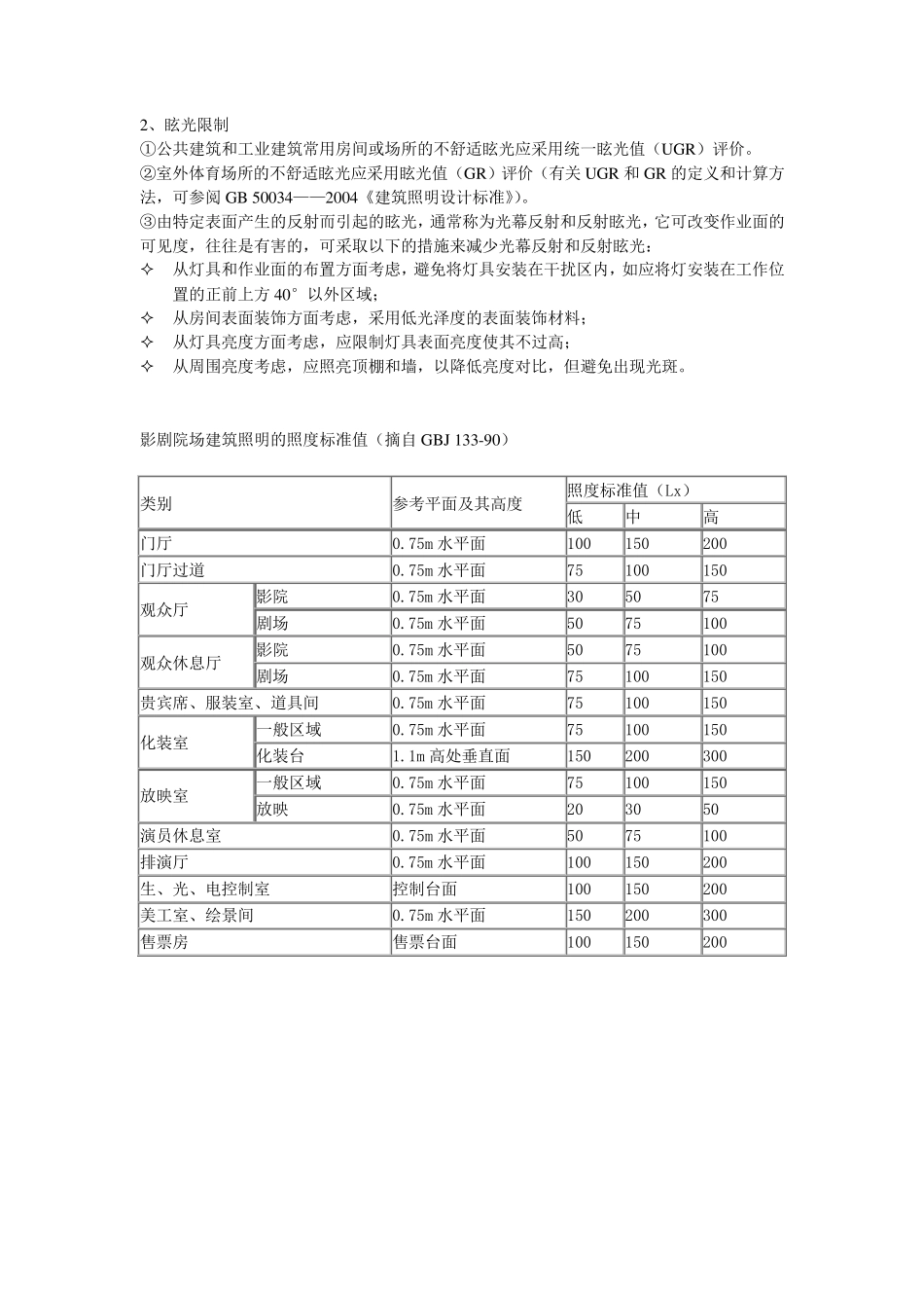
2/7
灯光设计规范及照度标准值_第3页
3/7
照明系统工程设计常用的标准及规范(摘录) 一、照明系统工程设计常用标准及规范 照明系统工程设计常用标准及规范有以下几个: ① GBJ 133——90《民用建筑照明设计标准》, ② WH 0201——94《歌舞厅照明及光污染限定标准》 ③ JGJ 57--2000《剧场建筑设计规范》 ④ GB/T 50314——2000《智能建筑设计标准》 ⑤ GYJ 45——92 《电视演播室灯光系统设计规范》 已被GY5045-2006 取代 ⑥ JGJ 31——2003《体育建筑设计规范》 ⑦ GB/T 14076——93《电影电视舞台灯具通用技术条件》; ⑧ GB 15734——1995《电子调光设备无线电骚扰特性限值及测量方法》; ⑨ GB /T 14218——93《电子调光设备性能参数与测试方法》; ⑩ WH 0202——1995《舞台灯光图符代号及制图规则》; ⑪ JGJ / T 119——98《建筑照明术语标准》。 ⑫ GB 50034——2004《建筑照明设计标准》 二、照明设计标准的典型数据 (1)GY5045-2006《电视演播室灯光系统设计规范》(详见附录D) 达到现场摄影和拍电视的要求是:照度≥20001x;色温3050 ± 150K;显色指数 R≥85。 (2)WH 0201——94《歌舞厅照明及光污染限定标准》 歌舞厅:表演区 100~1501x;自娱区 20lx;观赏休息区 51x;通道 101x。 (3)GBJ 133——90《民用建筑照明设计标准》 报告厅、会议室 100-2001x;影院观众席 30~751x; 剧场观众席:75~150lx;大宴会厅 150~3001x;体育馆:无彩电转播750 lx;有彩电转播15001x。 (4)JGJ 57——2000《剧场建筑设计规范》(详见附录C) 剧场观众厅:75~150lx,平滑调光;化妆室、绘景室与舞台的色温接近;调光回路; 甲等歌舞剧剧场480 路,话剧剧场360 路,戏曲剧场240 路。 (5) GB/T 50314 ——2000《智能建筑设计标准》 智能化建筑:甲级 500lx,乙级 400lx,丙级 3001x。 三、照明数量和质量 1.照度均匀度 ①作业面应尽可能地均匀照亮,公共建筑的工作房间和工业建筑作业区域内的一般照明照度均匀度不应小于 0.7,而作业面周围的照度均匀度不应小于 0.5。 ②房间或场所内的通道和其他非作业区域的一般照明照度值不宜低于作业区域一般照 明照度值的1/3。 ③在有彩电转播的体育场馆,其主摄像方向上的照明应符合下列要求:  场地垂直照度最小值与最大值之比不宜小于 0.4;  场地平均垂直照度与平均水平照度之比不宜小于 0.25;  场地水平照度最小值与最大值之比不宜...

1、当您付费下载文档后,您只拥有了使用权限,并不意味着购买了版权,文档只能用于自身使用,不得用于其他商业用途(如 [转卖]进行直接盈利或[编辑后售卖]进行间接盈利)。
2、本站所有内容均由合作方或网友上传,本站不对文档的完整性、权威性及其观点立场正确性做任何保证或承诺!文档内容仅供研究参考,付费前请自行鉴别。
3、如文档内容存在违规,或者侵犯商业秘密、侵犯著作权等,请点击“违规举报”。

碎片内容

灯光设计规范及照度标准值

确认删除?
VIP
微信客服
  • 扫码咨询
会员Q群
  • 会员专属群点击这里加入QQ群
客服邮箱
回到顶部