电脑桌面
添加小米粒文库到电脑桌面
安装后可以在桌面快捷访问

线管穿线隐蔽报验规范VIP免费

线管穿线隐蔽报验规范_第1页
1/9
线管穿线隐蔽报验规范_第2页
2/9
线管穿线隐蔽报验规范_第3页
3/9
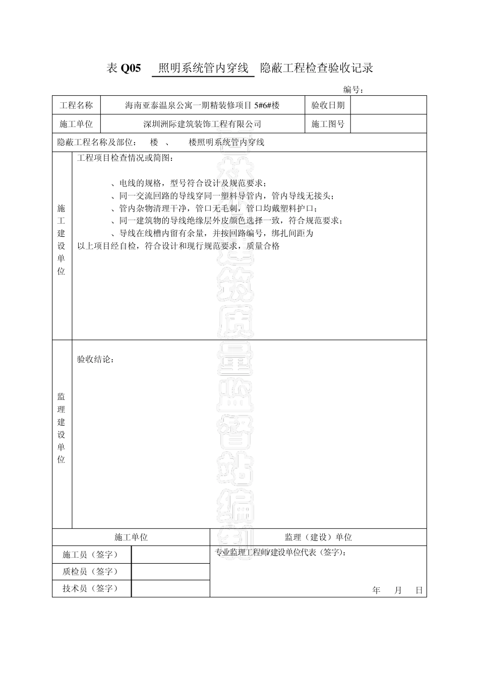
表A04 照明系统管内穿线隐蔽工程 报验申请表 工程名称:海南亚泰温泉公寓一期精装修项目5#6#楼 编号:ZJ120317 致: 海南中外建工程管理有限公司 (监理单位): 我单位已完成了 5#楼2、7-6 楼照明系统管内穿线隐蔽 工作,现报上该工程报验申请表,请给予审查和验收。 附件: 1、 电线穿管检验批质量验收记录[ 编号:ZJ001] 2、 照明系统管内穿线隐蔽验收记录 [ 编号:ZJ002] 承包单位:(章) 项目经理: 日 期:2012.03.17 审查意见: 项目监理机构(章): 总/专业监理工程师: 日 期: 电线穿管检验批质量验收记录表 GB 50303—2002 编号:ZJ001 单位(子单位)工程名称 海南亚泰温泉公寓一期精装修项目 5#6#楼 分项工程名称 照明系统管内穿线隐蔽工程 验收部位 5#楼 2、6-7 楼 施工单位 深圳洲际建筑装饰工程有限公司 项目经理 刘德强 分包单位 / 分包项目经理 / 施工执行标准名称及编号 《建筑电气工程施工质量验收规范》(GB 50303—2002) 施工质量验收规范的规定 施工单位检查评定记录 监理(建设)单位验收记录 主 控 项 目 1 交流单芯电缆不得单独穿于钢导管内 第 15.1.1 条 / 2 电线穿管 第 15.1.2 条 同一交流回路的导线穿同一塑料导管内,管内导线无接头 3 爆炸危险环境照明线路的电线、电缆选用和穿管 第 15.1.3条 / 一 般 项 目 1 电线、电缆管内清扫和管口处理 第 15.2.1 条 管内杂物清理干净,管口无毛刺,管口均戴塑料护口。 2 同一建筑物、构筑物内电线绝缘层颜色的选择 第 15.2.2条 / 3 线槽敷线 第 14.2.3 条 / 施工单位检查评定结果: 检查工程主控项目、一般项目均符合《建筑电气工程施工质量验收规范》(GB 50303—2002)的规定,自检合格。 专业质量检查员(签字): 2012 年 03 月 17 日 施工单位 监理(建设)单位 施工员(签字) 验收结论: 专业监理工程师/建设单位代表(签字): 年 月 日 技术员(签字) 施工班组(签字) 表Q 05 照明系统管内穿线 隐蔽工程检查验收记录 编号:ZJ002 工程名称 海南亚泰温泉公寓一期精装修项目5 #6 #楼 验收日期 2012-03-17 施工单位 深圳洲际建筑装饰工程有限公司 施工图号 --- 隐蔽工程名称及部位:5#楼2、6-7楼照明系统管内穿线 施工建设单位 工程项目检查情况或简图: 1、电线的规格,型号符合设计及规范要求; 2、同一交流回...

1、当您付费下载文档后,您只拥有了使用权限,并不意味着购买了版权,文档只能用于自身使用,不得用于其他商业用途(如 [转卖]进行直接盈利或[编辑后售卖]进行间接盈利)。
2、本站所有内容均由合作方或网友上传,本站不对文档的完整性、权威性及其观点立场正确性做任何保证或承诺!文档内容仅供研究参考,付费前请自行鉴别。
3、如文档内容存在违规,或者侵犯商业秘密、侵犯著作权等,请点击“违规举报”。

碎片内容

线管穿线隐蔽报验规范

您可能关注的文档

确认删除?
VIP
微信客服
  • 扫码咨询
会员Q群
  • 会员专属群点击这里加入QQ群
客服邮箱
回到顶部