电脑桌面
添加小米粒文库到电脑桌面
安装后可以在桌面快捷访问

给排水初步设计说明(最新规范)2015VIP专享VIP免费

给排水初步设计说明(最新规范)2015_第1页
1/8
给排水初步设计说明(最新规范)2015_第2页
2/8
给排水初步设计说明(最新规范)2015_第3页
3/8
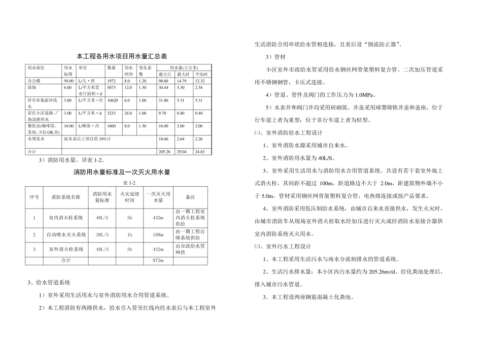
第六章 给排水设计 一、设计依据 1、建设方关于本工程的设计任务书、设计要求和该公司提供的有关资料。 2、建设方提供的本工程周围城市市政管道概况资料。 3、国家现行的设计规范、规程。 1)、《建筑给水排水设计规范》GB50015-2003(2009 年版) 2)、《室外给水设计规范》GB50013-2006(2011 年版) 3)、《室外排水设计规范》GB50014-2006(2014 年版) 4)、《二次供水设施卫生规范》GB17051-1997 5)、《消防给水及消火栓系统技术规范》GB50974-2014 6)、《自动喷水灭火系统设计规范》GB50084-2001(2005 年版) 7)、《建筑灭火器配置设计规范》GB50140-2005 8)、《汽车库、修理库、停车场设计防火规范》GB50067-97 9)、《建筑设计防火规范》GB50016-2006 10)、《节水型生活用水洁具》CJ164-2002 11)、《民用建筑节水设计标准》GB50555-2010 12)、《城镇给水排水技术规范》GB50788-2012 4、本项目建筑、结构、采暖空调、电气和总图等专业提供的作业条件图和设计资料。 二、工程概况 详见建筑说明。 三、设计范围 1、本工程红线以内室外和室内给水排水及消防系统由本院设计。 2、本工程水表井与城市给水管的连接管段和最末一座检查井与城市污水管及雨水管的连接管等,由城市有关部门负责设计与施工。 四、室外给水排水工程 ㈠、室外给水工程设计 1、水源 本工程区域设计DN150 的一个给水环网,区域环网分别从一路和二路分别引入DN150 和 DN200 两根引入管,接入管处 安 装 水表、阀 门和倒 流 防止器。可 以保 证 本单 体 的生活水源。市政给水管网压 力 为0.35MPa(相 对 于绝对 标高 31.40m )。 2、用水量 1)生活用水量 : 最高 日 205.26m3,最大 小 时 29.04m3,平 均 小 时 24.83m3。 2)主 要用水项目及其 用水量 ,详表 1-1。 本工程各用水项目用水量汇总表 用水部位 用水标准 单位 数量 用水时间 变化系数 用水量(立方米) 最大日 最大时 平均时 办公楼 50.00 L/人·班 1972 8.0 1.20 98.60 14.79 12.32 商场 6.00 L/平方米营业厅面积·d 5073 12.0 1.30 30.44 3.30 2.54 停车库地面冲洗水 3.00 L/平方米·次 10620 6.0 1.00 31.86 5.31 5.31 居住小区道路、广场浇洒用水 3.00 L/平方米·d 3233 24.0 1.00 9.70 0.40 0.40 餐饮业(咖啡馆、茶座、卡拉OK房) 10.00 L/顾客·次 1600 8.0 1.30 16.00 2.6...

1、当您付费下载文档后,您只拥有了使用权限,并不意味着购买了版权,文档只能用于自身使用,不得用于其他商业用途(如 [转卖]进行直接盈利或[编辑后售卖]进行间接盈利)。
2、本站所有内容均由合作方或网友上传,本站不对文档的完整性、权威性及其观点立场正确性做任何保证或承诺!文档内容仅供研究参考,付费前请自行鉴别。
3、如文档内容存在违规,或者侵犯商业秘密、侵犯著作权等,请点击“违规举报”。

碎片内容

给排水初步设计说明(最新规范)2015

确认删除?
VIP
微信客服
  • 扫码咨询
会员Q群
  • 会员专属群点击这里加入QQ群
客服邮箱
回到顶部