电脑桌面
添加小米粒文库到电脑桌面
安装后可以在桌面快捷访问

给水排水工程表格VIP免费

给水排水工程表格_第1页
1/41
给水排水工程表格_第2页
2/41
给水排水工程表格_第3页
3/41
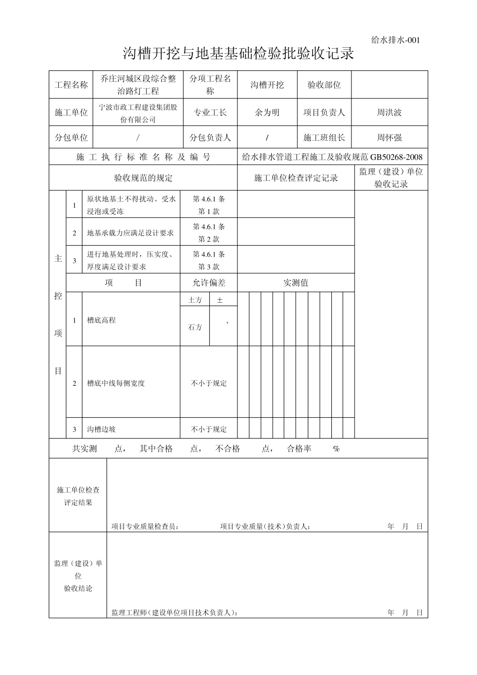
给水排水-001 沟槽开挖与地基基础检验批验收记录 工程名称 乔庄河城区段综合整治路灯工程 分项工程名称 沟槽开挖 验收部位 施工单位 宁波市政工程建设集团股份有限公司 专业工长 余为明 项目负责人 周洪波 分包单位 / 分包负责人 / 施工班组长 周怀强 施 工 执 行 标 准 名 称 及 编 号 给水排水管道工程施工及验收规范 GB50268-2008 验收规范的规定 施工单位检查评定记录 监理(建设)单位验收记录 主控项目 1 原状地基土不得扰动、受水浸泡或受冻 第 4.6.1 条 第 1 款 2 地基承载力应满足设计要求 第 4.6.1 条 第 2 款 3 进行地基处理时,压实度、厚度满足设计要求 第 4.6.1 条 第 3 款 项 目 允许偏差 实测值 1 槽底高程 土方 ±20 石方 +20、-200 2 槽底中线每侧宽度 不小于规定 3 沟槽边坡 不小于规定 共实测 点, 其中合格 点, 不合格 点, 合格率 % 施工单位检查 评定结果 项目专业质量检查员: 项目专业质量(技术)负责人: 年 月 日 监理(建设)单位 验收结论 监理工程师(建设单位项目技术负责人): 年 月 日 给水排水-002 沟槽支护检验批验收记录 工程名称 分项工程名称 验收部位 施工单位 专业工长 项目负责人 分包单位 分包负责人 施工班组长 施 工 执 行 标 准 名 称 及 编 号 给水排水管道工程施工及验收规范GB50268-2008 验收规范的规定 施工单位检查评定记录 监理(建设)单位验收记录 主 控项 目 1 支撑方式、支撑材料符合设计要求 第 4.6.2 条 第 1 款 2 支护结构强度、刚度、稳定性符合设计要求 第 4.6.2 条 第 2 款 一般项目 1 横撑不得妨碍下管和稳管 第 4.6.2 条 第 3 款 2 支撑构件安装应牢固、安全可靠,位置正确 第 4.6.2 条 第 4 款 3 支撑后,沟槽中心线每侧的净宽不应小于施工方案设计要求 第 4.6.2 条 第 5 款 4 钢 板 桩 的轴 线 位移 不 得 大 于50mm;垂直度不得大于 1.5% 第 4.6.2 条 第 6 款 施工单位检查 评定结果 项目专业质量检查员: 项目专业质量(技术)负责人: 年 月 日 监理(建设)单位 验收结论 监理工程师(建设单位项目技术负责人): 年 月 日 给水排水-003 沟槽回填检验批验收记录 工程名称 青川县乔庄镇污水处理厂及管网工程(厂区排水工程) 分项工程名称 沟槽回填 验...

1、当您付费下载文档后,您只拥有了使用权限,并不意味着购买了版权,文档只能用于自身使用,不得用于其他商业用途(如 [转卖]进行直接盈利或[编辑后售卖]进行间接盈利)。
2、本站所有内容均由合作方或网友上传,本站不对文档的完整性、权威性及其观点立场正确性做任何保证或承诺!文档内容仅供研究参考,付费前请自行鉴别。
3、如文档内容存在违规,或者侵犯商业秘密、侵犯著作权等,请点击“违规举报”。

碎片内容

给水排水工程表格

确认删除?
VIP
微信客服
  • 扫码咨询
会员Q群
  • 会员专属群点击这里加入QQ群
客服邮箱
回到顶部