电脑桌面
添加小米粒文库到电脑桌面
安装后可以在桌面快捷访问

无损检测收费标准VIP免费

无损检测收费标准_第1页
1/3
无损检测收费标准_第2页
2/3
无损检测收费标准_第3页
3/3
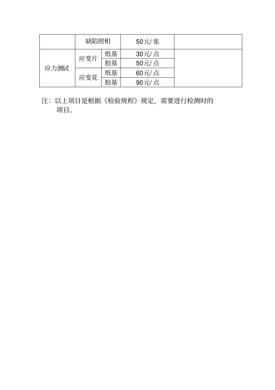
附件七:无损检测、理化检测、应力测试收费标准项目收费标准备注射线检测X射线80元/ 片用 X 射线检测时,若透照厚度大于 20 ㎜,每增加 5㎜,每张片加收 10 元;缺陷自身高度测定,每处缺陷收费 300 元。r 射线100元/ 片超声波检测钢板90元/ 平方米(1)探测件厚度小于12mm时,加收 20%。(2)双面扫查检测时,加倍收费。(3)有色金属工件,奥氏体钢锻件高压螺栓加收100%;孔 槽 较 多 的 锻 件 , 加 收50%;角焊缝加收 30%。(4)不锈钢堆焊层,按复合钢板收费标准加收50%。(5)缺陷自身高度测定,每处缺陷收费 300 元。(6)不足 1 平方米按 1 平方米计,每条焊缝长度不足1 米按1 米计。复合钢板110元/ 平方米锻件130元/ 平方米焊缝70元/ 米磁粉检测焊缝60元/ 米(1)用油做悬浮剂或用荧光磁粉时加收50%;用其它非黑色磁粉时,加收20%。(2)管道焊缝加收 50%。(3)螺栓检测加收50%。(4)不足 1 平方米按1平方米计,每条焊缝长度不足 1米按 1米计。锻件100元/ 平方米钢板100元/ 平方米CNG气瓶100元/ 只杆状件30元/ 根非索道用钢丝绳磁力探伤2 元/ 米渗透检测焊缝80元/ 米(1)水洗法减收50%;荧面状检测130元/ 平方米光法加收 50%。(2)不足 1平方米按 1 平方米计,每条焊缝长度不足1 米按 1米计。电磁检测60元/ 米检测长度不足1m按1m计。声发射检测500元/ 三个探头每增加一对探头,加收 50%。续表:项目收费标准备注热像/ 红外检测500元/ 米检测长度不足1m按1m计。内窥镜检测200元/ 米(1)若需拍片,每片收50 元。(2)检测长度不足 1m按 1m计。测厚检测4 元/ 点(1)检测 DN800mm以下管件时,加收50%。(2)使用高温探头时,检测费加收100%。硬度检测10元/ 点机械性能试验收费标准拉伸、弯曲90元/ 件不含试样加工费冲击常温70元/ 件时效150元/ 件低温120元/ 件压扁、扩口70元/ 件金属材料元素分析常规常量元素100元/ 样微量元素200元/ 样取样100元/ 样金相分析金相实验室500元/ 点1、金相分析包括磨样、抛光、侵蚀、两份报告(包括照片)。2、制样包括分割、镶嵌。现场700元/ 点复膜100元/ 点制样100元/ 样其它理化项目光谱定量分析20元/ 元素铁素体含量20元/ 点缺陷照相50元/ 张应力测试应变片纸基30元/ 点胶基50元/ 点应变花纸基60元/ 点胶基90元/ 点注:以上项目是根据《检验规程》规定,需要进行检测时的项目。

1、当您付费下载文档后,您只拥有了使用权限,并不意味着购买了版权,文档只能用于自身使用,不得用于其他商业用途(如 [转卖]进行直接盈利或[编辑后售卖]进行间接盈利)。
2、本站所有内容均由合作方或网友上传,本站不对文档的完整性、权威性及其观点立场正确性做任何保证或承诺!文档内容仅供研究参考,付费前请自行鉴别。
3、如文档内容存在违规,或者侵犯商业秘密、侵犯著作权等,请点击“违规举报”。

碎片内容

无损检测收费标准

您可能关注的文档

确认删除?
VIP
微信客服
  • 扫码咨询
会员Q群
  • 会员专属群点击这里加入QQ群
客服邮箱
回到顶部