电脑桌面
添加小米粒文库到电脑桌面
安装后可以在桌面快捷访问

普通灯具安装工程检验批质量验收记录VIP免费

普通灯具安装工程检验批质量验收记录_第1页
1/5
普通灯具安装工程检验批质量验收记录_第2页
2/5
普通灯具安装工程检验批质量验收记录_第3页
3/5
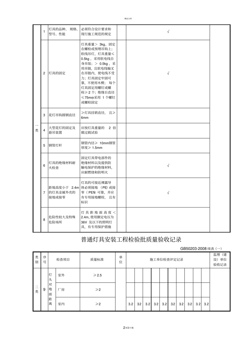
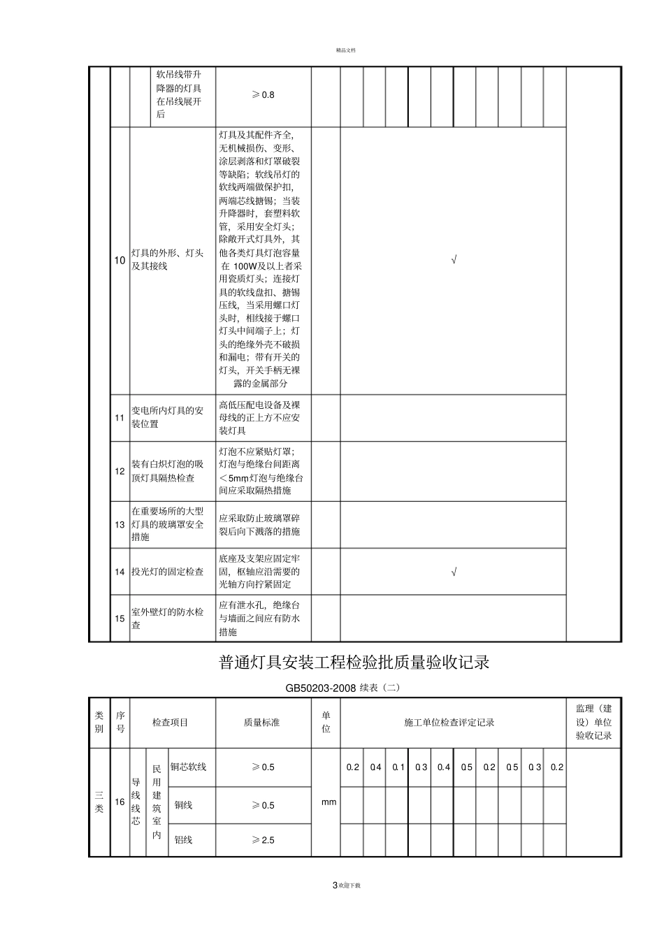
精品文档。1欢迎下载报验申请表工程名称: 交通银行珠海分行体育中心支行装修工程致 : 珠 海 巨 业 建 设 监 理 有 限 公 司我 单 位 已 完 成 了一 楼 营 业 厅 和 夹 层 灯 具 安 装工 作 , 现 报 上该 工 程 报 验 申 请 表 , 请 予 以 审 查 和 验 收 。附 件 :1.普通灯具安装工程检验 批 质 量 验 收 记 录2.建筑物照明通电试运行检验 批 质 量 验 收 记 录承 包 单 位 :项 目 经 理 :日期 :2008-07-29 审 查 意 见 :□合 格 , 可 以 进 入 下 道 工 序 施 工 。□不 合 格 , 整 改 后 再 报 验 。项 目 监 理 机 构 :总 监 理 工 程 师 :日期 :备注:本表一式四份,监理单位二份,建设单位一份,承包单位一份。普通灯具安装工程检验批质量验收记录GB50203-2008工程名称交通银行体育中心支行装修工程分项工程名称电气照明安装验收部位一层营业厅和夹层灯具施工单位中集建设集团有限公司广州分公司专业工长项荣辉项目经理张峰分包单位/ 分包项目经理/ 施工班组长邱亚康施工执行标准名称及编号GB50203-2008类别序号检查项目质量标准单位施工单位检查评定记录监理(建设)单位验收记录精品文档。2欢迎下载一类1 灯具的品种、 规格、型号、性能必须符合设计要求和现行施工规范的规定√2 灯具的固定灯具重量> 3kg,固定在螺栓或预埋吊钩上;软线吊灯,灯具重量≤0.5kg ,采用软电线自身吊装;> 0.5kg ,采用吊链,且软电线编叉在吊链内,使电线不受力;灯具固定牢固可靠,不使用木楔; 每个灯具固定用螺钉或螺栓≥ 2 个;绝缘台直径≤75mm,采用 1 个螺钉或螺栓固定√3 花灯吊钩圆钢直径≥灯具挂销直径, 且≥6mm 4 大型花灯的固定及悬吊装置应按灯具重量的2 倍做过载试验5 钢管灯杆钢管内径≥ 10mm钢管厚度≥ 1.5mm 6 灯具的绝缘材料耐火检查固定灯具带电部件的绝缘材料以及提供防触电保护的绝缘材料,应耐燃烧和防明火√7 距地高度小于2.4m的灯具金属外壳的接地或接零灯具的可接近裸露导体必须接地 (PE)或接零( PEN)可靠,并应有专用接地螺栓, 且有标识√8 危险性较大及特殊危险场所灯 具 距 地 面 高 度 <2.4m,使用额定电压为36V 及以下的照明灯具,有专用保护措施普通灯具安装工程检验批质量验收记录GB50203-2008 续表(一)类别序号检查项目质量标...

1、当您付费下载文档后,您只拥有了使用权限,并不意味着购买了版权,文档只能用于自身使用,不得用于其他商业用途(如 [转卖]进行直接盈利或[编辑后售卖]进行间接盈利)。
2、本站所有内容均由合作方或网友上传,本站不对文档的完整性、权威性及其观点立场正确性做任何保证或承诺!文档内容仅供研究参考,付费前请自行鉴别。
3、如文档内容存在违规,或者侵犯商业秘密、侵犯著作权等,请点击“违规举报”。

碎片内容

普通灯具安装工程检验批质量验收记录

确认删除?
VIP
微信客服
  • 扫码咨询
会员Q群
  • 会员专属群点击这里加入QQ群
客服邮箱
回到顶部