电脑桌面
添加小米粒文库到电脑桌面
安装后可以在桌面快捷访问

智能流量累积仪操作VIP免费

智能流量累积仪操作_第1页
1/6
智能流量累积仪操作_第2页
2/6
智能流量累积仪操作_第3页
3/6
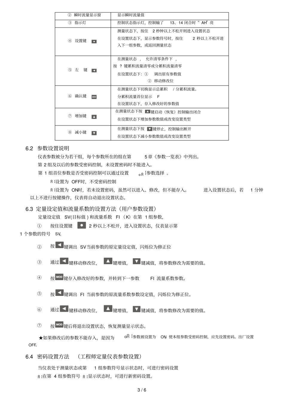
1 / 6 TMS-L50智能流量累积仪操作说明1、概述TMS-L50 智能流量累积仪,接受涡街, 涡轮脉冲信号,瞬时流量按脉冲周期计算和累积流量按脉冲个数计算,是专业脉冲输入的流量累积仪。自侦定流量大小,根据流量确定小数点浮动,瞬时流量分辨率高,大流量6 位整数,小流量3 位小数。只设流量系数既可工作,具备调校简单,测量精度高,可靠性强。具有数字滤波克服流量波动功能,不影响累积流量计算。7 段折线运算功能有效提高系统的测量。2、型号规格D型: 160 (W)× 80(H)× 125mm(L) 横式1: 8位累计显示显示范围 0.000 ~99999999, 小数点浮动3 位6 位瞬时显示0.000 ~ 999999 小数点浮动3 位2:单脉冲输入3:外供 12V DC 4: 220V AC 3、技术规格3.1 流量积算仪技术规格开关电源:交流85~265V AC,直流 100~300VDC ,功耗小于7VA;工作环境: -20 ℃ ~ 65 ℃,湿度低于90%R. H 显示: 8 位累计 0.000~99999999 小数点浮动3 位, 6位瞬时 0.000~999999 小数点浮动3 位显示颜色:红色计数频率: 0.1Hz ~5kHz 输入脉冲信号:适用于NPN、PNP、OC门 , 电压脉冲,外供电源:误差小于± 5%,负载能力 50mA 3.2 流量定量控制仪选配件技术规格控制输出: 1 路继电器输出:触点容量220V AC 3A 外部 3 点开入控制: K1 启动(恢复),K2 急停, K3 分累积清零 / 启动。信号宽度大于20ms,无源开关或12V 电压控制无源开关控制时,闭合一次20ms 以上有效电压控制时, 4V~12V有效, 1V 以下无效,负载电流>4mA 4、安装与接线 (请以实物上的为准)外形尺寸: 160×80×125(mm),开孔尺寸: 152×76(mm)传感器接线图(如右图)仪表端子接线图(如下图)注意:端子电源正端4,禁止与端子 2,3,5 短接,造成电源短路5、参数一览表第 1 组参数:名称内容地址取值范围AL1H 预置输出①的高4 位设定00H 0~9999 2 / 6 AL1L 预置输出①的低4 位设定或瞬时流量①的设定01H 0~9999 AL2H 预置输出②的高4 位设定02H 0~9999 AL2L 预置输出②的低4 位设定或瞬时流量②的设定03H 0~9999 第 2 组参数名称内容地址取值范围OA 密码10H 0~9999 AL01 第 1 组报警点报警方式11H AL02 第 2 组报警点报警方式12H HYA1 第 1 报警点灵敏度19H 0~8000 HYA2 第 2 报警点灵敏度1AH 0~8000 ACLR 清零选择1DH 0~2 tYA1 第 1 预置输...

1、当您付费下载文档后,您只拥有了使用权限,并不意味着购买了版权,文档只能用于自身使用,不得用于其他商业用途(如 [转卖]进行直接盈利或[编辑后售卖]进行间接盈利)。
2、本站所有内容均由合作方或网友上传,本站不对文档的完整性、权威性及其观点立场正确性做任何保证或承诺!文档内容仅供研究参考,付费前请自行鉴别。
3、如文档内容存在违规,或者侵犯商业秘密、侵犯著作权等,请点击“违规举报”。

碎片内容

智能流量累积仪操作

您可能关注的文档

确认删除?
VIP
微信客服
  • 扫码咨询
会员Q群
  • 会员专属群点击这里加入QQ群
客服邮箱
回到顶部