电脑桌面
添加小米粒文库到电脑桌面
安装后可以在桌面快捷访问

7-8-水下混凝土施工作业指导书VIP免费

7-8-水下混凝土施工作业指导书_第1页
1/12
7-8-水下混凝土施工作业指导书_第2页
2/12
7-8-水下混凝土施工作业指导书_第3页
3/12
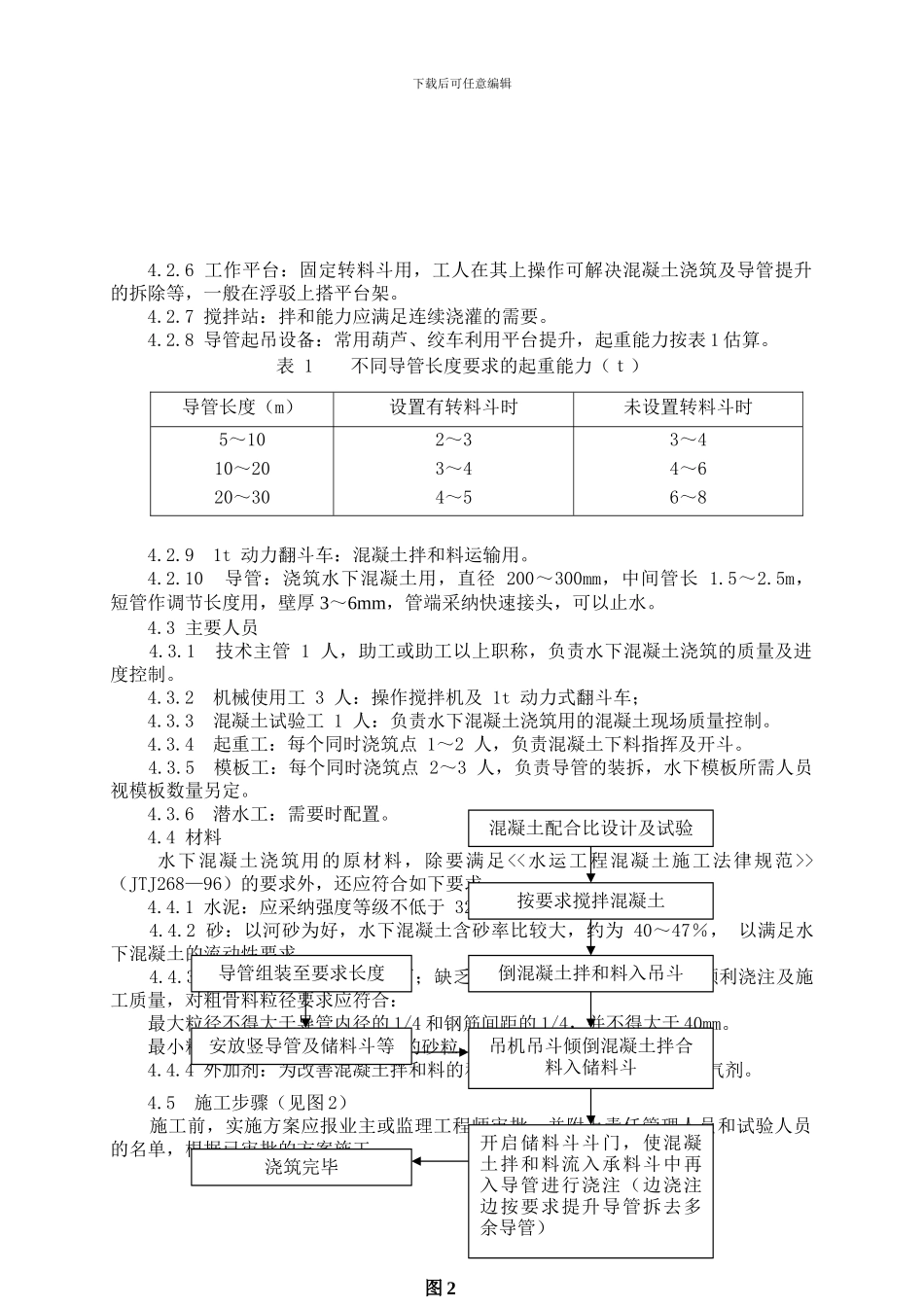
作业文件中港第四航务工程局水下混凝土施工作业指导书开始实施日期2024 年月 日版本号:1编号:QI 7-8第 1 页共 13 页修 改 记 录修改号生效日期修改页次修 改 理 由修改号编写审核会签批准批准日期穆晓娟陈年敬王定武方 东傅立容2024.4.8下载后可任意编辑1概述 从质量、环保、职业健康安全各个环节对水下混凝土施工过程进行监控。确保水下混凝土工程符合法律规范要求。混凝土施工常规要求见 QI7-11《混凝土作业指导书》。 2 适用范围 本作业指导书适用于基础工程的水下混凝土施工以及为工程施工所需的、临时性工程的水下混凝土施工。 3 参照文件 3.1 《建筑机械使用安全技术规程》(JGJ33-2001) 3.2 《施工现场临时用电安全技术法律规范》(JGJ46-88) 3.3 《水运工程混凝土施工法律规范》(JTJ268-96)3.4 《中华人民共和国水上水下施工作业通航安全管理规定》[交通部令(1999年)第 4 号]。 4 实施要求 4.1 施工方法 水下混凝土施工有以下几种施工方法:导管法、泵压法、吊罐法、夯击法、振捣法、袋装法。 以上施工方法适用范围为:当水深大于 1.5m 时宜采纳导管法,泵压法及吊罐法;当水深小于 1.5m 时宜采纳夯击法及振捣法;临时性工程可采纳袋装法。本作业指导书规定了本局常用的导管法。 4.2 主要设备 4.2.1 动力翻斗车:1t 动力翻斗车,运输混凝土拌和料用,数量视浇筑强度(m3/h)而定。 4.2.2 吊机:混凝土拌和料吊移用,吊重一般为 1.5t 左右,吊幅视具体情况而定,每个同时浇筑点配一台,安装模板用的吊机视情况另定。 4.2.3 吊斗:盛混凝土拌和料用,容积一般为 1t 混凝土拌和料,每个同时浇筑点配 1~2 个。 4.2.4 储料斗(转料斗):起转料、储料作用。放在承料漏斗上方,底部设有紧密和完全开启的底门,其容积不小于 1.5 倍一次装运混凝土拌和料量。 每个同时浇筑点一个,储料斗固定在平台上层,使储料斗与承料漏斗间距离有 3m 左右,以便拆导管用,储料斗下接溜筒,避开混凝土料超过自落距离 2m 产生离析。 4.2.5 承料漏斗:放在顶节导管上,起承料、调节下注混凝土量作用,进口边长为 600~1200mm,进口以下为锥度 35°~45°的倒锥体, 逐渐缩小至与导管尺寸相适应,其容积应满足以下要求:导管下口埋深所需要的首批混凝土数量,同时导管内混凝土还应保持一定高度使导管内混凝土内压力与管外水压相平衡(见图 1)。 下载后可任意编辑4.2.6 工作平台:...

1、当您付费下载文档后,您只拥有了使用权限,并不意味着购买了版权,文档只能用于自身使用,不得用于其他商业用途(如 [转卖]进行直接盈利或[编辑后售卖]进行间接盈利)。
2、本站所有内容均由合作方或网友上传,本站不对文档的完整性、权威性及其观点立场正确性做任何保证或承诺!文档内容仅供研究参考,付费前请自行鉴别。
3、如文档内容存在违规,或者侵犯商业秘密、侵犯著作权等,请点击“违规举报”。

碎片内容

7-8-水下混凝土施工作业指导书

您可能关注的文档

确认删除?
VIP
微信客服
  • 扫码咨询
会员Q群
  • 会员专属群点击这里加入QQ群
客服邮箱
回到顶部