电脑桌面
添加小米粒文库到电脑桌面
安装后可以在桌面快捷访问

XX市工业园区集中供热管道安装工程施工方案VIP免费

XX市工业园区集中供热管道安装工程施工方案_第1页
1/15
XX市工业园区集中供热管道安装工程施工方案_第2页
2/15
XX市工业园区集中供热管道安装工程施工方案_第3页
3/15
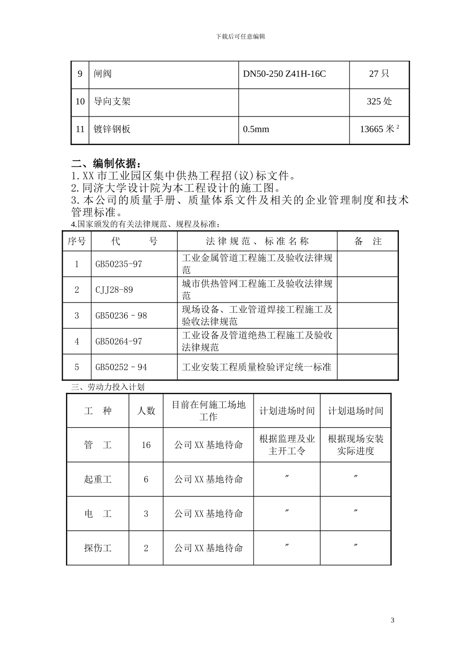
下载后可任意编辑一、工程概况:1.工程名称:XX 市工业园区集中供热工程。2.建设单位:XX 经济开发区热电总公司。3.设计单位:同济大学建筑设计讨论院。4.工程地点:XX 经济技术开发区。5.工程内容:工程内容包括 XX 市工业园区内的供热管道及管道附件、阀门及钢制支架安装。管道总长度约 12 公里。其中低架管道约 7.5公里,直埋管道约 4.4 公里,阀门总数 27 只,管道最大直径为DN450。本开发区为一个新建开发区,采纳集中管网供热,热源由热电厂供应。设计热介质参数为过热蒸气压力 1.0Mpa,温度 250-300℃,管径选择根据建设方提供各单位用汽负荷意向书确定,用热参数要求:P>0.6Mpa,t>160℃,管道走向是根据 XX 市开发区管委会提供的地形图确定的。本工程管道敷设根据不同路段分别采纳不同的敷设形式,低架架空管及直埋管两种形式。低架架空管敷设在绿化带,景观大道为直埋管。为了道路美观,管道在横穿道路时均采纳直埋管。架空管道保温材料采纳微孔硅酸钙,保护层用镀锌钢板,直埋管采纳钢套钢直埋式预制保温管。6.工期承诺:6 个月。7.质量承诺:优良等级。8.主要实物工程量:序号名 称规格及型号数 量1直埋保温钢管D478×10/Φ820×9205 米D377×9/Φ720×840 米D325×8/Φ630×8530 米D273×7/Φ630×81675 米D219×6/Φ478×71415 米D159×4.5/Φ426×6225 米D133×4/Φ377×7145 米1下载后可任意编辑D108×4/Φ325×720 米D89×4/Φ273×635 米D57×3.5/Φ219×6125 米2低架无缝钢管D478×10400 米D377×9825 米D273×7160 米D219×64500 米D159×4.5270 米D133×4585 米D108×460 米D89×4535 米D76×3.550 米D57×3.5135 米3疏水器S19HC-1646 只4外压轴向型补偿器DN80-450177 只5大拉杆补偿器DN200-4503 只6直埋保温管道配件DN50-45082 只7无缝钢管配件DN50-45091 只8微孔硅酸钙保温瓦1509 米 32下载后可任意编辑9闸阀DN50-250 Z41H-16C27 只10导向支架325 处11镀锌钢板0.5mm13665 米 2二、编制依据:1.XX 市工业园区集中供热工程招(议)标文件。2.同济大学设计院为本工程设计的施工图。3.本公司的质量手册、质量体系文件及相关的企业管理制度和技术管理标准。4.国家颁发的有关法律规范、规程及标准:序号代 号法 律 规 范 、 标 准 名 称备 注1GB50235-97工业金属管道工程施工及验收法律规范2CJJ28-89城市供热管网工程施工及验收法律规范3GB50236–98现场设备、工...

1、当您付费下载文档后,您只拥有了使用权限,并不意味着购买了版权,文档只能用于自身使用,不得用于其他商业用途(如 [转卖]进行直接盈利或[编辑后售卖]进行间接盈利)。
2、本站所有内容均由合作方或网友上传,本站不对文档的完整性、权威性及其观点立场正确性做任何保证或承诺!文档内容仅供研究参考,付费前请自行鉴别。
3、如文档内容存在违规,或者侵犯商业秘密、侵犯著作权等,请点击“违规举报”。

碎片内容

XX市工业园区集中供热管道安装工程施工方案

确认删除?
VIP
微信客服
  • 扫码咨询
会员Q群
  • 会员专属群点击这里加入QQ群
客服邮箱
回到顶部