电脑桌面
添加小米粒文库到电脑桌面
安装后可以在桌面快捷访问

X市通信公司综合业务楼工程大体积砼施工组织设计方案VIP免费

X市通信公司综合业务楼工程大体积砼施工组织设计方案_第1页
1/15
X市通信公司综合业务楼工程大体积砼施工组织设计方案_第2页
2/15
X市通信公司综合业务楼工程大体积砼施工组织设计方案_第3页
3/15
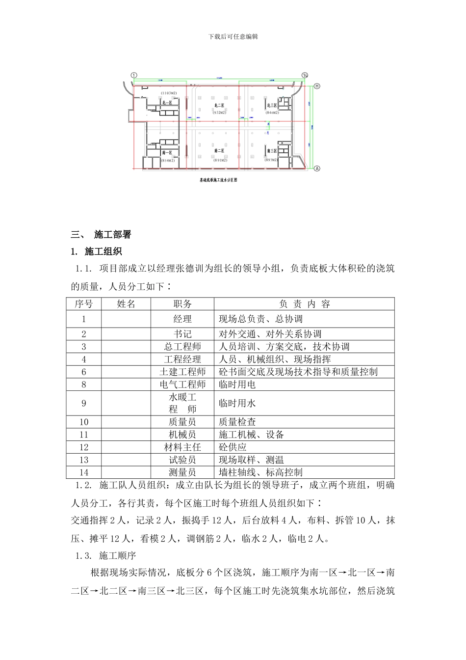
下载后可任意编辑大体积混凝土施工方案一、 编制依据1. 《X 市通信公司综合业务楼》施工组织设计2. X 东方筑中建设规划设计有限公司设计的《X 市通信公司综合业务楼》施工图纸3. 《地基与基础工程施工质量验收法律规范》(GBJ202)4. 《地下室防水工程施工质量验收法律规范》(GB50208)5. 《混凝土结构工程施工质量验收法律规范》(GB50204)6. 《混凝土质量控制标准》(GB50164)二、 工程概况X市通信公司综合业务楼工程拟建建筑物包括两栋分别为8层及15层的高层办公楼、中庭、报告厅及地下室,总建筑面积约6万平米。地下室共三层,主要为车库、设备用房、库房、变配电室、柴油发电机室,约1.8万平米;地上建筑总高度60米,主要为办公室、餐厅、多功能厅、会议室等,约4.2万米。拟建建筑物±0.00标高为48.00m,采纳筏板基础,基础埋深17.85 m。底板长度为 110 米,宽度为 60 米;底板厚度为 1.3 米、1.0 米。东西及南北方向均设有后浇带,将底板分成 6 个施工区。底板混凝土强度等级为 C40,抗渗等级为 P12。分区详见下图。下载后可任意编辑三、 施工部署1. 施工组织1.1. 项目部成立以经理张德训为组长的领导小组,负责底板大体积砼的浇筑的质量,人员分工如下∶序号姓名职务负 责 内 容1经理现场总负责、总协调2书记对外交通、对外关系协调3总工程师人员培训、方案交底,技术协调4工程经理人员、机械组织、现场指挥6土建工程师砼书面交底及现场技术指导和质量控制8电气工程师临时用电9水暖工程 师临时用水10质量员质量检查11机械员施工机械、设备12材料主任砼供应13试验员现场取样、测温14测量员墙柱轴线、标高控制1.2. 施工队人员组织:成立由队长为组长的领导班子,成立两个班组,明确人员分工,各行其责,每个区施工时每个班组人员组织如下∶交通指挥 2 人,记录 2 人,振捣手 12 人,后台放料 4 人,布料、拆管 10 人,抹压、摊平 12 人,看模 2 人,调钢筋 2 人,临水 2 人,临电 2 人。1.3. 施工顺序 根据现场实际情况,底板分 6 个区浇筑,施工顺序为南一区→北一区→南二区→北二区→南三区→北三区,每个区施工时先浇筑集水坑部位,然后浇筑下载后可任意编辑底板,最后浇筑外墙 300mm 高的导墙。1.4. 施工计划安排 底板砼浇筑安排在 10 月中旬至 11 月中旬之间进行,估计最大一个区连续浇筑砼需 14h,选在周末开盘,对砼的运输较有利。2. 施工准备2.1. 技术准备2.1...

1、当您付费下载文档后,您只拥有了使用权限,并不意味着购买了版权,文档只能用于自身使用,不得用于其他商业用途(如 [转卖]进行直接盈利或[编辑后售卖]进行间接盈利)。
2、本站所有内容均由合作方或网友上传,本站不对文档的完整性、权威性及其观点立场正确性做任何保证或承诺!文档内容仅供研究参考,付费前请自行鉴别。
3、如文档内容存在违规,或者侵犯商业秘密、侵犯著作权等,请点击“违规举报”。

碎片内容

X市通信公司综合业务楼工程大体积砼施工组织设计方案

范哲铺+ 关注
实名认证
内容提供者

想你所想,急你所急,你需要的都在店铺里可以找到。

确认删除?
VIP
微信客服
  • 扫码咨询
会员Q群
  • 会员专属群点击这里加入QQ群
客服邮箱
回到顶部