电脑桌面
添加小米粒文库到电脑桌面
安装后可以在桌面快捷访问

冠梁施工技术交底记录6.11VIP免费

冠梁施工技术交底记录6.11_第1页
1/19
冠梁施工技术交底记录6.11_第2页
2/19
冠梁施工技术交底记录6.11_第3页
3/19
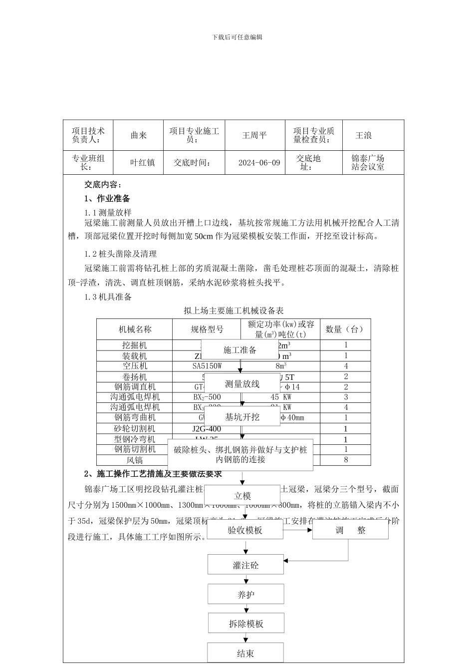
下载后可任意编辑锦泰广场站冠梁施工技术交底记录工程名称:长沙市地铁 2 号线锦泰广场站 编号:施工单位:中国中铁隧道集团有限公司 监理单位:上海地铁咨询监理科技有限公司下载后可任意编辑项目技术负责人:曲来项目专业施工员:王周平项目专业质量检查员:王浪专业班组长:叶红镇交底时间:2024-06-09交底地址:锦泰广场 站会议室 交底内容:1、作业准备1.1 测量放样冠梁施工前测量人员放出开槽上口边线,基坑按常规施工方法用机械开挖配合人工清槽,顶部冠梁位置开挖时每侧加宽 50cm 作为冠梁模板安装工作面,开挖至设计标高。1.2 桩头凿除及清理冠梁施工前需将钻孔桩上部的劣质混凝土凿除,凿毛处理桩芯顶面的混凝土,清除桩顶-浮渣,清洗、调直桩顶钢筋,采纳水泥砂浆将桩头找平。1.3 机具准备拟上场主要施工机械设备表 机械名称规格型号额定功率(kw)或容量(m3)吨位(t)数量(台)挖掘机3001.2m31装载机ZL40B2.0 m31空压机SA5150W8m34卷扬机5T拉力 5T2钢筋调直机GT4/14φ4~φ142沟通弧电焊机BX2-50045 KW3沟通弧电焊机BX3-33021 KW4钢筋弯曲机GW40φ6~φ40mm1砂轮切割机J2G-4001型钢冷弯机LW-251钢筋切割机GQ-40φ6~φ40mm1风镐C11-A20 KW82、施工操作工艺措施及主要做法要求锦泰广场工区明挖段钻孔灌注桩桩顶均设置钢筋混凝土冠梁,冠梁分三个型号,截面尺寸分别为 1500mm×1000mm、1300mm×1000mm、1000mm×800mm,将桩的立筋锚入梁内不小于 35d,冠梁保护层为 50mm,冠梁顶标高为 31.6m。冠梁施工安排在灌注桩施工完成后分阶段进行施工,具体施工工序如图所示。 立模施工准备测量放线基坑开挖破除桩头、绑扎钢筋并做好与支护桩内钢筋的连接验收模板调 整灌注砼养护拆除模板结束下载后可任意编辑各工序施工方法如下:2.1 凿除桩头:桩头凿除采纳机械结合人工凿除,为保证凿除过程中不伤到钻孔桩主筋,主筋之间的混凝土可用风镐凿除,主筋附近的混凝土用人工凿除,四周混凝土凿除完毕后,将主筋向外侧拉出,拉动范围以凿开部分的钢筋与混凝土分开为宜,拉出角度过大,会导致设计桩顶标高以下钢筋保护层的脱落。主筋包围的桩头部位,在钢筋与混凝土分离的位置,四周用风镐水平向桩内凿进,将主筋包围的桩头完全截断,然后用起重设备将桩头吊走。特别地要注意,假如在冠梁设计底标高处仍没有凿到新奇混凝土时,应继续清渣,直到发现新冠梁施工工艺流程框图下载后可任意编辑奇混凝土面层并作凿毛处理。砼施工时将该...

1、当您付费下载文档后,您只拥有了使用权限,并不意味着购买了版权,文档只能用于自身使用,不得用于其他商业用途(如 [转卖]进行直接盈利或[编辑后售卖]进行间接盈利)。
2、本站所有内容均由合作方或网友上传,本站不对文档的完整性、权威性及其观点立场正确性做任何保证或承诺!文档内容仅供研究参考,付费前请自行鉴别。
3、如文档内容存在违规,或者侵犯商业秘密、侵犯著作权等,请点击“违规举报”。

碎片内容

冠梁施工技术交底记录6.11

您可能关注的文档

确认删除?
VIP
微信客服
  • 扫码咨询
会员Q群
  • 会员专属群点击这里加入QQ群
客服邮箱
回到顶部