电脑桌面
添加小米粒文库到电脑桌面
安装后可以在桌面快捷访问

北京市通信公司综合业务楼工程大体积砼施工组织设计方案VIP免费

北京市通信公司综合业务楼工程大体积砼施工组织设计方案_第1页
1/15
北京市通信公司综合业务楼工程大体积砼施工组织设计方案_第2页
2/15
北京市通信公司综合业务楼工程大体积砼施工组织设计方案_第3页
3/15
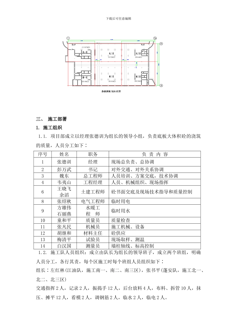
下载后可任意编辑大体积混凝土施工方案一、 编制依据1. 《北京市通信公司综合业务楼》施工组织设计2. 北京东方筑中建设规划设计有限公司设计的《北京市通信公司综合业务楼》施工图纸3. 《地基与基础工程施工质量验收法律规范》(GBJ202)4. 《地下室防水工程施工质量验收法律规范》(GB50208)5. 《混凝土结构工程施工质量验收法律规范》(GB50204)6. 《混凝土质量控制标准》(GB50164)二、 工程概况北京市通信公司综合业务楼工程拟建建筑物包括两栋分别为8层及15层的高层办公楼、中庭、报告厅及地下室,总建筑面积约6万平米。地下室共三层,主要为车库、设备用房、库房、变配电室、柴油发电机室,约1.8万平米;地上建筑总高度60米,主要为办公室、餐厅、多功能厅、会议室等,约4.2万米。拟建建筑物±0.00标高为48.00m,采纳筏板基础,基础埋深17.85 m。底板长度为 110 米,宽度为 60 米;底板厚度为 1.3 米、1.0 米。东西及南北方向均设有后浇带,将底板分成 6 个施工区。底板混凝土强度等级为 C40,抗渗等级为 P12。分区详见下图。下载后可任意编辑三、 施工部署1. 施工组织1.1. 项目部成立以经理张德训为组长的领导小组,负责底板大体积砼的浇筑的质量,人员分工如下∶序号姓名职务负 责 内 容1张德训经理现场总负责、总协调2彭万武书记对外交通、对外关系协调3魏东总工程师人员培训、方案交底,技术协调4韦夷山工程经理人员、机械组织、现场指挥6王晓飞余滔土建工程师砼书面交底及现场技术指导和质量控制8张绍秋电气工程师临时用电9方雄伟石丽燕水暖工程 师临时用水10童和平质量员质量检查11张凡民机械员施工机械、设备12胡继和材料主任砼供应13梅清平试验员现场取样、测温14白汉国测量员墙柱轴线、标高控制1.2. 施工队人员组织:成立由队长为组长的领导班子,成立两个班组,明确人员分工,各行其责,每个区施工时每个班组人员组织如下∶组长∶左红林(江油队,施工南一、南二、南三区),张书平(蓬安队,施工北一、北二、北三区)交通指挥 2 人,记录 2 人,振捣手 12 人,后台放料 4 人,布料、拆管 10 人,抹压、摊平 12 人,看模 2 人,调钢筋 2 人,临水 2 人,临电 2 人。下载后可任意编辑1.3. 施工顺序 根据现场实际情况,底板分 6 个区浇筑,施工顺序为南一区→北一区→南二区→北二区→南三区→北三区,每个区施工时先浇筑集水坑部位,然后浇筑底板,最后浇筑外墙 300mm 高的导...

1、当您付费下载文档后,您只拥有了使用权限,并不意味着购买了版权,文档只能用于自身使用,不得用于其他商业用途(如 [转卖]进行直接盈利或[编辑后售卖]进行间接盈利)。
2、本站所有内容均由合作方或网友上传,本站不对文档的完整性、权威性及其观点立场正确性做任何保证或承诺!文档内容仅供研究参考,付费前请自行鉴别。
3、如文档内容存在违规,或者侵犯商业秘密、侵犯著作权等,请点击“违规举报”。

碎片内容

北京市通信公司综合业务楼工程大体积砼施工组织设计方案

文旅传媒+ 关注
实名认证
内容提供者

传播文化,成就未来

确认删除?
VIP
微信客服
  • 扫码咨询
会员Q群
  • 会员专属群点击这里加入QQ群
客服邮箱
回到顶部