电脑桌面
添加小米粒文库到电脑桌面
安装后可以在桌面快捷访问

压力管道材料-管道施工及验收规范VIP免费

压力管道材料-管道施工及验收规范_第1页
1/9
压力管道材料-管道施工及验收规范_第2页
2/9
压力管道材料-管道施工及验收规范_第3页
3/9
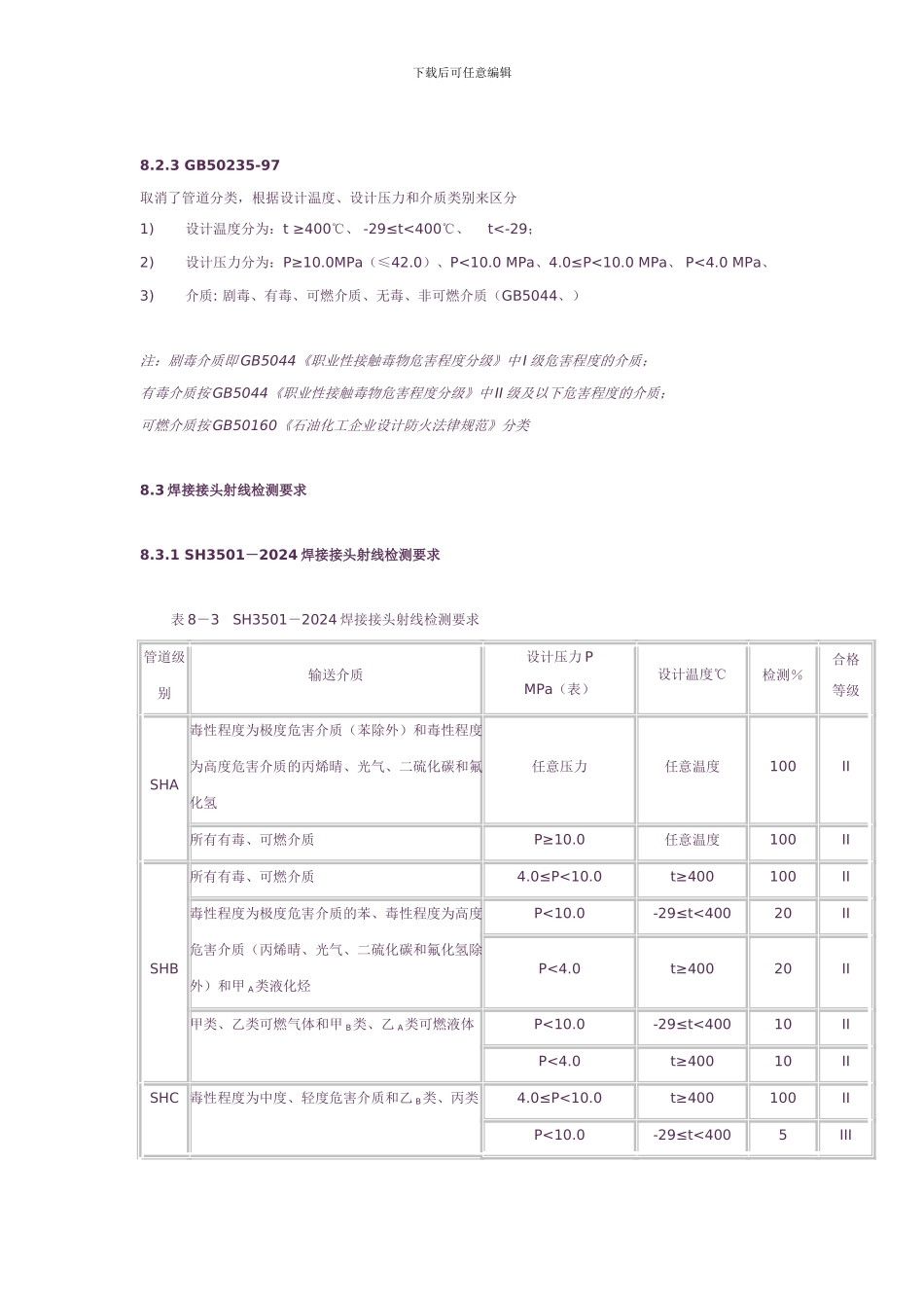
下载后可任意编辑8 管道施工及验收法律规范8.1 综合性施工及验收法律规范8.2 管道分类(级)8.2.1 SH3501-2024 管道分级8.2.2 HG20245-95 管道分级8.2.3 GB50235-978.3 焊接接头射线检测要求8.3.1 SH3501-2024 焊接接头射线检测要求8.3.2 HG20245-1995 焊接接头射线检测要求8.3.3 GB50235-97 焊接接头射线检测要求8.3.4 SH3501、HG 20245、GB50235 的比较8.4 管道的压力及密封试验8.4.1 管道液体试验压力和气体试验压力8.4.2 密封试验8.5 施工验收法律规范的适用范围 8 施工及验收法律规范 8.1 综合性施工及验收法律规范 GB50235-97 工业金属管道工程施工及验收法律规范 GB50236-98 现场设备、工业管道焊接工程施工及验收法律规范 SH3501-2024 石油化工有毒、可燃介质管道工程施工及验收法律规范 HG 20245-95 化工金属管道工程施工及验收法律规范 FJJ211-86 夹套管施工及验收法律规范 GB50184-93 工业金属管道工程质量检验评定标准 SH/T3517-2001 石油化工钢制管道工程施工工艺标准 GBJ126-89 工业设备及管道绝热工程施工及验收法律规范 SY/T0420-97 埋地钢制管道石油沥青防腐层技术标准 HGJ229-91 工业设备、管道防腐蚀工程施工及验收法律规范 SH3022-1999 石油化工设备和管道涂料防腐蚀技术法律规范下载后可任意编辑 SH3010-2000 石油化工设备和管道隔热技术法律规范 CCJ28-89 城市供热网工程施工及验收法律规范 CJJ/T81-98 城镇直埋供热管道工程技术规程 CJJ33-89 城镇燃气输配工程施工及验收法律规范 8.2 管道分类(级)在施工验收法律规范中,不同的介质、不同的操作条件的管道其检测要求是不同的。8.2.1 SH3501-2024 管道分级SH3501 将管道分为 SHA、SHB、SHC、SHD 四个等级。 表 8-1 SH3501-2024 管道分级管道级别适用范围SHA1. 毒性程度为极度危害介质管道(苯管道除外)2. 毒性程度为高度危害介质的丙烯晴、光气、二硫化碳和氟化氢介质管道3. 设计压力大于或等于 10.0MPa 输送有毒、可燃介质管道SHB1. 毒性程度为极度危害介质的苯管道2. 毒性程度为高度危害介质管道(丙烯晴、光气、二硫化碳和氟化氢管道除外)3. 甲类、乙类可燃气体和甲 A类液化烃、甲 B类、乙 A类可燃液体介质管道SHC1. 毒性程度为中度、轻度危害介质管道2. 乙 B类、丙类可燃液体介质管道SHD设计温度低于-29℃的低温管道 8.2.2 HG20245-95 管道分级HG20245...

1、当您付费下载文档后,您只拥有了使用权限,并不意味着购买了版权,文档只能用于自身使用,不得用于其他商业用途(如 [转卖]进行直接盈利或[编辑后售卖]进行间接盈利)。
2、本站所有内容均由合作方或网友上传,本站不对文档的完整性、权威性及其观点立场正确性做任何保证或承诺!文档内容仅供研究参考,付费前请自行鉴别。
3、如文档内容存在违规,或者侵犯商业秘密、侵犯著作权等,请点击“违规举报”。

碎片内容

压力管道材料-管道施工及验收规范

您可能关注的文档

确认删除?
VIP
微信客服
  • 扫码咨询
会员Q群
  • 会员专属群点击这里加入QQ群
客服邮箱
回到顶部