电脑桌面
添加小米粒文库到电脑桌面
安装后可以在桌面快捷访问

综合布线定额VIP免费

综合布线定额_第1页
1/40
综合布线定额_第2页
2/40
综合布线定额_第3页
3/40
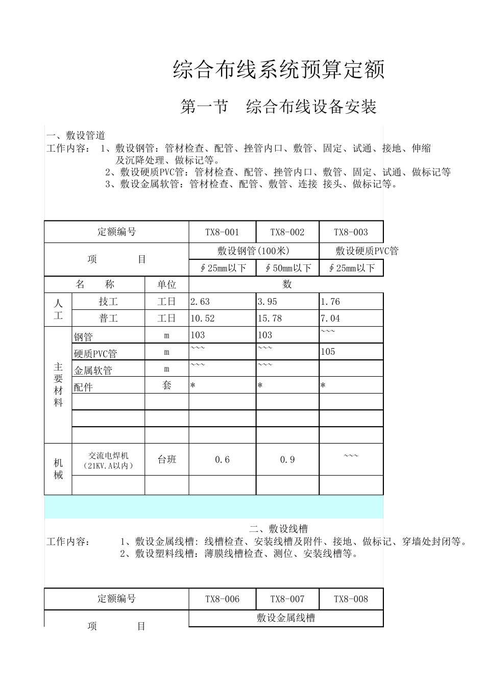
TX8-001TX8-002TX8-003∮25mm以下∮50mm以下∮25mm以下单位技工工日2.633.951.76普工工日10.5215.787.04钢管m103103~~~硬质PVC管m~~~~~~105金属软管m~~~~~~配件套***交流电焊机(21KV.A以内)台班0.60.9~~~TX8-006TX8-007TX8-008项 目敷设金属线槽敷设钢管(100米)敷设硬质PVC管定额编号工作内容: 1、敷设金属线槽: 线槽检查、安装线槽及附件、接地、做标记、穿墙处封闭等。 2、敷设塑料线槽:薄膜线槽检查、测位、安装线槽等。机械人工主要材料综合布线系统预算定额第一节 综合布线设备安装项 目名 称数 定额编号一、敷设管道工作内容: 1、敷设钢管:管材检查、配管、挫管内口、敷管、固定、试通、接地、伸缩 及沉降处理、做标记等。 2、敷设硬质PVC管:管材检查、配管、挫管内口、敷管、固定、试通、做标记等 3、敷设金属软管:管材检查、配管、敷管、连接 接头、做标记等。二、敷设线槽150mm宽以下300mm宽以下300mm宽以上单位技工工日5.857.619.13普工工日17.5522.8227.38金属线槽m105105105塑料线槽m~~~~~~~~~配件套***TX8-011TX8-012TX8-013安装过线(路)盒(半周长)200mm宽以下200mm宽以上明装单位技工工日~~~0.9~~~普工工日0.40.40.4过线(路)盒个1010~~~信息插座底盒或接线盒个~~~~~~10.2项 目主要材料名 称数 人工机械定额编号项 目三、安装过线(路)盒、信息插座底盒(接线盒)工作内容: 开孔、安装盒体、连接处密封、做标记等。数 名 称人工主要材料TX8-018TX8-019TX8-020100mm宽以下300mm宽以下300mm宽以上单位技工工日0.370.410.45普工工日3.333.664.03桥架m10.1010.1010.10配件套***名 称数 定额编号项 目安装吊装式桥架机械要材料备注:1、安装过线(路)盒、包括在线槽上和管路上二种类型均执行本定额 2、明装信息插座底盒的工作内容中无“开孔”工序备注:安装桥架、包括梯形式、托盘式和槽冲式三种类型均执行本定额四、安装桥架工作内容: 安装桥架:固定吊杆或支架、安装桥架、墙上钉固桥架、接地、穿墙处土封堵、做机械人工主要材料单位技工工日普工工日桥架m立柱m配件套五、开槽工作内容:划线定位、开槽、水泥砂浆抹平等。数 ~~~定额编号项 目安装吊装式桥架100mm宽以下300mm宽以10.10名 称人工主要材料10.10~~~*机械备注:垂直安装密封桥架,按本定额工日乘以1.2系数计取。工日~~~TX8-024TX8-02*0.170.221.361.77工日0.07人工技工普工水泥#35要材kg1.00名 称项 目定额编号单位砖槽TX8...

1、当您付费下载文档后,您只拥有了使用权限,并不意味着购买了版权,文档只能用于自身使用,不得用于其他商业用途(如 [转卖]进行直接盈利或[编辑后售卖]进行间接盈利)。
2、本站所有内容均由合作方或网友上传,本站不对文档的完整性、权威性及其观点立场正确性做任何保证或承诺!文档内容仅供研究参考,付费前请自行鉴别。
3、如文档内容存在违规,或者侵犯商业秘密、侵犯著作权等,请点击“违规举报”。

碎片内容

综合布线定额

您可能关注的文档

确认删除?
VIP
微信客服
  • 扫码咨询
会员Q群
  • 会员专属群点击这里加入QQ群
客服邮箱
回到顶部