电脑桌面
添加小米粒文库到电脑桌面
安装后可以在桌面快捷访问

综采工作面供电设计计算VIP免费

综采工作面供电设计计算_第1页
1/24
综采工作面供电设计计算_第2页
2/24
综采工作面供电设计计算_第3页
3/24
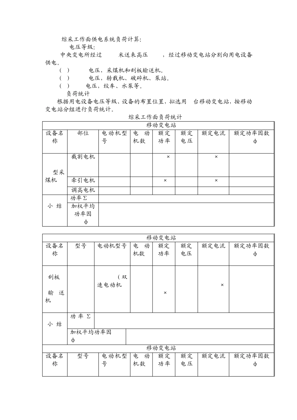
综采工作面供电设计计算 一、已知资料: 3301工作面所在煤层为Ⅲ—2煤,水平为一水平,盘区为三盘区。3301工作面走向长度864m,工作面倾向长度208m,倾角0—3°,煤层厚度2.65—3.35m,平均厚度3.04m,容重1.22*103 kg/ m3,采煤方法为走向长壁后退式一次采全高。 1. 设备选用 1)工作面设备 (1)采煤机,西安煤机有限公司生产的 MG650/1620-WD型电牵引采煤机。总装机功率为1620kW,其中 2台截割电动机,每台功率 650kW,额定电压3300V,额定电流 136A;额定功率因数(cosΦ):0.85,2台交流牵引电动机,每台功率 90kW,额定电压直流 380V,额定电流 169A,额定功率因数(cosΦ):0.87,两台截割电动机不同时起动。 (2)工作面刮板输送机,采用宁夏天地奔牛实业集团有限公司制造的 SGZ1000/1400型输送机,机头及机尾其额定功率为700/350,额定电压(V):3300伏的双速电动机,其额定电流 150/74A。 2)顺槽机电设备 (1)破碎机,采用宁夏天地奔牛实业集团有限公司生产的 PLM3000型破碎机,其额定功率为315kW,额定电压 1140V,额定电流 192A。 (2)转载机,采用宁夏天地奔牛实业集团有限公司生产的 SZZ1000/315型转载机,其额定功率为315kW,额定电压 1140V,额定电流 204.75A。 (3)顺槽带式输送机,采用淮南煤机厂的 SSJ-1200/400型输送机,每部带式输送机额定功率为2×315kW,额定电压 1140V,额定电流 120.8A。带速 3.15m/s,带宽 1.2m。 (4)乳化液泵,无锡威顺煤矿机械有限公司产 BRW400/31.5X4A型 3台,额定功率 250kW,额定电压 1140V,额定电流 146A。 (5)喷雾泵,BPW400/16型,2台,额定功率 125kW,额定电压 1140V,额定电流 46.4A。回柱绞车,JH-20型 2台,额定电压 1140V,额定电流76A。 (6)采煤机、刮板输送机控制开关,采用 8SKC9215-3300-9型磁力真空起动器,额定电压 3300V,额定电流 2×800A(双回路)。 ( 7) 转 载 机 、破 碎 机 、乳 化 泵 、喷 雾 泵 控 制 开 关 ,采 用8SK9215-1350/1140-9型磁力起动器,额定电压 1140V,额定电流 4×450A(四回路)。 二、工作面设备布置如附图 综采工作面供电系统负荷计算: 1. 电压等级: 中央变电所经过2540米送来高压10kV,经过移动变电站分别向用电设备供电。 (1)3300V电压,采煤机和刮板输送机。 (2)1140V电压,转载机、破碎机、泵站。 (3)660V电压,绞车、水泵等。 2. 负荷统计...

1、当您付费下载文档后,您只拥有了使用权限,并不意味着购买了版权,文档只能用于自身使用,不得用于其他商业用途(如 [转卖]进行直接盈利或[编辑后售卖]进行间接盈利)。
2、本站所有内容均由合作方或网友上传,本站不对文档的完整性、权威性及其观点立场正确性做任何保证或承诺!文档内容仅供研究参考,付费前请自行鉴别。
3、如文档内容存在违规,或者侵犯商业秘密、侵犯著作权等,请点击“违规举报”。

碎片内容

综采工作面供电设计计算

您可能关注的文档

确认删除?
VIP
微信客服
  • 扫码咨询
会员Q群
  • 会员专属群点击这里加入QQ群
客服邮箱
回到顶部