电脑桌面
添加小米粒文库到电脑桌面
安装后可以在桌面快捷访问

轨道工程施工质量验收标准(表格)VIP免费

轨道工程施工质量验收标准(表格)_第1页
1/9
轨道工程施工质量验收标准(表格)_第2页
2/9
轨道工程施工质量验收标准(表格)_第3页
3/9
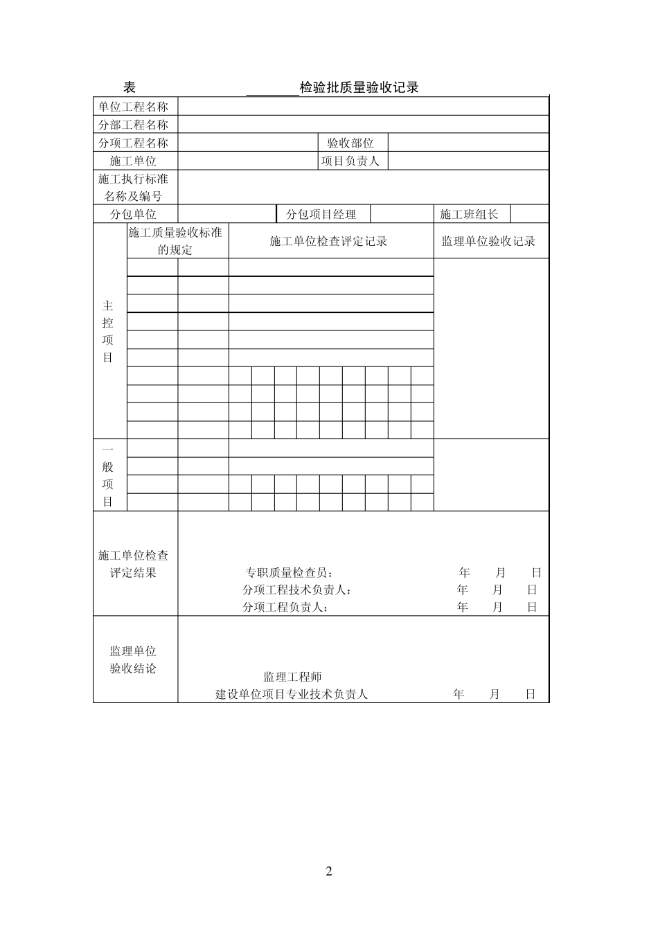
北京市建设工程技术企业标准 QB 编 号:QGD-016-2005 备案号:JQB-058-2005 轨 道 交 通 轨道工程施工质量验收标准 Standard for constructional quality acceptance of track engineering of rail transportation 2005-08-30 发布 2005-09-01 实施 北京市轨道交通建设管理有限公司 1 表3.1.1 施工现场质量管理检查记录 开工日期: 单位工程名称 施工许可证(开工证) 建设单位 项目负责人 设计单位 项目负责人 监理单位 总监理工程师 施工单位 项目经理 项目技术负责人 序号 项 目 内 容 1 开工报告 2 现场质量管理制度 3 质量责任制 4 工程质量检验制度 5 施工技术标准、设计文件 6 施工图现场核对情况 7 交接桩、施工复测及测量控制网资料 8 施工组织设计、施工方案、环保方案及审批 9 分包方资质及对分包单位管理制度 10 主要专业工种操作上岗证书 11 施工检测设备及计量器具设置 12 材料、设备管理制度 13 检查结论: 总监理工程师 年 月 日 2 表3.4.1 检验批质量验收记录 单位工程名称 分部工程名称 分项工程名称 验收部位 施工单位 项目负责人 施工执行标准名称及编号 分包单位 分包项目经理 施工班组长 主 控 项 目 施工质量验收标准 的规定 施工单位检查评定记录 监理单位验收记录 1 2 3 4 5 6 7 8 9 一 般 项 目 1 2 3 4 施工单位检查评定结果 专职质量检查员: 年 月 日 分项工程技术负责人: 年 月 日 分项工程负责人: 年 月 日 监理单位 验收结论 监理工程师 (建设单位项目专业技术负责人) 年 月 日 3 表3.4.2 分项工程质量验收记录 单位工程名称 分部工程名称 检验批数 施工单位 项目负责人 序 号 检验批部位 施工单位检查 评定结果 监理单位验收结论 1 2 3 4 5 6 7 8 9 10 11 说明: 施工单位检查结论 分项工程技术负责人 年 月 日 监理单位验收结论 监理工程师 年 月 日 4 表3.4.3 分部工程质量验收记录 单位工程名称 施工单位 项目负责人 项目技术负责人 项目质量负责人 序号 分项工程 名称 检验 批数 施工单位 检查评定结果 监理单位验收意见 1 2 3 4 5 6 7 8 9 10 质量控制资料 安全和功能检验 (检测)报告 验 收 单 位 施工单位 项目负责人 年 月 日 勘察设计 单位 项目负责人 年 月 日 监理单位 ...

1、当您付费下载文档后,您只拥有了使用权限,并不意味着购买了版权,文档只能用于自身使用,不得用于其他商业用途(如 [转卖]进行直接盈利或[编辑后售卖]进行间接盈利)。
2、本站所有内容均由合作方或网友上传,本站不对文档的完整性、权威性及其观点立场正确性做任何保证或承诺!文档内容仅供研究参考,付费前请自行鉴别。
3、如文档内容存在违规,或者侵犯商业秘密、侵犯著作权等,请点击“违规举报”。

碎片内容

轨道工程施工质量验收标准(表格)

小辰8+ 关注
实名认证
内容提供者

出售各种资料和文档

确认删除?
VIP
微信客服
  • 扫码咨询
会员Q群
  • 会员专属群点击这里加入QQ群
客服邮箱
回到顶部