电脑桌面
添加小米粒文库到电脑桌面
安装后可以在桌面快捷访问

辐射防护知识VIP免费

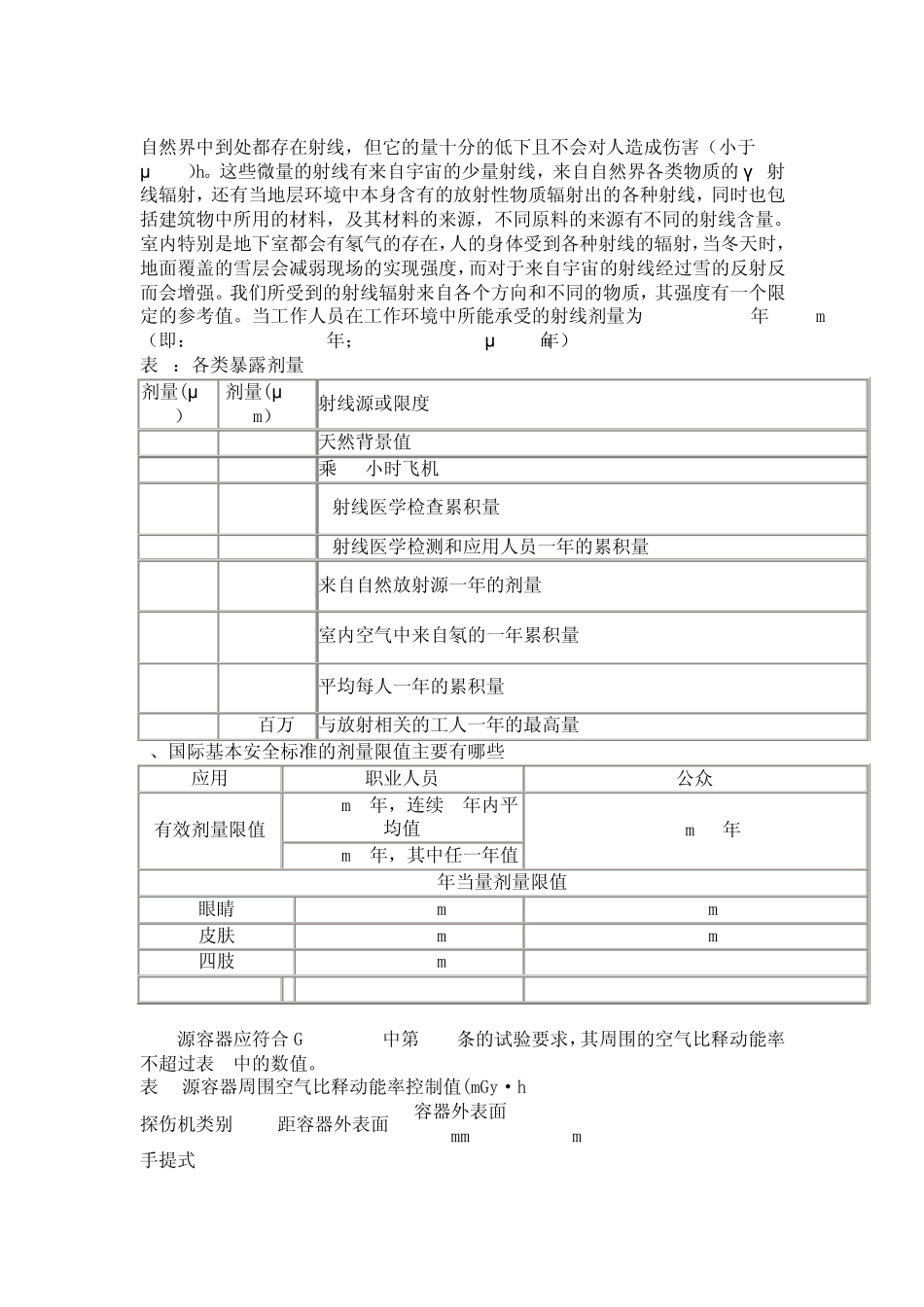
辐射防护知识_第1页
1/7
辐射防护知识_第2页
2/7
辐射防护知识_第3页
3/7
辐 射 防 护 知 识 1、 四 种 常 见 的 射 线 : 在 我 们 的 周 围 到 处 存 在 着 射 线 — 太 阳 光 、 无 线 电 波 、 微 波 、 红 外 线 、 宇 宙 射 线 ,这 些 射 线 都 是 电 磁 波 。 由 于 光 子 的 能 量 较 低 , 强 度 较 小 , 它 们 大 多 是 没 有 危 害 的 。 核 射 线 就 和 它 们 有 很 大 的 不 同 。 1) 它 们 由 α 、 β 和 中 子 组 成 同 γ 射 线 一 样 具 有 很 短 的 波 长 。 2) 它 们 的 能 量 高 到 足 以 使 分 子 离 子 化 导 致 生 物 组 织 遭 到 破 坏 。 核 射 线 有 时 也 叫 做 “ 离 子 射 线 ” 。 受 到 射 线 照 射 的 生 物 体 可 能 使 机 体 遭 到 不 同 程度 的 破 坏 。 这 取 决 于 射 线 源 的 强 度 和 广 度 以 及 采 取 的 防 护 措 施 。 通 常 情 况 下 穿 透力 较 强 的 射 线 是 γ 射 线 和 中 子 射 线 , 它 们 破 坏 性 较 小 , 但 是 防 护 困 难 。 α 、 β射 线 穿 透 力 较 弱 , 破 坏 性 较 大 , 但 是 防 护 比 较 简 单 。 所 有 这 些 放 射 源 都 是 向 四 周空 间时 刻放 射 射 线 。 2γ 射 线 和 X射 线 X和 γ 射 线 都 是 电 磁 波 (光 子 ) 。 唯一 的 区别是 来源 : γ 射 线 是 属于 原子 核 发射 出来的 辐 射 ;X射 线 指的 是 在 原子 核 外 部产生 的 辐 射 。 它 们 和 光 速一 样 快, 能 穿 透 大 多 数物 体 , 在 介质中 穿 过波 长 不 会发生 变化 但 强 度会逐渐减弱 。 Gamma射 线 在 空 气中 传播几乎不 受 影响, 它 可 以 被几英尺的 水, 数英尺的 混凝土, 几英寸的 钢或铅完全阻挡。 由 于 它 不 容易被减弱 , 所 以 能 轻易的检测到 它 的 存 在 , 同 时 人体 也 容易被它 照 射 到 。 多 数放 射 源 在 释放 Gamma射 线 时都 伴随着 释放 出α 、 β 射 线 或中 子 射 线 。 X射 线 能 量 比 γ 射 线 能 量 稍低 。 3、 辐 射 危 害 1、 职业照...

1、当您付费下载文档后,您只拥有了使用权限,并不意味着购买了版权,文档只能用于自身使用,不得用于其他商业用途(如 [转卖]进行直接盈利或[编辑后售卖]进行间接盈利)。
2、本站所有内容均由合作方或网友上传,本站不对文档的完整性、权威性及其观点立场正确性做任何保证或承诺!文档内容仅供研究参考,付费前请自行鉴别。
3、如文档内容存在违规,或者侵犯商业秘密、侵犯著作权等,请点击“违规举报”。

碎片内容

辐射防护知识

小辰5+ 关注
实名认证
内容提供者

出售各种资料和文档

确认删除?
VIP
微信客服
  • 扫码咨询
会员Q群
  • 会员专属群点击这里加入QQ群
客服邮箱
回到顶部