电脑桌面
添加小米粒文库到电脑桌面
安装后可以在桌面快捷访问

输电线路接地隐蔽工程签证单VIP免费

输电线路接地隐蔽工程签证单_第1页
1/61
输电线路接地隐蔽工程签证单_第2页
2/61
输电线路接地隐蔽工程签证单_第3页
3/61
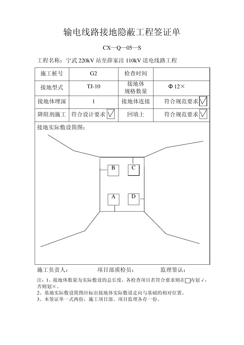
输电线路接地隐蔽工程签证单 CX—Q—05—S 工程名称:宁武220kV 站至薛家洼110kV 送电线路工程 施工桩号 G1 检查时间 接地型式 TJ-10 接地体 规格数量 Φ 12×128 接地体埋深 0.9 接地体连接 符合规范要求 降阻剂施工 符合设计要求 回填土 符合规范要求 接地实际敷设简图: 施工负责人: 项目部质检员: 监理签认: 注:1、接地体数量为实际敷设的总长度,各检查项目若符合要求则在 内划√,否则划×。 2、基地实际敷设简图应标出接地体实际敷设走向与基础的相对位置。 3、本签证单一式两份,施工项目部、项目监理各存一份。 C D A B 输电线路接地隐蔽工程签证单 CX—Q—05—S 工程名称:宁武220kV 站至薛家洼110kV 送电线路工程 施工桩号 G2 检查时间 接地型式 TJ-10 接地体 规格数量 Φ 12×128 接地体埋深 1 接地体连接 符合规范要求 降阻剂施工 符合设计要求 回填土 符合规范要求 接地实际敷设简图: 施工负责人: 项目部质检员: 监理签认: 注:1、接地体数量为实际敷设的总长度,各检查项目若符合要求则在 内划√,否则划×。 2、基地实际敷设简图应标出接地体实际敷设走向与基础的相对位置。 3、本签证单一式两份,施工项目部、项目监理各存一份。 C D A B 输电线路接地隐蔽工程签证单 CX—Q—05—S 工程名称:宁武220kV 站至薛家洼110kV 送电线路工程 施工桩号 G3 检查时间 接地型式 TJ-10 接地体 规格数量 Φ 12×128 接地体埋深 1 接地体连接 符合规范要求 降阻剂施工 符合设计要求 回填土 符合规范要求 接地实际敷设简图: 施工负责人: 项目部质检员: 监理签认: 注:1、接地体数量为实际敷设的总长度,各检查项目若符合要求则在 内划√,否则划×。 2、基地实际敷设简图应标出接地体实际敷设走向与基础的相对位置。 3、本签证单一式两份,施工项目部、项目监理各存一份。 C D A B 输电线路接地隐蔽工程签证单 CX—Q—05—S 工程名称:宁武220kV 站至薛家洼110kV 送电线路工程 施工桩号 G4 检查时间 接地型式 TJ-10 接地体 规格数量 Φ 12×128 接地体埋深 0.9 接地体连接 符合规范要求 降阻剂施工 符合设计要求 回填土 符合规范要求 接地实际敷设简图: 施工负责人: 项目部质检员: 监理签认: 注:1、接地体数量为实际敷设的总长度,各检查项目若符合要求则在 内划√,否则划×。 2、基地实...

1、当您付费下载文档后,您只拥有了使用权限,并不意味着购买了版权,文档只能用于自身使用,不得用于其他商业用途(如 [转卖]进行直接盈利或[编辑后售卖]进行间接盈利)。
2、本站所有内容均由合作方或网友上传,本站不对文档的完整性、权威性及其观点立场正确性做任何保证或承诺!文档内容仅供研究参考,付费前请自行鉴别。
3、如文档内容存在违规,或者侵犯商业秘密、侵犯著作权等,请点击“违规举报”。

碎片内容

输电线路接地隐蔽工程签证单

您可能关注的文档

确认删除?
VIP
微信客服
  • 扫码咨询
会员Q群
  • 会员专属群点击这里加入QQ群
客服邮箱
回到顶部