电脑桌面
添加小米粒文库到电脑桌面
安装后可以在桌面快捷访问

建筑节能施工专项施工方案-VIP免费

建筑节能施工专项施工方案-_第1页
1/12
建筑节能施工专项施工方案-_第2页
2/12
建筑节能施工专项施工方案-_第3页
3/12
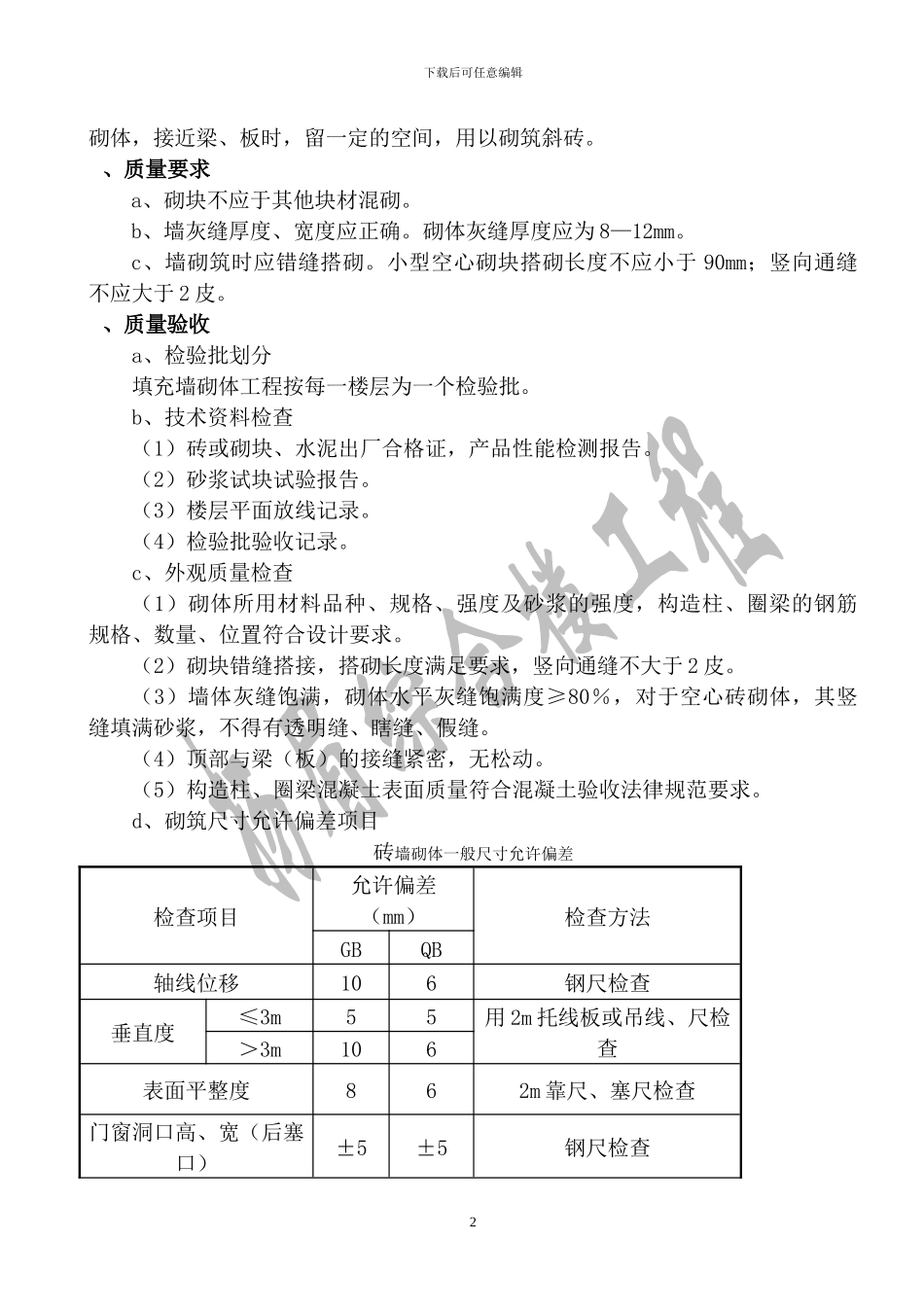
下载后可任意编辑一、编制依据《夏热冬暖地区居住建筑节能设计标准》《公共建筑节能设计标准》《民用建筑热工设计法律规范》《建筑外窗空气渗透性能分级及其检测方法》二、工程概况本工程为办公、综合楼工程,总建筑面积为 1599.43㎡,建筑总高为 12.7m,外墙采纳 240 厚烧结页岩砖。三、工程节能设计说明(一)外墙做法:1、4 厚抗裂砂浆;2、30 厚玻化微珠保温砂浆 p=300;3、240 厚烧结页岩砖;4、20 厚混合砂浆。 (二)屋面做法1、10 厚 C20 细石砼2、20 厚水泥砂浆;3、30 厚挤塑聚苯板 p=25-32;4、2 厚沥青油毡、油毡纸5、20 厚水泥砂浆;6、100 厚钢筋混凝土板;7、20 厚混合砂浆;(三)外窗户1、采纳塑钢窗+中空玻璃(6+12A+6)0下载后可任意编辑四、施工阶段与质量控制主要内容(一)建筑节能各分部施工要点1、外墙工程施工工艺顺序:20 厚混合砂浆→240 厚页岩砖→30 厚玻化微珠保温砂浆→4厚抗裂砂浆;、一般要求a、砌块,其龄期应超过 28 天。b、砌块在运输、装卸过程中,严禁抛掷和倾倒,现场堆置高度不超过 2m。c、砌筑前,块材应提前 2 天浇水湿润。、施工要点a、工艺流程:弹线定位→构造钢筋绑扎→拉结筋焊接→圈梁下砌体砌筑→圈梁、构造柱钢筋、模板、混凝土→圈梁上部砌体砌筑→顶部斜砖砌筑。b、施工工艺:(1)弹线定位:根据建筑图纸和楼层轴线位置,在板上放出隔墙及门洞的位置线,构造柱、门洞抱柱位置线;然后用吊线的方法,将底板上的位置线引至顶板上;最后沿墙体位置线的外侧,弹出墙体施工 50 控制线。(2)构造柱、门口抱柱钢筋绑扎:按线调整结构预留构造柱、门口抱框柱钢筋位置,并预先按箍筋的数量,将箍筋套入构造柱上;绑扎竖向钢筋并与顶部预埋钢筋或预埋件绑扎(或焊接)牢固,然后绑扎箍筋。(3)圈梁下部砌体砌筑:立皮数杆:根据砌块的高度、砂浆的厚度,设置皮数杆,每面墙体两个,用以控制水平砖缝、门洞口高度、圈梁位置。撂底:砌筑前,根据砌块的尺寸和墙体长度进行排砖,确定每层砖的数量及半砖的位置。 砌筑:根据皮数杆的控制线拉通线,砌筑形式采纳梅花钉,砌筑方法采纳:一铲灰、一块砖、一揉压、一灌缝;砌筑时,先从构造柱脚开始,马牙槎应先退后进。每一个马牙槎沿高度方向的尺寸不得超过 30cm;上、下砖缝错开;空心砖灰缝控制在 8~12mm。(4)圈梁、构造柱钢筋、模板、混凝土:砌筑至圈梁底以后,绑扎圈梁钢筋,圈梁主筋与主体结构用预埋钢板或用膨胀...

1、当您付费下载文档后,您只拥有了使用权限,并不意味着购买了版权,文档只能用于自身使用,不得用于其他商业用途(如 [转卖]进行直接盈利或[编辑后售卖]进行间接盈利)。
2、本站所有内容均由合作方或网友上传,本站不对文档的完整性、权威性及其观点立场正确性做任何保证或承诺!文档内容仅供研究参考,付费前请自行鉴别。
3、如文档内容存在违规,或者侵犯商业秘密、侵犯著作权等,请点击“违规举报”。

碎片内容

建筑节能施工专项施工方案-

确认删除?
VIP
微信客服
  • 扫码咨询
会员Q群
  • 会员专属群点击这里加入QQ群
客服邮箱
回到顶部