电脑桌面
添加小米粒文库到电脑桌面
安装后可以在桌面快捷访问

建设项目竣工环境保护验收申请登记卡VIP免费

建设项目竣工环境保护验收申请登记卡_第1页
1/5
建设项目竣工环境保护验收申请登记卡_第2页
2/5
建设项目竣工环境保护验收申请登记卡_第3页
3/5
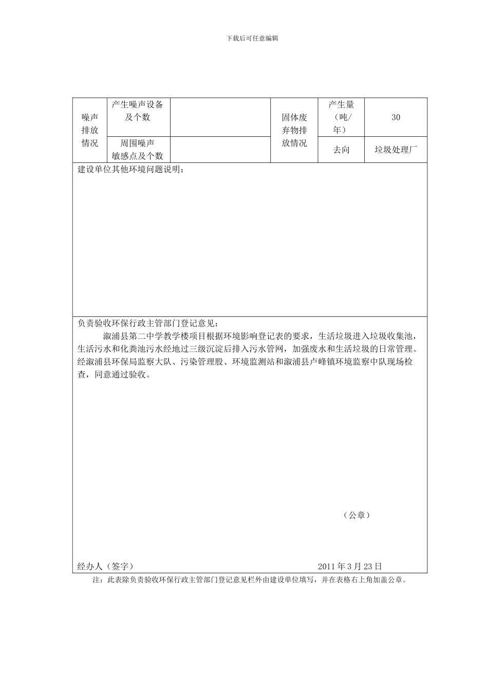
下载后可任意编辑建设项目竣工环境保护验收申请登记卡编号:2024005项目名称溆浦县静安小区建设单位静安小区法人代表张在协联系人及联系电话通讯地址溆浦县邮政编码419300建设地点溆浦县建设性质总 投 资 ( 万元)环保总投资15投资比例4%环评登记表审批部门、文号及时间溆浦县环境保护局 2024014建设项目开工日期、试运行日期2011 年 10 月 20 日 2011 年 05 月 23 日工程占地 460 平方米使用面积 460 平方米审批登记部门主要意见及标准要求: 1、项目投入生产后,严格执行环保“三同时”制度,防止污染。 2、项目竣工后,经环保验收后方能投入生产。项目实施内容规模(包括主要设施规格、数量、产量或经营能力,原辅材料名称、用量水电煤、油等及项目与原登记表变化情况):污染防治措施的落实情况 1、防治垃圾有收集池。 2、生活废水和化粪池有三级沉淀池 1 个 4×3.8×4,沉淀后排入污水处理管网。 废水排放情况用水量20废气排放情况处理设施废水排放量(吨/日)16高度及去向废水排放去向水沟下载后可任意编辑噪声排放情况产生噪声设备及个数固体废弃物排放情况产生量(吨/年)30周围噪声敏感点及个数去向垃圾处理厂建设单位其他环境问题说明:负责验收环保行政主管部门登记意见: 溆浦县第二中学教学楼项目根据环境影响登记表的要求,生活垃圾进入垃圾收集池,生活污水和化粪池污水经地过三级沉淀后排入污水管网,加强废水和生活垃圾的日常管理。经溆浦县环保局监察大队、污染管理股、环境监测站和溆浦县卢峰镇环境监察中队现场检查,同意通过验收。 (公章)经办人(签字) 2011 年 3 月 23 日注:此表除负责验收环保行政主管部门登记意见栏外由建设单位填写,并在表格右上角加盖公章。下载后可任意编辑静安小区主体分部验收座谈会议记录时 间:2008 年 8 月 11 日 地 点:静安小区会议室参加单位人员: 建设单位:施工单位:刘晓军设计单位:监理单位:舒小兵、黄志华质监单位:罗群、主持人:黄志华刘晓军:我已做好主体工程验收报告,请各位先看看(见报告)。黄志华:今日是一个很主要的主体验收,请大家发表现场看后的看法。梁军平:我看主体是基本符合要求,屋面防水处理好,没有到位的地方请各位领导指点意见。刘晓军:今日是主体验收,主体室内是较符合要求,已按施工图施工和整改到位。舒小兵:砼、砂浆的现场还是可以的。资料尽快完善。下载后可任意编辑材料先检后用,避雷带用镀锌...

1、当您付费下载文档后,您只拥有了使用权限,并不意味着购买了版权,文档只能用于自身使用,不得用于其他商业用途(如 [转卖]进行直接盈利或[编辑后售卖]进行间接盈利)。
2、本站所有内容均由合作方或网友上传,本站不对文档的完整性、权威性及其观点立场正确性做任何保证或承诺!文档内容仅供研究参考,付费前请自行鉴别。
3、如文档内容存在违规,或者侵犯商业秘密、侵犯著作权等,请点击“违规举报”。

碎片内容

建设项目竣工环境保护验收申请登记卡

您可能关注的文档

一二三四传媒+ 关注
实名认证
内容提供者

大量资料供您选择,没有合适的可以联系小二。

确认删除?
VIP
微信客服
  • 扫码咨询
会员Q群
  • 会员专属群点击这里加入QQ群
客服邮箱
回到顶部