电脑桌面
添加小米粒文库到电脑桌面
安装后可以在桌面快捷访问

挡墙隐蔽资料VIP免费

挡墙隐蔽资料_第1页
1/7
挡墙隐蔽资料_第2页
2/7
挡墙隐蔽资料_第3页
3/7
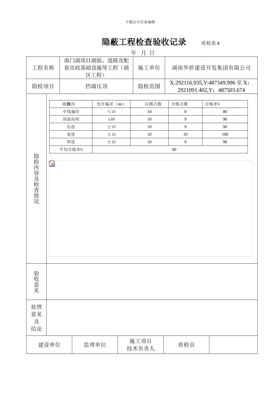
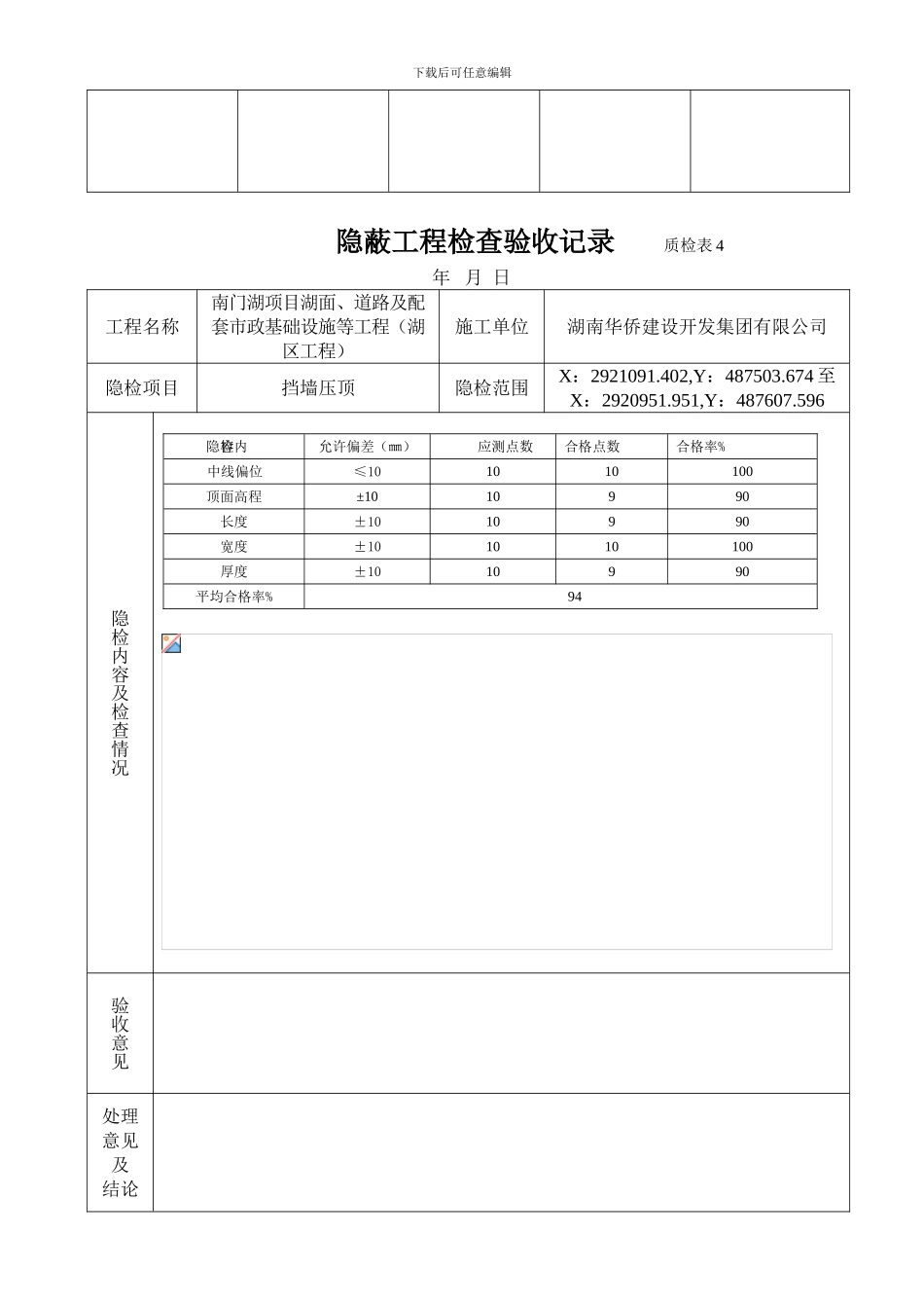
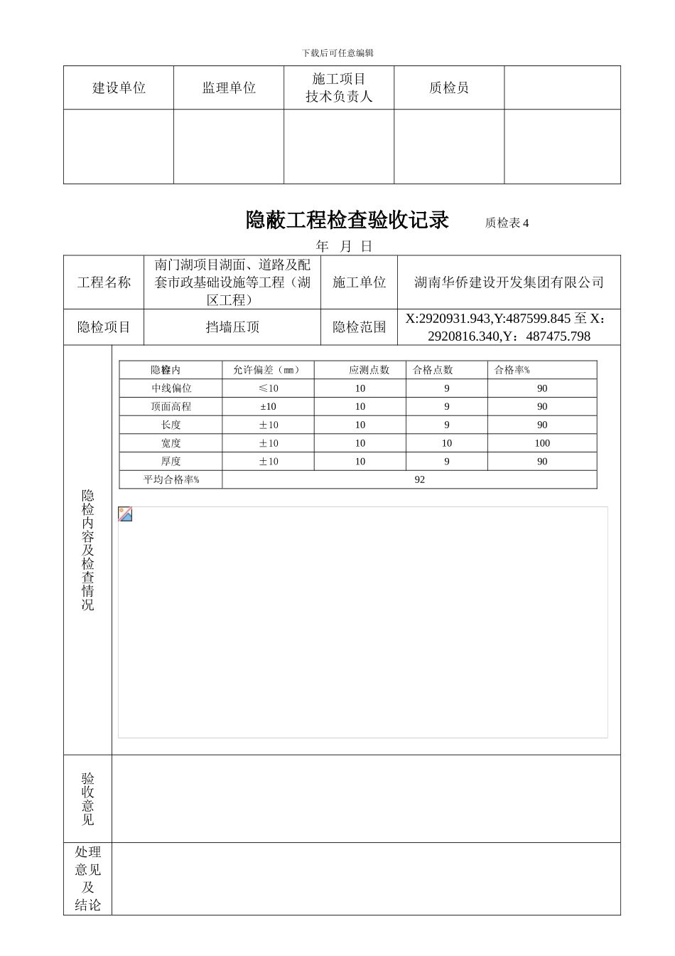
下载后可任意编辑隐蔽工程检查验收记录 质检表 4 年 月 日工程名称南门湖项目湖面、道路及配套市政基础设施等工程(湖区工程)施工单位湖南华侨建设开发集团有限公司隐检项目挡墙压顶隐检范围X:292116.935,Y:487349.996 至 X:2921091.402,Y:487503.674隐检内容及检查情况隐检内容允许偏差(㎜)应测点数合格点数合格率%中线偏位≤1010880顶面高程±1010990长度±1010990宽度±101010100厚度±1010990平均合格率%90验收意见处理意见及结论建设单位监理单位施工项目技术负责人质检员下载后可任意编辑隐蔽工程检查验收记录 质检表 4 年 月 日工程名称南门湖项目湖面、道路及配套市政基础设施等工程(湖区工程)施工单位湖南华侨建设开发集团有限公司隐检项目挡墙压顶隐检范围X:2921091.402,Y:487503.674 至X:2920951.951,Y:487607.596隐检内容及检查情况隐检内容允许偏差(㎜)应测点数合格点数合格率%中线偏位≤101010100顶面高程±1010990长度±1010990宽度±101010100厚度±1010990平均合格率%94验收意见处理意见及结论下载后可任意编辑建设单位监理单位施工项目技术负责人质检员隐蔽工程检查验收记录 质检表 4 年 月 日工程名称南门湖项目湖面、道路及配套市政基础设施等工程(湖区工程)施工单位湖南华侨建设开发集团有限公司隐检项目挡墙压顶隐检范围X:2920931.943,Y:487599.845 至 X:2920816.340,Y:487475.798隐检内容及检查情况隐检内容允许偏差(㎜)应测点数合格点数合格率%中线偏位≤1010990顶面高程±1010990长度±1010990宽度±101010100厚度±1010990平均合格率%92验收意见处理意见及结论下载后可任意编辑建设单位监理单位施工项目技术负责人质检员隐蔽工程检查验收记录 质检表 4 年 月 日工程名称南门湖项目湖面、道路及配套市政基础设施等工程(湖区工程)施工单位湖南华侨建设开发集团有限公司隐检项目挡墙压顶隐检范围X:2920816.340,Y:487475.798 至X:2920851.667,Y:487299.459隐检内容及检查情况隐检内容允许偏差(㎜)应测点数合格点数合格率%中线偏位≤101010100顶面高程±1010990长度±1010990宽度±1010880厚度±1010990平均合格率%90验收意见处理意见下载后可任意编辑及结论建设单位监理单位施工项目技术负责人质检员隐蔽工程检查验收记录 质检表 4 年 月 日工程名称南门湖项目湖面、道路及配套市政基础设施等工程(湖区工程)施工单位湖南华侨建设开发集团有限公司隐检项目挡墙...

1、当您付费下载文档后,您只拥有了使用权限,并不意味着购买了版权,文档只能用于自身使用,不得用于其他商业用途(如 [转卖]进行直接盈利或[编辑后售卖]进行间接盈利)。
2、本站所有内容均由合作方或网友上传,本站不对文档的完整性、权威性及其观点立场正确性做任何保证或承诺!文档内容仅供研究参考,付费前请自行鉴别。
3、如文档内容存在违规,或者侵犯商业秘密、侵犯著作权等,请点击“违规举报”。

碎片内容

挡墙隐蔽资料

您可能关注的文档

确认删除?
VIP
微信客服
  • 扫码咨询
会员Q群
  • 会员专属群点击这里加入QQ群
客服邮箱
回到顶部