电脑桌面
添加小米粒文库到电脑桌面
安装后可以在桌面快捷访问

通风风管施工方案VIP免费

通风风管施工方案_第1页
1/20
通风风管施工方案_第2页
2/20
通风风管施工方案_第3页
3/20
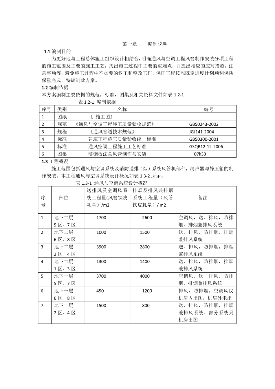
第一章 编制说明 1.1 编制目的 为更好地与工程总体施工组织设计相结合,明确通风与空调工程风管制作安装分项工程的施工范围及主要的施工工艺,找出施工过程中主要的重难点,并提出相应的应对措施,注意事项等,避免施工过程中不必要的返工和整改工作,保证工程按照既定进度计划顺利保质保量完成,特编制此方案。 1.2 编制依据 本方案编制主要依据的规范,标准,图集及相关资料文件如表 1.2-1 表 1.2-1 编制依据 序号 类别 名称 编号 1 图纸 《 施工图》 2 规范 《通风与空调工程施工质量验收规范》 GB50243-2002 3 规程 《通风管道技术规范》 JGJ141-2004 4 标准 建筑工程施工质量验收统一标准 GB50300-2001 5 标准 通风空调工程施工工艺标准 GSQB12-12-2006 6 图集 薄钢板法兰风管制作与安装 07k33 1.3 工程概况 施工范围包括通风与空调系统及消防送排(烟)系统风管机部件,消声器与静压箱的制作安装。本工程通风与空调系统设计概况如表 1.3-2 所示。 表 1.3-1 通风与空调系统设计概况 序 号 部位 送排风及空调风系统工程量(风管铁皮耗量)/m 2 排烟及排风兼排烟系统工程量(风管铁皮耗量)/ m 2 备注 1 地下二层 5 区、7 区 1700 2600 空调风,送、排风,防排烟,排烟兼排风系统 2 地下二层 6 区、8 区 1000 1500 送、排风,防排烟,排烟兼排风系统 3 地下二层 2 区、4 区 3900 2800 送、排风,防排烟,排烟兼排风系统 4 地下二层 1 区、3 区 1300 1400 送、排风,防排烟,排烟兼排风系统 5 地下一层 5 区、7 区 3700 4000 空调风,送、排风,防排烟,排烟兼排风系统 6 地下一层 6 区、8 区 450 1200 排风,防排烟。空调风仅 机房内出图,机房外未出 7 地下一层 2 区、4 区 1500 800 送、排风,防排烟,排烟兼排风系统。部分系统只机房出图 表1.3-1 续表 序 号 部位 送排风及空调风系统工程量( 风管铁皮耗量)/m2 排烟及排风兼排烟系统工程量(风管铁皮耗量)/ m2 备注 8 地下一层 1 区、3 区 400 900 空调风,送、排风,防排烟,排烟兼排风系统。部分系统只机房 9 地下一~三层5 区、7 区 1100 3400 空调风,送、排风,防排烟,排烟兼排风系统。部分系统只机房 10 屋面 900 800 送、排风,防排烟系统 第二章 施工准备 2.1 技术准备 (1) 施工前熟悉施工图纸,认真详细的研究,了解设计...

1、当您付费下载文档后,您只拥有了使用权限,并不意味着购买了版权,文档只能用于自身使用,不得用于其他商业用途(如 [转卖]进行直接盈利或[编辑后售卖]进行间接盈利)。
2、本站所有内容均由合作方或网友上传,本站不对文档的完整性、权威性及其观点立场正确性做任何保证或承诺!文档内容仅供研究参考,付费前请自行鉴别。
3、如文档内容存在违规,或者侵犯商业秘密、侵犯著作权等,请点击“违规举报”。

碎片内容

通风风管施工方案

您可能关注的文档

确认删除?
VIP
微信客服
  • 扫码咨询
会员Q群
  • 会员专属群点击这里加入QQ群
客服邮箱
回到顶部