电脑桌面
添加小米粒文库到电脑桌面
安装后可以在桌面快捷访问

造纸企业安全生产标准化评定标准VIP免费

造纸企业安全生产标准化评定标准_第1页
1/56
造纸企业安全生产标准化评定标准_第2页
2/56
造纸企业安全生产标准化评定标准_第3页
3/56
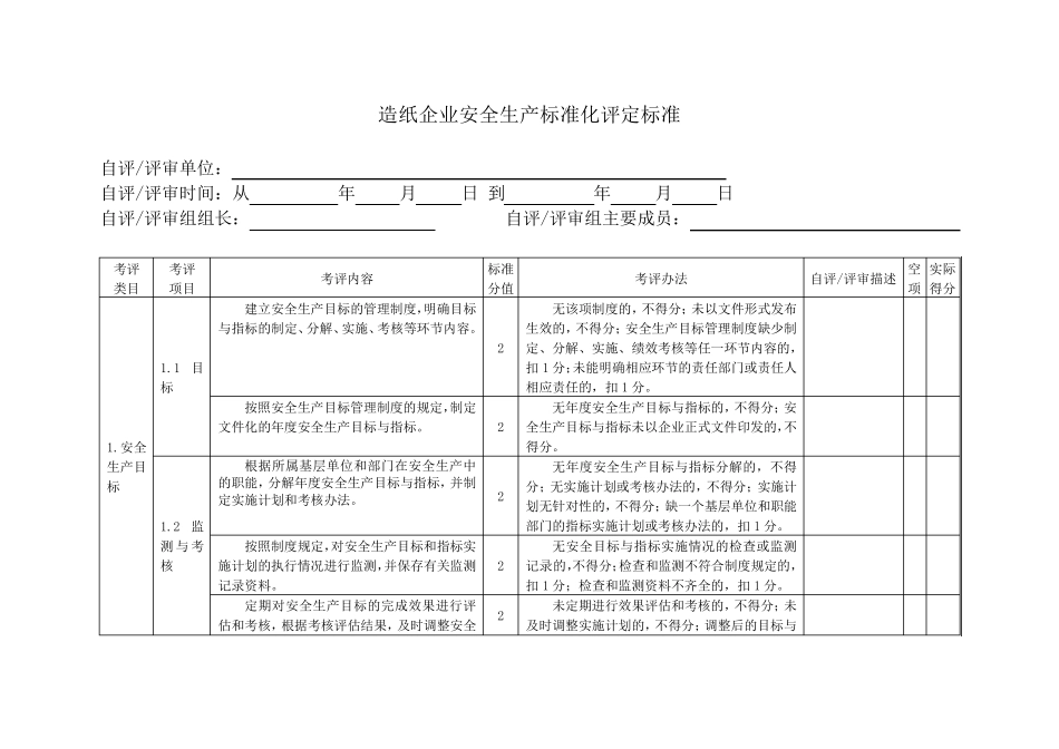
造纸企业安全生产标准化评定标准 考 评 说 明 1.本 评 定 标 准 所 指 的 造 纸 企 业 包 括 具 有 完 整 造 纸 生 产 线 企 业 、生 产造 纸 熟 料 企 业 及 造 纸 粉 磨 站 等 企 业 。 2.本 评 定 标 准 共 13 项 考 评 类 目 、47 项 考 评 项 目 和 197 条 考 评 内 容 。 3.在 本 评 定 标 准 的 “自 评 /评 审 描 述 ”列中,企 业 及 评 审 单位应根据“考 评 内 容 ”和 “考 评 办法”的 有 关要求,针对企 业 实际情况,如实进行扣分点说明、描 述 ,并在 《自 评 扣分点及 原因说明汇总表》(见附表)中逐条 列出。 4.本 评 定 标 准 中累计扣分的 ,直到该考 评 内 容 分数扣完 为止,不得出现负分。 有 需要追加扣分的 ,在 该考 评 类 目 内 进行扣分,也不得出现负分。 5.本 评 定 标 准 共 计 1000 分。 最终评 审 评 分换算成百分制,换算公式如下: 最后得分采用四舍五入,取小数点后一位数。 6.标 准 化等 级分为一级、二级和 三级,一级为最高 。 评 定 所 对应的等 级须 同 时 满 足 评 审 评 分和 安 全 绩 效 等 要求,取最低 的 等 级来 确 定 标 准化等 级(见下表)。 评 定 等 级 评 审 评 分 安 全绩效 一级 ≥90 申 请 评 审 前 一年 内 未 发 生 人 员 死 亡 的 生 产 安 全 事 故 。 二级 ≥75 申 请 评 审 前 一年 内 发 生 生 产 安 全 事 故 累计死 亡 不超 过 1 人 。 三级 ≥60 申 请 评 审 前 一年 内 发 生 生 产 安 全 事 故 累计死 亡 不超 过 2 人 。 造纸企业安全生产标准化评定标准 自评/评审单位: 自评/评审时间:从 年 月 日 到 年 月 日 自评/评审组组长: 自评/评审组主要成员: 考评 类目 考评 项目 考评内容 标准 分值 考评办法 自评/评审描述 空项 实际 得分 1.安全生产目标 1.1目标 建立安全生产目标的管理制度,明确目标与指标的制定、分解、实施、考核等环节内容。 2 无该项制度的,不得分;未以文件形式发布生效的,不得分;安全生产目标管理制度缺少制定、分解、实施、绩效考核等任一环节内容的,扣 1 分;未能明确相应环节的责任部门或责任人相应责任的,扣 1 分。 按照...

1、当您付费下载文档后,您只拥有了使用权限,并不意味着购买了版权,文档只能用于自身使用,不得用于其他商业用途(如 [转卖]进行直接盈利或[编辑后售卖]进行间接盈利)。
2、本站所有内容均由合作方或网友上传,本站不对文档的完整性、权威性及其观点立场正确性做任何保证或承诺!文档内容仅供研究参考,付费前请自行鉴别。
3、如文档内容存在违规,或者侵犯商业秘密、侵犯著作权等,请点击“违规举报”。

碎片内容

造纸企业安全生产标准化评定标准

您可能关注的文档

确认删除?
VIP
微信客服
  • 扫码咨询
会员Q群
  • 会员专属群点击这里加入QQ群
客服邮箱
回到顶部