电脑桌面
添加小米粒文库到电脑桌面
安装后可以在桌面快捷访问

钢材和连接的强度设计值VIP免费

钢材和连接的强度设计值_第1页
1/48
钢材和连接的强度设计值_第2页
2/48
钢材和连接的强度设计值_第3页
3/48
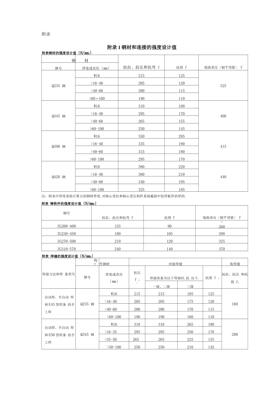
附录附录 1 钢材和连接的强度设计值附表钢材的强度设计值〔N/mm2〕钢材抗拉、抗压和抗弯 f抗剪 f端面承压〔刨平顶紧〕 f牌号厚度或直径〔mm〕Q235 钢W16215125325>16-40205120>40-60200115>60〜100190110Q345 钢W16310180400>16-40295170>40-60265155>60-100250145Q390 钢W16350205415>16-40335190>40-60315180>60-100295170Q420 钢W16380220440>16-40360210>40-60340195>60-100325185注:附表中厚度系指计算点的钢材厚度,对轴心受拉和轴心受压构件系指截面中较厚板件的厚的.附表 铸铁件的强度设计值〔N/mm2〕钢号抗拉、抗压和抗弯 f抗剪 f端面承压〔刨平顶紧〕 fZG200-40015590ce260ZG230-450180105290ZG270-500210120325ZG310-570240140370附表 焊缝的强度设计值〔N/mm2〕焊接方法和焊 条型号构?件钢材对接焊缝角焊缝牌号厚度或直径 〔mm〕抗压f wc焊接质量为以下等级时,抗 拉 fw抗剪 f w抗拉、抗压 和抗剪 fw一级、二级三级自动焊、半自动 焊和 E43 型焊条 的手工焊Q235 钢W16215215185125160>16-40205205175120>40-60200200170115>60-100190190160110自动焊、半自动 焊和 E50 型焊条 的手工焊Q345 钢W16310310265180200>16-35295295250170>35-50265265225155>50-100250250210145自动焊、半自动 焊和 E55 型焊条 的手工焊Q390 钢W16350350300205220>16-35335335285190>35-50315315270180>50〜100295295250170Q420 钢W16380380320220220>16-35360360305210>35-50340340290195>50-100325325275185注:1 自动焊和半自动焊所采用的焊丝和焊剂,应保证其熔敷金属的力学性能不低于现行国家标准?埋弧焊用碳钢焊丝和焊剂?GB/T 5293 和?低合金钢埋弧焊用焊剂?GB/T 12470 中相关的规定.2 焊缝质量等级应符合现行国家标准?钢结构工程施工质量验收标准?GB 50205 的规定.其中厚度小于 8mm 钢材的对接焊缝,不应采用超声波探伤确定焊缝质量等级.3 对接焊缝在受压区的抗弯强度设计值取 fw,在受拉区的抗弯强度设计值取 fw. ct4 附表中厚度系指计算点的钢材厚度,对轴心受拉和轴心受压构件系指截面中较厚板件的厚度.附表螺栓连接的强度设计值〔N/mm2〕螺栓的性能等级、锚栓和构 件钢材的牌号普通螺栓锚栓承压型连接高强度螺 栓C 级螺栓A 级、B 级螺栓抗拉 f b 抗剪 f b 承压 f b 抗拉 f b 抗剪 f b 承压 f b 抗拉 f b 抗拉 f b 抗剪 f b 承压 f b普通螺栓级、级t170v140tv...

1、当您付费下载文档后,您只拥有了使用权限,并不意味着购买了版权,文档只能用于自身使用,不得用于其他商业用途(如 [转卖]进行直接盈利或[编辑后售卖]进行间接盈利)。
2、本站所有内容均由合作方或网友上传,本站不对文档的完整性、权威性及其观点立场正确性做任何保证或承诺!文档内容仅供研究参考,付费前请自行鉴别。
3、如文档内容存在违规,或者侵犯商业秘密、侵犯著作权等,请点击“违规举报”。

碎片内容

钢材和连接的强度设计值

确认删除?
VIP
微信客服
  • 扫码咨询
会员Q群
  • 会员专属群点击这里加入QQ群
客服邮箱
回到顶部