电脑桌面
添加小米粒文库到电脑桌面
安装后可以在桌面快捷访问

风险分级管控表格VIP免费

风险分级管控表格_第1页
1/25
风险分级管控表格_第2页
2/25
风险分级管控表格_第3页
3/25
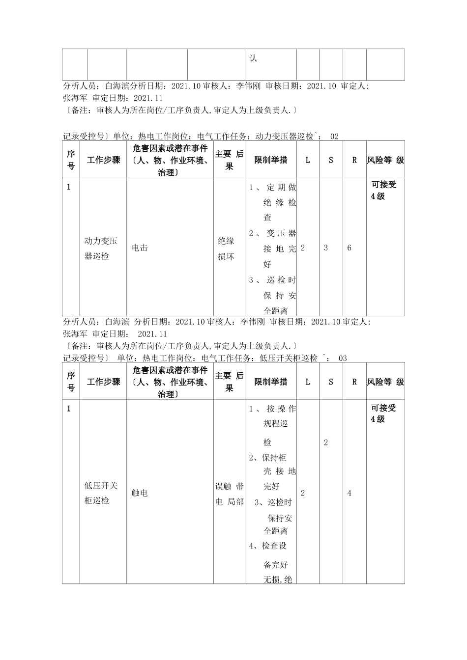
风险分级管控表 1 作业活动清单〔记录受控号〕:单位:热电车间 N9:序号岗位/地点作业活动活动频率雌1高压配电室高压开关柜分合闸特定时间进行2变压器室动力变压器巡检频繁进行3低压配电室低压开关柜巡检频繁进行4高压配电室高压开关柜巡检频繁进行5高压配电室高压变频器巡检频繁进行6变压器室变压器检修特定时间进行7设备现场高压电动机检修特定时间进行8设备现场低压电动机检修特定时间进行9整流现场整流变压器检修特定时间进行10整流现场整流柜检修特定时间进行11消防泵站消防泵巡检频繁进行12环保工段脱硫塔检修定期进行13环保工段除尘器电极板检修特定时间进行14锅炉工段锅炉点炉特定时间进行15锅炉工段锅炉检修定期进行16锅炉工段锅炉炉内检修特定时间进行17环保工段除尘器检修特定时间进行18锅炉工段锅炉巡检频繁进行19汽机工段汽轮机检修特定时间进行〔活动频率:频繁进行、特定时间进行、定期进行.〕表 2-2 工作危害分析〔JHA〕评价表〔记录受控号〕单位:热电工作岗位:电气工作任务高压开关柜分合闸^: 01序 号 工作步 骤危害因素或潜 在事件〔人、 物、作业环境、 治理〕主要后果限制举措LSR风险等 级1高压开 关分合 闸操作电击绝 缘 不 好 造 成电击1 、 定 期 做 绝 缘 检 查2 、 采 用 机 械 机 构 间 接 操 作3 、 设 备 损 坏 及 时 更换4 、 戴 绝 缘 手 套 , 穿 绝缘靴224可接受 4级机械伤害操 作 机 构 碰 伤1 、 操 作 时 严 格 按 规 程 操 作2 、 裸 露 部 分 防 护 罩齐全122可忽略 5级误操作未 按 核 准 的 操 作 程 序 操 作 造 成 误 操 作1、提前办理 作业票2、可以提前 模拟操作3 、 一 人 操 作 , 一 人 监 护,读票确122可忽略 5级认分析人员:白海滨分析日期:2021.10 审核人:李伟刚 审核日期:2021.10 审定人:张海军 审定日期:2021.11〔备注:审核人为所在岗位/工序负责人,审定人为上级负责人.〕记录受控号〕单位:热电工作岗位:电气工作任务:动力变压器巡检^: 02序 号工作步骤危害因素或潜在事件 〔人、物、作业环境、 治理〕主要 后果限制举措LSR风险等 级1动力变压 器巡检电击绝缘 损坏1 、 定 期 做 绝 缘 检 查2 、 变 压 器 接 地 完 好3 、 巡 检 时 保 持 安 全距离236可接受 4 级分析人员:白海滨 分析日期:2021.10 审核人:李伟刚 审...

1、当您付费下载文档后,您只拥有了使用权限,并不意味着购买了版权,文档只能用于自身使用,不得用于其他商业用途(如 [转卖]进行直接盈利或[编辑后售卖]进行间接盈利)。
2、本站所有内容均由合作方或网友上传,本站不对文档的完整性、权威性及其观点立场正确性做任何保证或承诺!文档内容仅供研究参考,付费前请自行鉴别。
3、如文档内容存在违规,或者侵犯商业秘密、侵犯著作权等,请点击“违规举报”。

碎片内容

风险分级管控表格

您可能关注的文档

精品文库+ 关注
实名认证
内容提供者

该用户很懒,什么也没介绍

确认删除?
VIP
微信客服
  • 扫码咨询
会员Q群
  • 会员专属群点击这里加入QQ群
客服邮箱
回到顶部