电脑桌面
添加小米粒文库到电脑桌面
安装后可以在桌面快捷访问

木家具产品出厂检验报告VIP免费

木家具产品出厂检验报告_第1页
1/6
木家具产品出厂检验报告_第2页
2/6
木家具产品出厂检验报告_第3页
3/6
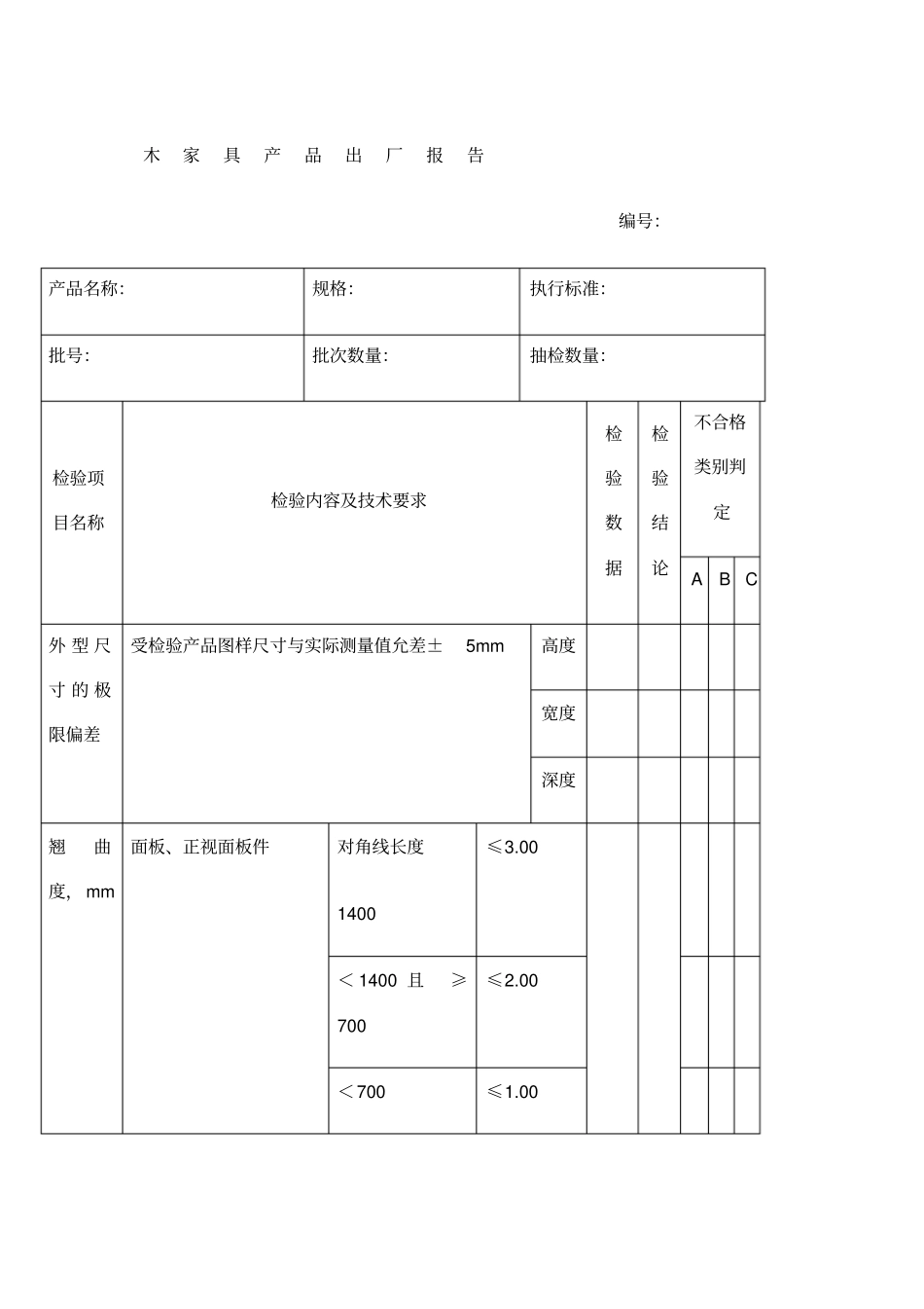
木家具产品出厂报告编号:产品名称:规格:执行标准:批号:批次数量:抽检数量:检验项目名称检验内容及技术要求检验数据检验结论不合格类别判定A B C 外 型 尺寸 的 极限偏差受检验产品图样尺寸与实际测量值允差±5mm高度宽度深度翘曲度, mm面板、正视面板件对角线长度1400≤3.00< 1400 且≥700≤2.00<700≤1.00底 脚 平稳 性 ,mm底脚平稳性≤2平整度面板、正视面板件≤0.2邻 边 垂直度面板对角线长度≤2.5框架对角线长度≥1000<1000允许值≤3.00≤2.00位差度门与框架、门与门相邻表面间距离偏差 (非设计要求的距离)≤2.00抽屉与框架、抽屉与门、抽屉与抽屉相邻两表面间距离偏差(非设计要求的距离)≤1.00分缝抽屉嵌装式上、左、右分缝≤1.50盖装式抽屉面背面与框架平面的间隙≤1.50下垂抽屉下垂≤20.0度 、 摆动度摆动≤15.0用 料 要求1. 各类家具的同一单位产品采用树种的质地应相似,同一胶拼树种应无明显差异,针阔叶材不得混同使用。2. 虫蛀材须经杀虫处理,不得使用昆虫尚在侵蚀的木材3. 可见部位不得使用腐朽料,内部或封闭部位用材轻微腐朽面积不超过零件面积的15%,深度不得超过材厚的25%。4. 外表及存放物品部位的用材不得有树脂囊。5. 产品主要受力部位用材的斜纹程度超过20%的不得使用。6. 节子宽度不超过可见材宽的1/3 ,直径不超过12 mm的,经过修补加工后不影响产品结构强度和外观的,可以使用。7. 其他轻微材质缺陷, 如裂缝(贯通裂缝除外)、钝棱等,应进行修补加工,不影响产品结构强度和外观的,可以使用。8. 木材含水率应不高于产品加上所在地区的年平均木材平衡含水率加 1%。9. 影响产品结构强度或外观的贯通裂缝的木制零件不用。木 工 要求1 人造板制成的部件应进行封边处理。2. 薄木和其他材料的贴面不允许有脱胶、鼓泡。3. 榫接合处不允许断榫。4. 榫及零部件结合应严密、牢固。5. 塞角,栏屉条等支承零件的结合应牢固。装板部件的配合不得松动。6. 启闭零件和配件应使用灵活7. 各种配件安装不得有少件、漏钉、透钉合格系数为 0.7 8. 薄木和其他材料的铁面的拼贴应严密、平整,不允许有明显透胶各种配件安装应严密、平整、端正、牢固;结合处应无崩茬或松动。外表的倒楞、圆角、圆线应均匀一致。不涂饰部位粗糙度:内部Ra3.2— 12.5 μ M(细光),隐蔽处 Ra>12.5 μ M(粗光)。合格系数为 0.7 9. 车木的线条应一致, 凹凸台级应匀称; 对称部位应...

1、当您付费下载文档后,您只拥有了使用权限,并不意味着购买了版权,文档只能用于自身使用,不得用于其他商业用途(如 [转卖]进行直接盈利或[编辑后售卖]进行间接盈利)。
2、本站所有内容均由合作方或网友上传,本站不对文档的完整性、权威性及其观点立场正确性做任何保证或承诺!文档内容仅供研究参考,付费前请自行鉴别。
3、如文档内容存在违规,或者侵犯商业秘密、侵犯著作权等,请点击“违规举报”。

碎片内容

木家具产品出厂检验报告

确认删除?
VIP
微信客服
  • 扫码咨询
会员Q群
  • 会员专属群点击这里加入QQ群
客服邮箱
回到顶部