电脑桌面
添加小米粒文库到电脑桌面
安装后可以在桌面快捷访问

机修厂供配电系统设计方案VIP免费

机修厂供配电系统设计方案_第1页
1/50
机修厂供配电系统设计方案_第2页
2/50
机修厂供配电系统设计方案_第3页
3/50
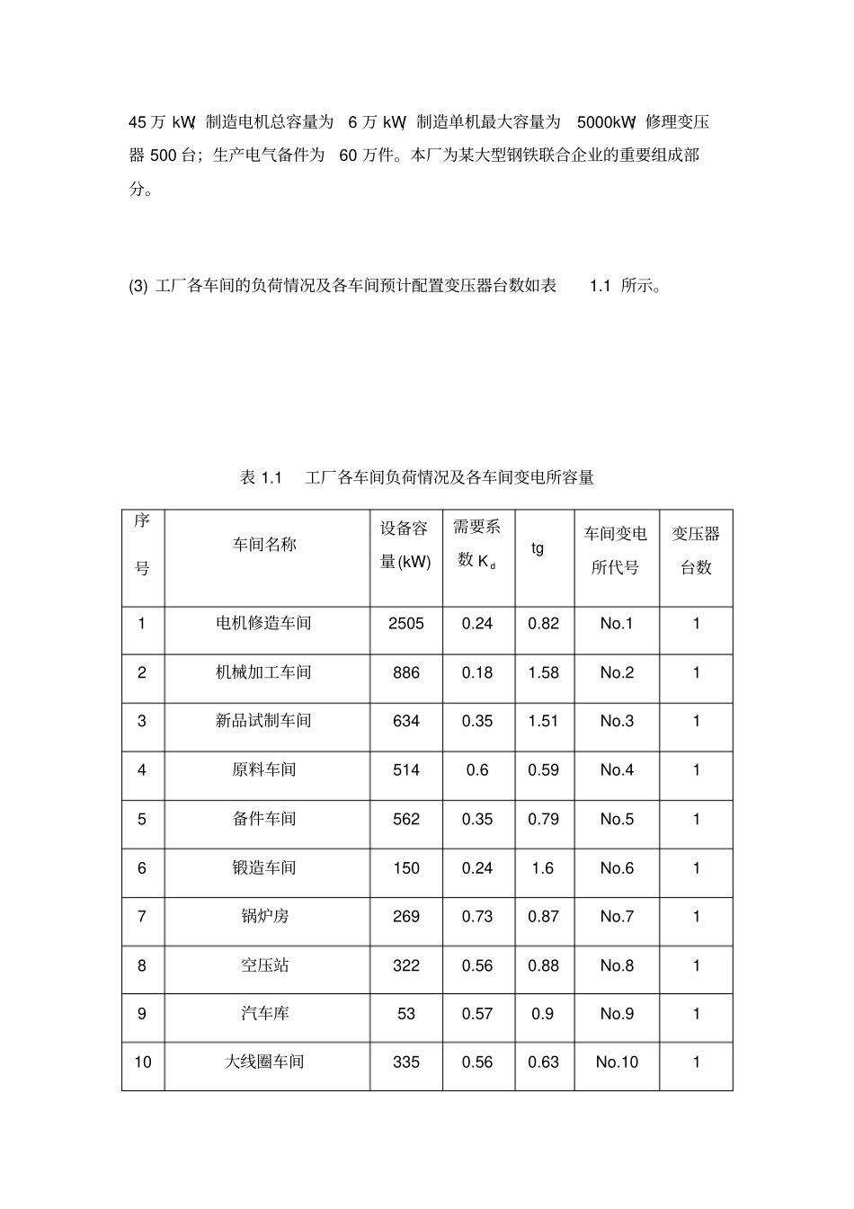
机修厂供配电系统设计方案第一章电力工程课程设计任务书1.1 原始资料本厂承担某大型钢铁联合企业各附属厂的电机、变压器修理和制造任务。年生产规模为修理电机7500 台,总容量为45 万 kW;制造电机总容量为6 万kW,制造单机最大容量为5000kW;修理变压器 500 台;生产电气备件为60 万件。本厂为某大型钢铁联合企业的重要组成部分。(1) 工厂总平面布置图如下:成品试验站No.12电机修造车间No.1半成品试验站No.11新品试制车间No.3原料车间No.4机械加工车间No.2汽车库办公楼自行车停放场门卫No.9大线圈车间No.10锅炉房No.7食堂俱乐部备件车间No.5空压站No.8浴池泵房水池水塔锻造车间No.6木工车间车间变电所注:比例: 1:5000N图 1.1 工厂总平面布置图(2) 工厂的生产任务、规模及产品规格:本厂承担某大型钢铁联合企业各附属厂的电机、变压器修理和制造任务。年生产规模为修理电机7500 台,总容量为45 万 kW;制造电机总容量为6 万 kW,制造单机最大容量为5000kW;修理变压器 500 台;生产电气备件为60 万件。本厂为某大型钢铁联合企业的重要组成部分。(3) 工厂各车间的负荷情况及各车间预计配置变压器台数如表1.1 所示。表 1.1 工厂各车间负荷情况及各车间变电所容量序号车间名称设备容量(kW) 需要系数dKtg车间变电所代号变压器台数1 电机修造车间2505 0.24 0.82 No.1 1 2 机械加工车间886 0.18 1.58 No.2 1 3 新品试制车间634 0.35 1.51 No.3 1 4 原料车间514 0.6 0.59 No.4 1 5 备件车间562 0.35 0.79 No.5 1 6 锻造车间150 0.24 1.6 No.6 1 7 锅炉房269 0.73 0.87 No.7 1 8 空压站322 0.56 0.88 No.8 1 9 汽车库53 0.57 0.9 No.9 1 10 大线圈车间335 0.56 0.63 No.10 1 11 半成品试验站1217 0.3 0.79 No.11 1 12 成品试验站2290 0.28 0.75 No.12 1 13 加压站( 10kV 专供负荷)256 0.64 0.85 ——1 14 设备处仓库( 10kV 专供负荷)560 0.6 0.85 ——1 15 成品试验站大型集中负荷3600 0.8 0.8 主要为 35kV 高压整流装置,要求专线供电。(4) 供电协议:1. 当地供电部门可提供两个供电电源,供设计部门选择:1)从某 220/35kV 区域变电站提供电源,此区域变电站距工厂南侧4.5km。2)从某 35/10kV变电所,提供 10kV 备用电源,此变电所距工厂南侧约4km。2. 电力系统的短路数据,如表1.2 ,其供电系统图,如图1.2 ...

1、当您付费下载文档后,您只拥有了使用权限,并不意味着购买了版权,文档只能用于自身使用,不得用于其他商业用途(如 [转卖]进行直接盈利或[编辑后售卖]进行间接盈利)。
2、本站所有内容均由合作方或网友上传,本站不对文档的完整性、权威性及其观点立场正确性做任何保证或承诺!文档内容仅供研究参考,付费前请自行鉴别。
3、如文档内容存在违规,或者侵犯商业秘密、侵犯著作权等,请点击“违规举报”。

碎片内容

机修厂供配电系统设计方案

确认删除?
VIP
微信客服
  • 扫码咨询
会员Q群
  • 会员专属群点击这里加入QQ群
客服邮箱
回到顶部