电脑桌面
添加小米粒文库到电脑桌面
安装后可以在桌面快捷访问

机械制造技术基础试卷及答案VIP免费

机械制造技术基础试卷及答案_第1页
1/4
机械制造技术基础试卷及答案_第2页
2/4
机械制造技术基础试卷及答案_第3页
3/4
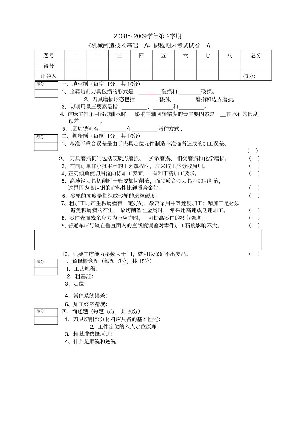
2008~2009学年第 2学期《机械制造技术基础A》课程期末考试试卷A 题号一二三四五六七八总分得分评卷人核分:一、填空题(每空 1分,共 10分)1、金属切削刀具破损的形式是破损和破损。2、刀具磨损形态包括磨损、磨损和边界磨损。3、切削用量三要素是指、和。4、镗床主轴采用滑动轴承时, 影响主轴回转精度的最主要因素是轴承孔的圆度误差。5、.圆周铣削有和两种方式 . 二、判断题(每题 1分,共 10分)1、基准不重合误差是由于夹具定位元件制造不准确所造成的加工误差。()2、 刀具磨损机制包括硬质点磨损、扩散磨损、 相变磨损和化学磨损。()3、在制订单件小批生产的工艺规程时,应采取工序分散原则。()4、正刃倾角使切屑流向待加工表面, 有利于精加工要求。()5、高速钢刀具切削时一般要加切削液,而硬质合金刀具不加切削液,这是因为高速钢的耐热性比硬质合金好。()6、砂轮的硬度是指组成砂轮的磨粒硬度。()7、粗加工时产生积屑瘤有一定好处,故常采用中等速度加工;精加工是必须避免积屑瘤的产生, 故切削塑性金属时, 常采用高速或低速加工。()8、零件表面残余应力为压应力时,可提高零件的疲劳强度。()9、普通车床导轨在垂直面内的直线度误差对零件加工精度影响不大。()10、只要工序能力系数大于 1,就可以保证不出废品。()三、解释概念题(每题 3分,共 15分)1、工艺规程:2、粗基准:3、定位:4、常值系统误差:5、加工经济精度:四、简述题(每题 5分,共 20分)1、刀具切削部分材料应具备的基本性能:2、工件定位的六点定位原理:3、精基准选择原则:4、什么是顺铣和逆铣得分得分得分得分五、试画出 45度外圆车刀在正交平面参考系的标注几何角度。(本题 10分)————————¤ ————— ¤ ———————————装订线 ————————¤ ———————¤——————七、分析题(第 1题7分,第 2题5分,共 12分)1、指出下列定位元件所限自由度数及具体限制自由度方向(7分)2、修改下列机械加工结构工艺性不当处(5分)———————¤ ————— ¤ ———————————装订线 ————————¤ ———————¤ ———————八、计算题(第 1题8分,第 2题7分,本题 15分)1、如图,带键槽齿轮孔,其加工工序为:(1)镗内孔至0.10039.6mm (2)插键槽至尺寸 A mm (3)热处理 (淬火) (4)磨内孔至尺寸0.05040mm同时保证键槽深度尺寸0.34043....

1、当您付费下载文档后,您只拥有了使用权限,并不意味着购买了版权,文档只能用于自身使用,不得用于其他商业用途(如 [转卖]进行直接盈利或[编辑后售卖]进行间接盈利)。
2、本站所有内容均由合作方或网友上传,本站不对文档的完整性、权威性及其观点立场正确性做任何保证或承诺!文档内容仅供研究参考,付费前请自行鉴别。
3、如文档内容存在违规,或者侵犯商业秘密、侵犯著作权等,请点击“违规举报”。

碎片内容

机械制造技术基础试卷及答案

文库当当响+ 关注
实名认证
内容提供者

该用户很懒,什么也没介绍

确认删除?
VIP
微信客服
  • 扫码咨询
会员Q群
  • 会员专属群点击这里加入QQ群
客服邮箱
回到顶部