电脑桌面
添加小米粒文库到电脑桌面
安装后可以在桌面快捷访问

机械工业管理进步示范企业评价标准VIP免费

机械工业管理进步示范企业评价标准_第1页
1/13
机械工业管理进步示范企业评价标准_第2页
2/13
机械工业管理进步示范企业评价标准_第3页
3/13
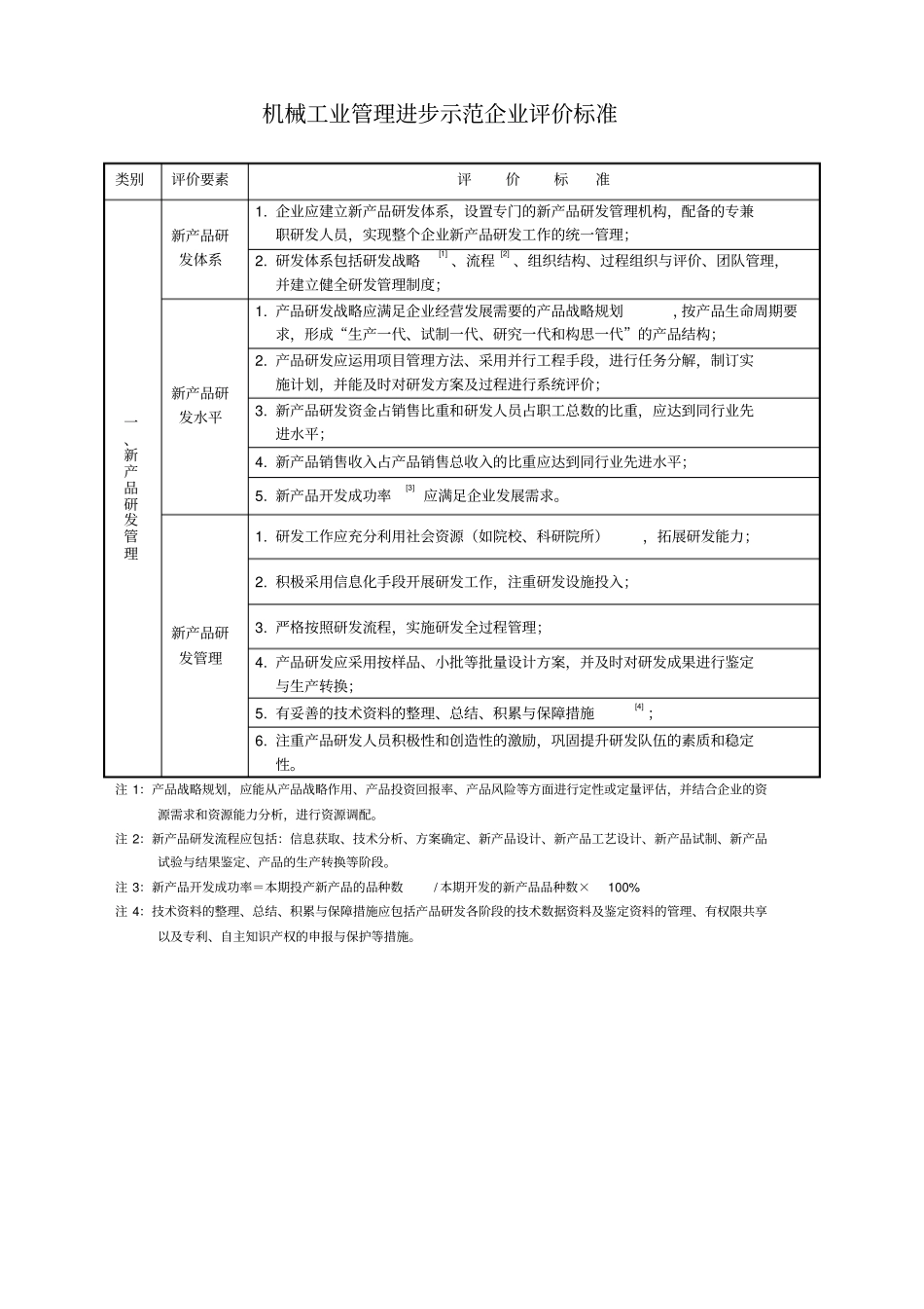
机械工业管理进步示范企业评价标准类别评价要素评价标准一、新产品研发管理新产品研发体系1. 企业应建立新产品研发体系,设置专门的新产品研发管理机构,配备的专兼职研发人员,实现整个企业新产品研发工作的统一管理;2. 研发体系包括研发战略[1] 、流程[2] 、组织结构、过程组织与评价、团队管理,并建立健全研发管理制度;新产品研发水平1. 产品研发战略应满足企业经营发展需要的产品战略规划,按产品生命周期要求,形成“生产一代、试制一代、研究一代和构思一代”的产品结构;2. 产品研发应运用项目管理方法、采用并行工程手段,进行任务分解,制订实施计划,并能及时对研发方案及过程进行系统评价;3. 新产品研发资金占销售比重和研发人员占职工总数的比重,应达到同行业先进水平;4. 新产品销售收入占产品销售总收入的比重应达到同行业先进水平;5. 新产品开发成功率[3] 应满足企业发展需求。新产品研发管理1. 研发工作应充分利用社会资源(如院校、科研院所),拓展研发能力;2. 积极采用信息化手段开展研发工作,注重研发设施投入;3. 严格按照研发流程,实施研发全过程管理;4. 产品研发应采用按样品、小批等批量设计方案,并及时对研发成果进行鉴定与生产转换;5. 有妥善的技术资料的整理、总结、积累与保障措施[4] ;6. 注重产品研发人员积极性和创造性的激励,巩固提升研发队伍的素质和稳定性。注 1:产品战略规划,应能从产品战略作用、产品投资回报率、产品风险等方面进行定性或定量评估,并结合企业的资源需求和资源能力分析,进行资源调配。注 2:新产品研发流程应包括:信息获取、技术分析、方案确定、新产品设计、新产品工艺设计、新产品试制、新产品试验与结果鉴定、产品的生产转换等阶段。注 3:新产品开发成功率=本期投产新产品的品种数/ 本期开发的新产品品种数×100% 注 4:技术资料的整理、总结、积累与保障措施应包括产品研发各阶段的技术数据资料及鉴定资料的管理、有权限共享以及专利、自主知识产权的申报与保护等措施。类别评价要素评价标准二、生产管理生产管理体系1. 企业应依据企业的发展战略,以精益思想为指导,建立以信息化为基础的,以及时响应顾客需求为宗旨的,能有效进行增值转换过程的生产管理体系[1] ;2. 企业要有指定专(兼)职人员和机构,负责生产管理体系的运行和优化;3. 企业要制定完整的,能保证生产效率不断提高的生产管理制度。生产管理要求1. 企业要不断完善的...

1、当您付费下载文档后,您只拥有了使用权限,并不意味着购买了版权,文档只能用于自身使用,不得用于其他商业用途(如 [转卖]进行直接盈利或[编辑后售卖]进行间接盈利)。
2、本站所有内容均由合作方或网友上传,本站不对文档的完整性、权威性及其观点立场正确性做任何保证或承诺!文档内容仅供研究参考,付费前请自行鉴别。
3、如文档内容存在违规,或者侵犯商业秘密、侵犯著作权等,请点击“违规举报”。

碎片内容

机械工业管理进步示范企业评价标准

爱的疯狂+ 关注
实名认证
内容提供者

该用户很懒,什么也没介绍

确认删除?
VIP
微信客服
  • 扫码咨询
会员Q群
  • 会员专属群点击这里加入QQ群
客服邮箱
回到顶部