电脑桌面
添加小米粒文库到电脑桌面
安装后可以在桌面快捷访问

施工单位安全管理资料组卷分类表VIP免费

施工单位安全管理资料组卷分类表_第1页
1/7
施工单位安全管理资料组卷分类表_第2页
2/7
施工单位安全管理资料组卷分类表_第3页
3/7
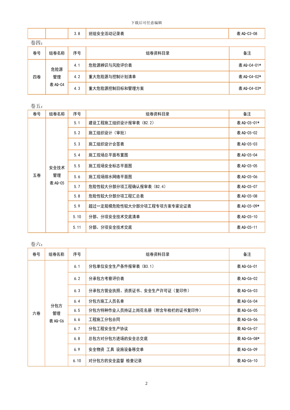
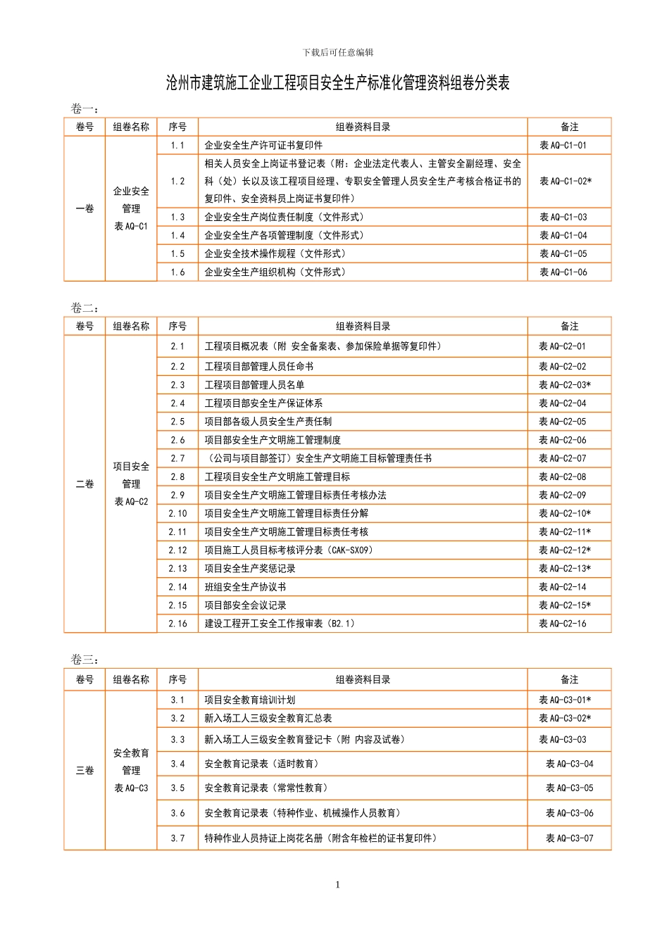
下载后可任意编辑沧州市建筑施工企业工程项目安全生产标准化管理资料组卷分类表卷一:卷号组卷名称序号组卷资料目录备注一卷企业安全管理表 AQ-C11.1企业安全生产许可证书复印件表 AQ-C1-011.2相关人员安全上岗证书登记表(附:企业法定代表人、主管安全副经理、安全科(处)长以及该工程项目经理、专职安全管理人员安全生产考核合格证书的复印件、安全资料员上岗证书复印件)表 AQ-C1-02*1.3企业安全生产岗位责任制度(文件形式)表 AQ-C1-031.4企业安全生产各项管理制度(文件形式)表 AQ-C1-041.5企业安全技术操作规程(文件形式)表 AQ-C1-051.6企业安全生产组织机构(文件形式)表 AQ-C1-06卷二:卷号组卷名称序号组卷资料目录备注二卷项目安全管理表 AQ-C22.1工程项目概况表(附 安全备案表、参加保险单据等复印件)表 AQ-C2-012.2工程项目部管理人员任命书 表 AQ-C2-022.3工程项目部管理人员名单表 AQ-C2-03*2.4工程项目部安全生产保证体系 表 AQ-C2-042.5项目部各级人员安全生产责任制表 AQ-C2-052.6项目部安全生产文明施工管理制度表 AQ-C2-062.7(公司与项目部签订)安全生产文明施工目标管理责任书表 AQ-C2-072.8工程项目安全生产文明施工管理目标表 AQ-C2-082.9项目安全生产文明施工管理目标责任考核办法 表 AQ-C2-092.10项目安全生产文明施工管理目标责任分解表 AQ-C2-10*2.11项目安全生产文明施工管理目标责任考核表 AQ-C2-11*2.12项目施工人员目标考核评分表(CAK-SX09)表 AQ-C2-12*2.13项目安全生产奖惩记录表 AQ-C2-13*2.14班组安全生产协议书表 AQ-C2-142.15项目部安全会议记录表 AQ-C2-15*2.16建设工程开工安全工作报审表(B2.1)表 AQ-C2-16卷三:卷号组卷名称序号组卷资料目录备注三卷安全教育管理表 AQ-C33.1项目安全教育培训计划表 AQ-C3-01*3.2新入场工人三级安全教育汇总表表 AQ-C3-02*3.3新入场工人三级安全教育登记卡(附 内容及试卷)表 AQ-C3-033.4安全教育记录表(适时教育)表 AQ-C3-043.5安全教育记录表(常常性教育)表 AQ-C3-053.6安全教育记录表(特种作业、机械操作人员教育)表 AQ-C3-063.7特种作业人员持证上岗花名册(附含年检栏的证书复印件)表 AQ-C3-071下载后可任意编辑3.8班组安全活动记录表表 AQ-C3-08卷四:卷号组卷名称序号组卷资料目录备注四卷危险源管理表 AQ-C44.1危险源辨识与风险评价表表 AQ-C4-01*4.2重大危险源与控制计划清单表 AQ-C4-02*4.3重...

1、当您付费下载文档后,您只拥有了使用权限,并不意味着购买了版权,文档只能用于自身使用,不得用于其他商业用途(如 [转卖]进行直接盈利或[编辑后售卖]进行间接盈利)。
2、本站所有内容均由合作方或网友上传,本站不对文档的完整性、权威性及其观点立场正确性做任何保证或承诺!文档内容仅供研究参考,付费前请自行鉴别。
3、如文档内容存在违规,或者侵犯商业秘密、侵犯著作权等,请点击“违规举报”。

碎片内容

施工单位安全管理资料组卷分类表

您可能关注的文档

确认删除?
VIP
微信客服
  • 扫码咨询
会员Q群
  • 会员专属群点击这里加入QQ群
客服邮箱
回到顶部