电脑桌面
添加小米粒文库到电脑桌面
安装后可以在桌面快捷访问

施工计划进度表VIP免费

施工计划进度表_第1页
1/8
施工计划进度表_第2页
2/8
施工计划进度表_第3页
3/8
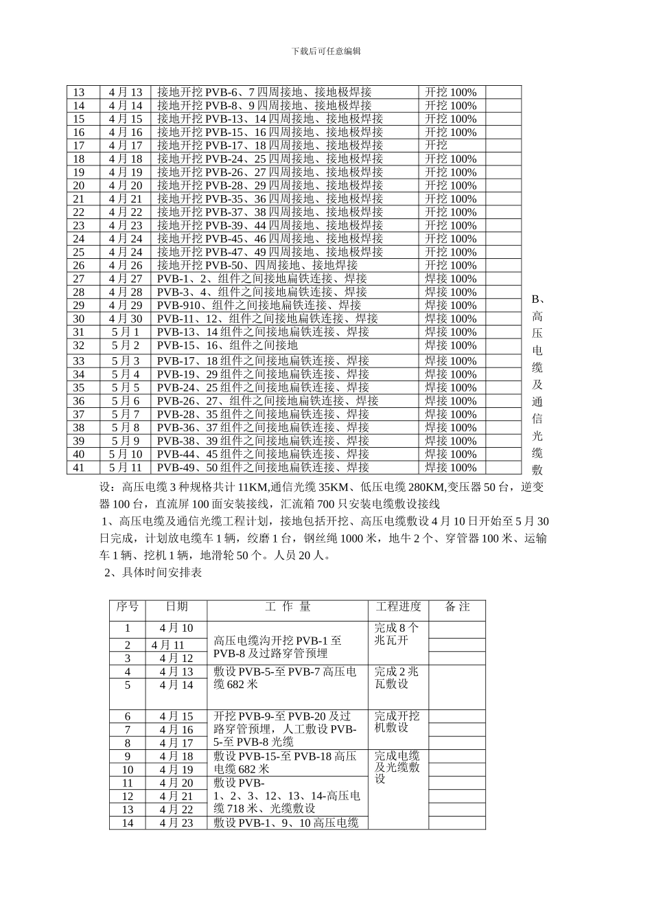
下载后可任意编辑本页为作品封面,下载后可以自由编辑删除,欢迎下载!!! 精 品文档1【精品 word 文档、可以自由编辑!】武威天合民勤 50WMP 太阳能发电厂电气安装施工进度计划表一、工程概况本工程位于甘肃武威市民勤县红沙岗镇,天合 50WMWP 太阳能发电电气安装项目工程,下载后可任意编辑电气项目包括以下几类1、接地2、组件:(架子、电池板)3、电缆:(高压电缆、低压电缆、变压器、直流屏、逆变器等)4、通信 二、施工计划进度及材料到场 三、电气工程量及施工整体计划:工程电气总体包括:接地安装、高压电缆敷设接线、支架安装、太阳能发电板组装、低压电缆敷设接线、通信安装 A 接地安装、接地工程总量接地扁铁 55KM,接地极 730 根 1、接地工程计划,接地包括开挖、接地、接地极焊接 4 月 1 日开始至 5 月 15 日完成,计划发电机 8 台,电焊机 12 台,运输车及发电车辆 4 辆、挖机 1 辆。人员 20 人。 2、具体时间安排表序号日期工作内容材料到场备注14 月 1 日接地开挖接地扁钢到场、接地材料5 月 25 日开挖完毕4 月 5 日组件支架到场5 月 1 日材料进场完毕24 月 10 日 至 4 月 15 日甲供支架、高压电缆、光纤到场光纤及 3*70、3*95 先到场34 月 10支架安装汇流箱、低压电缆、485 光缆进场直流柜、逆变器、变压器等电气设备进场5 月 30 日安装完毕44 月 10高压电缆敷设高压 5 月 30 日敷设完毕低压 6 月 15 日安装完毕44 月 11 日发电板进场5 月 30 日进场完毕54 月 15 日发电板安装6.15 日安装完毕64 月 20 日逆变器室电气就位安装变压器进场逆变器、直流屏进场5 月 20 日就位完毕5 月 10 日就位完毕74 月 11 日逆变室配线6 月 15 日安装完毕84 月 10 日变压器就位接线6 月 1 日安装完毕96 月 16 日调试、复查6 月 20 日调试完毕106 月 21 日验收、修改6 月 26 日三级验收修改完毕注明:其余设备及附件跟随主设备进场序号日期工 作 量工程进度备 注14 月 1接地开挖 PVB-1 四周接地、接地焊接开挖 100%24 月 2接地开挖 PVB-2、 3 四周接地、接地极焊接开挖 100%34 月 3接地开挖 PVB-4、 9 四周接地、接地极焊接开挖 100%44 月 4接地开挖 PVB-10、11 四周接地、接地极焊接开挖 100%54 月 5接地开挖 PVB-12、20 四周接地、接地极焊接开挖 100%64 月 6接地开挖 PVB-21 、21 ...

1、当您付费下载文档后,您只拥有了使用权限,并不意味着购买了版权,文档只能用于自身使用,不得用于其他商业用途(如 [转卖]进行直接盈利或[编辑后售卖]进行间接盈利)。
2、本站所有内容均由合作方或网友上传,本站不对文档的完整性、权威性及其观点立场正确性做任何保证或承诺!文档内容仅供研究参考,付费前请自行鉴别。
3、如文档内容存在违规,或者侵犯商业秘密、侵犯著作权等,请点击“违规举报”。

碎片内容

施工计划进度表

确认删除?
VIP
微信客服
  • 扫码咨询
会员Q群
  • 会员专属群点击这里加入QQ群
客服邮箱
回到顶部