电脑桌面
添加小米粒文库到电脑桌面
安装后可以在桌面快捷访问

机械电子工程专业培养计划VIP免费

机械电子工程专业培养计划_第1页
1/15
机械电子工程专业培养计划_第2页
2/15
机械电子工程专业培养计划_第3页
3/15
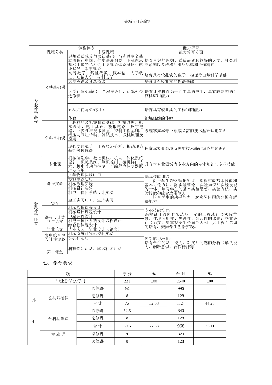
下载后可任意编辑本页为作品封面,下载后可以自由编辑删除,欢迎下载!!! 精 品文档1【精品 word 文档、可以自由编辑!】机械电子工程专业培育计划(本科,学制四年)一、 培育目标本专业培育德、智、体全面进展,熟悉现代机械科学技术,熟悉现代测试与信息处理,掌握机电一体化技术和现代机械设计、制造及自动化技术的基础理论、专业知识、基础技能和进展方向,具有解决工程实际问题能力,具有从事机械产品开发、机械制造企业管理能力的高级工程技术人才。二、 基本要求1.热爱社会主义祖国,拥护中国共产党的领导,具有为国富民强、民族振兴而奋斗的理想、事业心和责任感。2.初步树立科学世界观和为人民服务的人生观,能够以马克思列宁主义、毛泽东思想的下载后可任意编辑基本原理和邓小平理论为指导,仔细贯彻“三个代表”重要思想,坚持解放思想、实事求是、与时俱进。3.具有严谨的治学态度,艰苦奋斗,实干创新的精神和热爱劳动、遵纪守法,自律谦让,团结合作的态度。4.具有较扎实的自然科学基础,较好的人文、艺术和社会科学基础及正确运用本国语言、文字的表达能力。5.系统地掌握力学、机械学、电工电子学、机械工程材料、机电控制理论,现代设计制造及自动化技术,具备本专业领域内某个专业方向所必需的专业知识,了解该学科前沿及进展趋势。6.具有本专业必需的制图、工程计算、实验、测试、文献检索等基本技能及现代制造设备和检测仪器的操作能力。7.具备现代管理知识、工程经济分析能力和基本创业能力。8.具有较强的自学能力、计算机应用能力和创新意识,初步掌握一门外语,能较顺利地阅读本专业的外文书刊,具有听、说、写的基础。9.了解体育运动的基本知识,初步掌握锻炼身体的基本技能,养成科学锻炼身体的习惯,身体健康达到大学生体育合格标准。三、 主干学科主干学科:机械工程、力学、电学、计算机科学与技术 四、 主要课程主要课程:高等数学、大学英语、计算机系列课程、理论力学、材料力学、工程材料及机械制造基础、机械原理、机械设计、电工基础、电路系列课程、控制工程 基础、机械制造学、微机原理及应用、测试技术、机电控制系列课程、机电一体化系统设计。五、 授予学位:工学学士六、 机械电子工程专业课程体系与能力培育下载后可任意编辑七、 学分要求项 目学 分%学 时%毕业总学分/学时2211002540100其中公共基础课必修课64996选修课8128合 计7232.58112444.25学科基础课必修课52.5840选修课8128合...

1、当您付费下载文档后,您只拥有了使用权限,并不意味着购买了版权,文档只能用于自身使用,不得用于其他商业用途(如 [转卖]进行直接盈利或[编辑后售卖]进行间接盈利)。
2、本站所有内容均由合作方或网友上传,本站不对文档的完整性、权威性及其观点立场正确性做任何保证或承诺!文档内容仅供研究参考,付费前请自行鉴别。
3、如文档内容存在违规,或者侵犯商业秘密、侵犯著作权等,请点击“违规举报”。

碎片内容

机械电子工程专业培养计划

文旅传媒+ 关注
实名认证
内容提供者

传播文化,成就未来

确认删除?
VIP
微信客服
  • 扫码咨询
会员Q群
  • 会员专属群点击这里加入QQ群
客服邮箱
回到顶部