电脑桌面
添加小米粒文库到电脑桌面
安装后可以在桌面快捷访问

某工程土方开挖、基坑支护及降水安全专项施工方案VIP免费

某工程土方开挖、基坑支护及降水安全专项施工方案_第1页
1/35
某工程土方开挖、基坑支护及降水安全专项施工方案_第2页
2/35
某工程土方开挖、基坑支护及降水安全专项施工方案_第3页
3/35
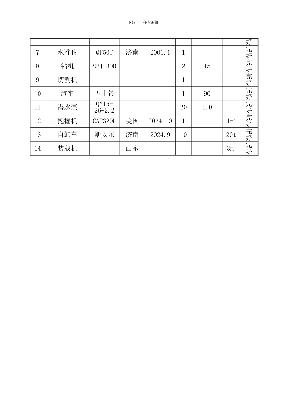
下载后可任意编辑第一部分 综合说明1.工程概况本工程位于××办公室院内。其南侧紧靠原有办公楼,新建地下室基础外墙与原有办公楼地下室基础外墙距离 100mm,原有办公楼基底标高-5.6m;其西侧距离××原有小楼基础约 3.9m,××小楼基础为条形基础,基础埋深 1.7m;其东侧为现场主要交通道路,场地狭窄,土方开挖时对相临建筑物的影响较大,边坡支护尤为重要。 该工程地下两层,地下一层为车库,地下二层为指挥室及相关办公室地下二层南侧靠近原有办公楼位置为消防水池,基底标高-5.7m;其余周边处基底标高为-7.4m,中间指挥室部分基底标高为-8.6m,基底标高复杂,土方开挖时要做好标高控制,严禁超挖。该工程地下水位较高,根据 5 月份地质报告,地下水位埋深 6.0m 左右,因今年雨期降水较多,估量水位有所升高,土方开挖前须做好基坑降水。2.编制依据该施工组织设计的编制主要依据:招标文件及图纸;现行法律规范、规程以及现场实际情况。主要法律规范、规程如下:《建筑边坡工程技术法律规范》(GB50330-2024)《建筑与市政降水工程技术法律规范》(JGJ/T111-1998)《建筑基坑支护技术规程》(JGJ120-1999)《基坑土钉支护技术规程》(CCECE96:97)《锚杆喷射混凝土支护技术法律规范》(GB50086-2001)《建筑地基基础工程施工质量验收法律规范》(GB50202-2024)《建筑施工安全检查标准》(JGJ59-1999)《建筑工程施工质量验收统一标准》(GB50300-2001)《建筑机械使用安全技术规程》(JGJ33-2001)3.总体施工部署3.1 质量目标根据招标文件要求,确保合格,争创优良工程。分项隐蔽工程验收一次合格率 100%,优良率 85%。竣工验收一次合格率 100%,优良率 85%。3.2 工期目标根据招标文件要求,确保总工期 20 天完工,开工日期按业主要求。工期控制点下载后可任意编辑(因开工日期未定,暂按 1 号开始安排工期,待开工日期确定做相应调整)深井开挖: 1—6 号 6d第一步土方开挖; 4—6 号 3d第一步边坡支护: 5--9 号 5d第二步土方开挖: 8--10 号 3d第二步边坡支护: 9--13 号 5d第三步土方开挖: 12--14 号 3d第三步边坡支护: 13--17 号 5d第四步土方开挖: 16--18 号 3d基坑清理: 19--20 号 2d3.3 安全文明施工目标现场施工期间,现场安全文明达到市“安全文明优秀示范施工场地”标准。3.4 施工部署该工程采纳深井降水,场内共设 11 口井,井深 10m,滤管内径 400mm。开工前应协调办理交...

1、当您付费下载文档后,您只拥有了使用权限,并不意味着购买了版权,文档只能用于自身使用,不得用于其他商业用途(如 [转卖]进行直接盈利或[编辑后售卖]进行间接盈利)。
2、本站所有内容均由合作方或网友上传,本站不对文档的完整性、权威性及其观点立场正确性做任何保证或承诺!文档内容仅供研究参考,付费前请自行鉴别。
3、如文档内容存在违规,或者侵犯商业秘密、侵犯著作权等,请点击“违规举报”。

碎片内容

某工程土方开挖、基坑支护及降水安全专项施工方案

您可能关注的文档

文森传品+ 关注
实名认证
内容提供者

一家传播文化教育的小店,资料丰富,随意挑选。

确认删除?
VIP
微信客服
  • 扫码咨询
会员Q群
  • 会员专属群点击这里加入QQ群
客服邮箱
回到顶部