电脑桌面
添加小米粒文库到电脑桌面
安装后可以在桌面快捷访问

水电安装工程质量控制点及其质量控制标准-secretVIP免费

水电安装工程质量控制点及其质量控制标准-secret_第1页
1/5
水电安装工程质量控制点及其质量控制标准-secret_第2页
2/5
水电安装工程质量控制点及其质量控制标准-secret_第3页
3/5
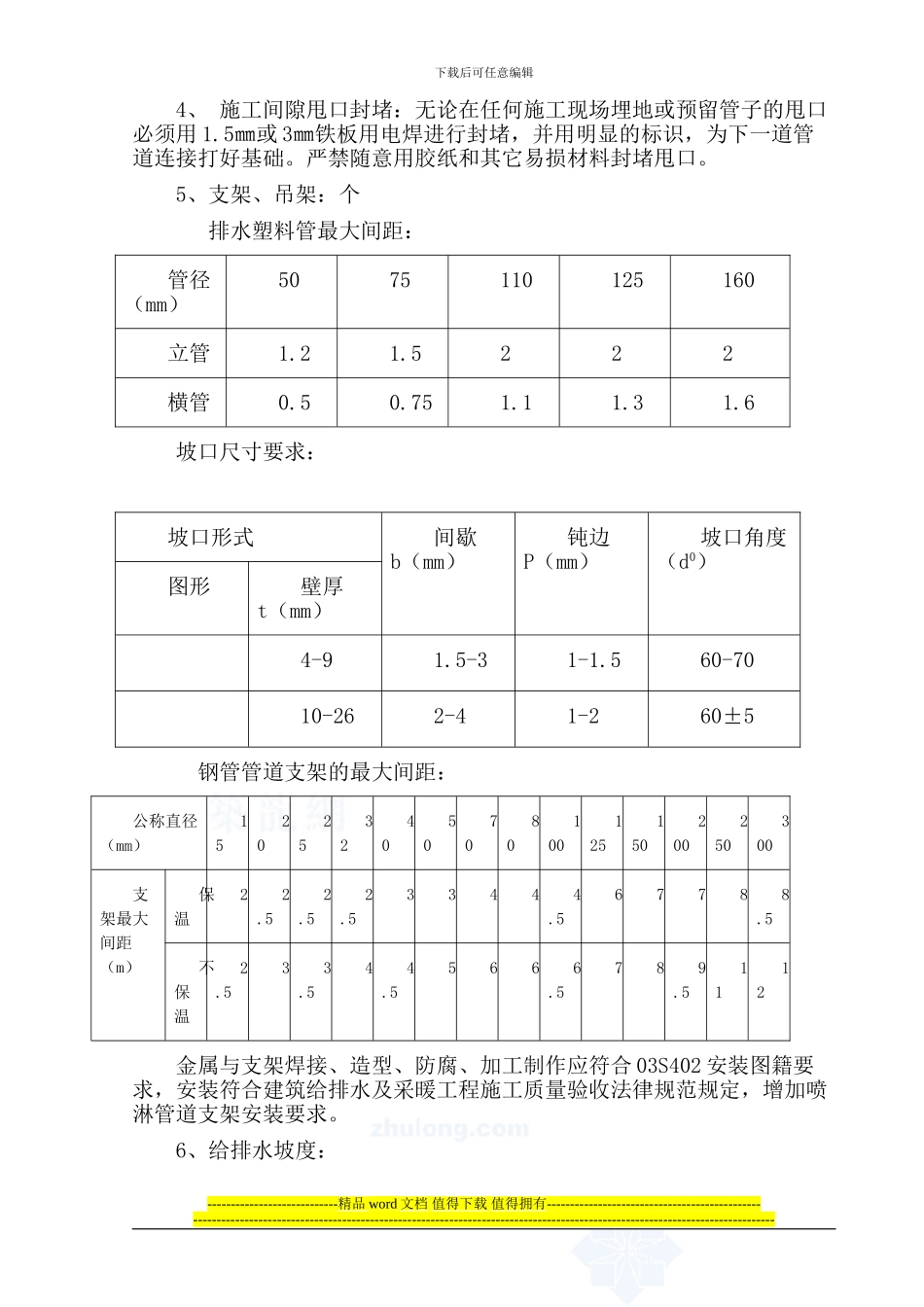
下载后可任意编辑水电安装工程质量控制点及其质量控制标准一、质量控制点:持证上岗(一)、给排水工程1、试压 2、焊接管坡口 3、防腐 4、施工间隙甩口封堵5、支架、吊架 6、排水管坡度 7、检查口、清扫口 8、穿楼面墙面套管 9、室外管网垫层 10、管基回填(二)、电气工程1、线管、线盒 2、防雷跨接 3、等电位 4、室外电力管5、配电箱 6、排水管坡度 7、线缆敷设标识 8、塑料线槽(三)、成品保护1、排水管 2、地漏 3、防雷接地 4、预留点 5、配电箱6、消防箱 7、预留预埋 8、入场钢管 9、阀门 10、金属套管二、质量控制(一)、给排水工程1、试压: 室内给水管道的水压试验必须符合设计及 GB50242 施工质量验收法律规范规定要求,当设计未明时,各种材质的给水管道定位的试验压力均为工作压力的 1.5 倍,但不小于 0.6MPA。给水管道定位交付使用前必须做通试验,做记录隐蔽或埋地的排水管道在隐蔽前必须做灌水试验,其灌水高度应不低于底层卫生器具的上边缘或底层的地面高度。满水15min 水面下降后,再灌满水观察 5min,液面不降,管道及接口无渗漏为合格。 排水立管或水平干管管道均应做通球试验,通球球径不小于排水管道管径 2/3,通球率必须达到 100%,消防管道试验压力为 1.6mpa,保持2 小时无明显渗漏为合格。自动喷水管道试验压力为 1.6mpa。污、废水管道灌水高度为一层楼高,30min 后,液面不下降为合格。以上试压后压力表不能拆卸,应在工作压力下一直保压,据不同管径的管材试压也应不相同。2、 焊接管坡口:据管壁厚度超过 4㎜时就需坡口,其坡口要求为 3米,不论用那种方法,坡口后管口 20-40 毫半内的破口表面必须清除脏、油渍和锈班,直至露出金属本色。3、 防腐:入场钢管需及时除锈刷防锈漆,埋地管道安装严格根据设计要求及 GB50268 规定要求进行,其中玻纤布缠绕管子时必须拉紧压实,再刷沥青漆,再缠布,再刷漆……。焊接处可待试压合格后,并进行防腐处理。----------------------------精品 word 文档 值得下载 值得拥有---------------------------------------------------------------------------------------------------------------------------------------------------------------------------下载后可任意编辑4、 施工间隙甩口封堵:无论在任何施工现场埋地或预留管子的甩口必须用 1.5㎜或 3㎜铁板用电焊进行封堵,并用明显的标识,为下一道管道连接打好基础...

1、当您付费下载文档后,您只拥有了使用权限,并不意味着购买了版权,文档只能用于自身使用,不得用于其他商业用途(如 [转卖]进行直接盈利或[编辑后售卖]进行间接盈利)。
2、本站所有内容均由合作方或网友上传,本站不对文档的完整性、权威性及其观点立场正确性做任何保证或承诺!文档内容仅供研究参考,付费前请自行鉴别。
3、如文档内容存在违规,或者侵犯商业秘密、侵犯著作权等,请点击“违规举报”。

碎片内容

水电安装工程质量控制点及其质量控制标准-secret

您可能关注的文档

津创媒+ 关注
实名认证
内容提供者

欢迎交流文创,小店资料希望满足您的需要。

确认删除?
VIP
微信客服
  • 扫码咨询
会员Q群
  • 会员专属群点击这里加入QQ群
客服邮箱
回到顶部