电脑桌面
添加小米粒文库到电脑桌面
安装后可以在桌面快捷访问

沈阳-黄山路加油站工艺管道施工方案VIP免费

沈阳-黄山路加油站工艺管道施工方案_第1页
1/18
沈阳-黄山路加油站工艺管道施工方案_第2页
2/18
沈阳-黄山路加油站工艺管道施工方案_第3页
3/18
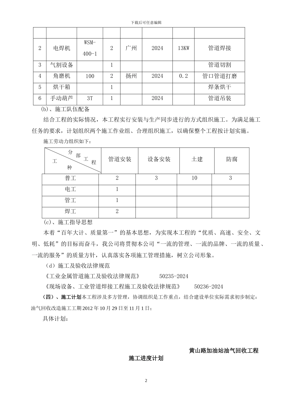
下载后可任意编辑一、施工方案总说明(一)编制说明:中国石化辽宁沈阳石油分公司,黄山路加油站为实现油气回收功能,增加油气回收装置。我公司受中国石化辽宁石油分公司的委托,将承担黄山路加油站油气回收改造项目的工艺部分的施工任务。接到此项任务,我公司十分重视,组织人员认真勘察现场,根据沈阳石油分公司的工期要求制定施工方案。(二)、工程概况工艺部分主要施工内容为:(a)、管道部分:根据油气回收原理及回收装置结构,结合现场情况进行管道(含管件)安装。(b)、油罐部分:由地埋汽油罐人孔法兰盖接入连通管道。(c)土建部分:破除混凝土路面、管沟挖填、增加集油井等。(d)其它部分:加油机增加油气回收接头、增加球阀等。主材选用正规生产厂家的符合国家标准的产品。(三)、施工部署(a)项目组织机构(b)主要施工机械配备拟投入的主要施工机械设备表序号机械设备名称型号规格数量国别产地制造 年份额定功率(kw)用途1切割机1 2024 1KW管道切割项目经理:岳明技术负责人:侯士江现场安全员:梁洪菲质检员:王杨施工负责人:李敬仕1下载后可任意编辑2电焊机WSM-400-12广州202413KW管道焊接3气割设备1管道切割4角磨机1002扬州20240.2管口管道打磨5烘干箱1焊条烘干6手动葫芦3T12024管道吊装(b)、施工队伍配备结合工程的实际情况,本工程实行安装与生产同步进行的方式组织施工。为满足施工任务的要求,计划组织两个施工作业组、合理组织施工,以确保整个工程按计划实施。施工劳动力组织如下:管道安装设备安装土建防腐普工23103电工1管工1焊工2(c)、施工指导思想本着“百年大计、质量第一”的基本思想,为实现本工程的“优质、高速、安全、文明、低耗”的目标而奋斗,我公司将贯彻本公司“一流的管理、一流的品牌、一流的质量、一流的服务”的质量方针,认真落实各项施工管理措施,树立公司形象。(d)施工及验收法律规范《工业金属管道施工及验收法律规范》 50235-2024《现场设备、工业管道焊接工程施工及验收法律规范》 50236-2024(四)、施工计划本工程涉及多方管理,协调组织是工作重点,结合建设单位实际需求初步制定:油气回收改造施工工期 2012 年 10 月 29 日至 11 月 1 日;具体计划: 黄山路加油站油气回收工程施工进度计划2分 部 工 程工种下载后可任意编辑序号施工项目施工日期(天)28 日29 日30 日31 日10 月 1 日1施工准备2土建破地面、挖管沟3管道预制、防腐4管道安装5阀门安装6管...

1、当您付费下载文档后,您只拥有了使用权限,并不意味着购买了版权,文档只能用于自身使用,不得用于其他商业用途(如 [转卖]进行直接盈利或[编辑后售卖]进行间接盈利)。
2、本站所有内容均由合作方或网友上传,本站不对文档的完整性、权威性及其观点立场正确性做任何保证或承诺!文档内容仅供研究参考,付费前请自行鉴别。
3、如文档内容存在违规,或者侵犯商业秘密、侵犯著作权等,请点击“违规举报”。

碎片内容

沈阳-黄山路加油站工艺管道施工方案

您可能关注的文档

确认删除?
VIP
微信客服
  • 扫码咨询
会员Q群
  • 会员专属群点击这里加入QQ群
客服邮箱
回到顶部