电脑桌面
添加小米粒文库到电脑桌面
安装后可以在桌面快捷访问

洁净空调手术室配电施工方案VIP免费

洁净空调手术室配电施工方案_第1页
1/10
洁净空调手术室配电施工方案_第2页
2/10
洁净空调手术室配电施工方案_第3页
3/10
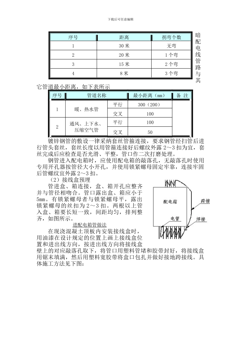
下载后可任意编辑干净空调手术室配电施工方案由于缺少医疗工艺专业,目前设计图中无干净空调手术室的配电设计,也没有相关设备控制的设计。施工时需要在手术室专业人员的指导配合下进行施工。3.1.3.1 深化图设计:工程中标后,以投标时选定的医用设备和干净空调机组的厂家设计为基础,结合手术室专业人员的指导要求,作出干净空调手术室的工艺流程图,经手术室专业人员和设计人员确认后,据此进行配电施工图的二次设计。完成的二次设计再次经手术室专业人员和设计人员确认。3.1.3.2 施工流程:严格根据经确认的深化设计图进行施工,电气工程施工流程如下:3.1.3.3 电气工程预留预埋(1)电气配管所有配管工程以设计图纸为依据,暗配管应沿最近的路线敷设管路敷设要求如下:管路超过下列长度,应加装接线盒,其位置应便于穿线,如下表所示。下载后可任意编辑暗配电线管路与其它管道最小距离,如下表所示序号管道名称最小距离(mm)备 注1暖、热水管平行300(200)交叉1002通风、上下水、压缩空气管平行100交叉50镀锌钢管的敷设一律采纳套丝管箍连接,要求钢管经扫管后进行管头套丝,套丝长度以用管箍连接好后螺纹外露 2~3 扣为宜,套丝完成后应检查是否光滑、平整,管口作二次打磨处理。 钢管进入配电箱时,应使用配电箱的敲落孔,无敲落孔时使用专用开孔器按管径大小开孔,并使用锁紧螺母固定牢靠,连接牢固后管螺纹宜外露 2~3 扣。(2)接线盒预埋管进盒、箱连接,盒、箱开孔应整齐并与管径相吻合。管口露出盒、箱应小于5mm。有锁紧螺母者与锁紧螺母平,露出锁紧螺母的丝扣为 2~3 扣。两根以上管入盒、箱要长短一致,间距均匀,排列整齐,如图所示。进配电箱管做法在现浇混凝土顶板内安装接线盒时,用油漆在设计规定的位置上画上接线盒位置和进出线方向,按进出线方向将接线盒壁上的对应敲落孔取下,将管口用塑料管堵和胶带封好,将接线盒用锯末填满,然后用塑料宽胶带将盒口包扎并做好接地跨接线。具体施工方法见下图:序号距离拐弯个数130 米无弯220 米1 个弯315 米2 个弯48 米3 个弯下载后可任意编辑(3)墙体配管本工程墙体配管采纳一次到位安装方式,在合模板前,定好电盒的准确位置、标高,管直接进入电盒,如图所示:墙体配管根据施工实际情况,暗装配电箱箱体一般是后装,所以进配电箱的电管均是二次到位,施工中要重点保护进出配电箱洞电管,以免进砂浆堵住管路,如图所示:下载后可任意编辑进配电箱管保护现浇混凝...

1、当您付费下载文档后,您只拥有了使用权限,并不意味着购买了版权,文档只能用于自身使用,不得用于其他商业用途(如 [转卖]进行直接盈利或[编辑后售卖]进行间接盈利)。
2、本站所有内容均由合作方或网友上传,本站不对文档的完整性、权威性及其观点立场正确性做任何保证或承诺!文档内容仅供研究参考,付费前请自行鉴别。
3、如文档内容存在违规,或者侵犯商业秘密、侵犯著作权等,请点击“违规举报”。

碎片内容

洁净空调手术室配电施工方案

您可能关注的文档

确认删除?
VIP
微信客服
  • 扫码咨询
会员Q群
  • 会员专属群点击这里加入QQ群
客服邮箱
回到顶部