电脑桌面
添加小米粒文库到电脑桌面
安装后可以在桌面快捷访问

架桥机安装验收表VIP免费

架桥机安装验收表_第1页
1/13
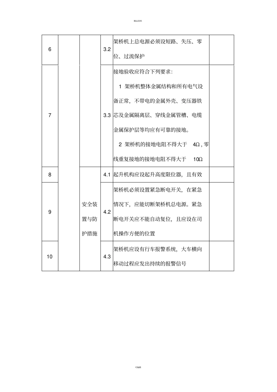
架桥机安装验收表_第2页
2/13
架桥机安装验收表_第3页
3/13
精品资料可编辑架桥机安装验收表工程名称工程地点备案登记号使用单位型号规格制造单位出厂日期出厂编号安装单位监理单位安装日期安装负责人序号验收项目验收内容与要求验收结果1主控项目结构件1.1主要受力构件不应有严重塑性变形和裂纹。出现下列情况之一时应报废:1 整体失稳且不能修复的;2 产生严重塑性变形使工作机构不能正常运行、不能修复的;3 锈蚀或腐蚀超过原厚度10%;4 产生裂纹应修复或采取措施防止裂纹扩展,否则报废21.2金属结构的连接焊缝不得有严重缺陷。螺栓连接不得松动, 不应有缺件、 损坏。高强度螺栓连接应有足够的预紧力矩精品资料可编辑3主要零部件与机构2.1专用吊具不应有裂纹、剥裂和过度磨损等缺陷;存在缺陷不得补焊;销轴直径磨损达原直径的5%应报废;吊钩应有标记和防脱钩装置42.2制动器验收应符合下列要求:1 动力驱动的架桥机每个机构都应装设制动器,起升机构的制动器应为常闭状态;2 制动器的零部件不应有裂纹、过度磨损、塑性变形、缺件等缺陷。液压制动器不应漏油。制动片磨损达原厚度的50%或露出铆钉应报废。3 制动轮与摩擦片之间应接触均匀,且不得有影响制动性能的缺陷或油污。4 制动器调整适宜,制动平稳可靠。5 制动轮应无裂纹(不包括制动轮表面淬硬层微裂纹),凹凸不平度不得大于 1.5mm。不得有摩擦垫片固定铆钉引起的划痕。5电气系统3.1额定电压不大于500V 时,电气线路对地的绝缘电阻,不得低于0.8MΩ,潮湿环境不得低于 0.4MΩ精品资料可编辑63.2架桥机上总电源必须设短路、失压、零位、过流保护73.3接地验收应符合下列要求:1 架桥机整体金属结构和所有电气设备正常,不带电的金属外壳、变压器铁芯及金属隔离层、穿线金属管槽、电缆金属保护层等均应有可靠的接地。2 架桥机的接地电阻不得大于4Ω ,零线重复接地的接地电阻不得大于10Ω8安全装置与防护措施4.1 起升机构应设起升高度限位器,且有效94.2架桥机必须设置紧急断电开关,在紧急情况下,应能切断架桥机总电源。紧急断电开关应不能自动复位,且应设在司机操作方便的位置104.3架桥机应设有行车报警系统,大车横向移动过程应发出持续的报警信号精品资料可编辑11额载试验 (或按工程实际最大起重量进行试吊)起升额定载荷(对双小车架桥机的吊具在设计规定的最不利位置或单小车按Gn/2 加载),测量架桥机主梁跨中下挠度值应满足:节段间销接的跨中下挠不大于 S/250,高强度螺栓连接的跨中下挠不大于 S/400(有特殊要求的...

1、当您付费下载文档后,您只拥有了使用权限,并不意味着购买了版权,文档只能用于自身使用,不得用于其他商业用途(如 [转卖]进行直接盈利或[编辑后售卖]进行间接盈利)。
2、本站所有内容均由合作方或网友上传,本站不对文档的完整性、权威性及其观点立场正确性做任何保证或承诺!文档内容仅供研究参考,付费前请自行鉴别。
3、如文档内容存在违规,或者侵犯商业秘密、侵犯著作权等,请点击“违规举报”。

碎片内容

架桥机安装验收表

确认删除?
VIP
微信客服
  • 扫码咨询
会员Q群
  • 会员专属群点击这里加入QQ群
客服邮箱
回到顶部