龙门吊、架桥机使用安全措施 1、龙门吊司机与指挥人员(专人指挥)必须持有效证件上岗,并做好运转记录。 2、运行轨道必须平顺,轨道两端...
浅析 TP50 型架桥机同步顶推浅析 TP50 型架桥机同步顶推 摘要:近年来预应力混凝土桥梁预制节段拼装施工技术被广泛应用,该种结构型式...
架桥机试吊总结报告 架桥机试吊总结报告 架桥机试吊总结报告 为保障我合同段 T 梁架设工作能安全有序进展,201*年 11 月 1 日,工...
架桥机施工安全管理规定1.总则 为确保 T 梁重型构件吊装安全稳妥,避开发生施工生产责任事故。遵照交通部《公路桥涵施工技术法律规范》...
基于导梁式架桥机的高铁箱梁架设工艺基于导梁式架桥机的高铁箱梁架设工艺 摘要:导梁式架桥机,涉及在铁路、公路及城市桥梁采纳的运架设备...
麻涌河大桥预制场架桥机安装安全交底麻涌河大桥预制场架桥机安装安全交底提要:凡进入施工现场的人员要严格执行《施工安全十大禁令》和《施...
铁路架桥机安全操作规程 1 总 则 1.1 为统一铁路架桥机架梁的技术要求、作业程序和安全措施,确保安全优质地实施,制定本规程。 1....
架桥机架设 T 梁、空心板梁作业指导书1.合用范围合用于单片 T 梁、空心板梁等预制梁体的架设施工。2. 作业准备2.1 拟定梁场设立和梁...
架桥机安装安全应急预案XXX 部门编制 20XX 年 XX 月 XX 日架桥机安装安全应急预案为了进一步保证***********架桥机安装的安全、顺利...
1.编制根据1.1 北京轨道交通房山线一标出入段线施工图1.2 北京轨道房山线一标施工组织设计1.3 现行有关法律规范、规程及有关文献(1)《...
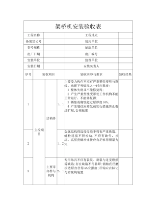
架桥机安装验收表工程名称工程地点备案登记号使用单位型号规格制造单位出厂日期出厂编号安装单位监理单位安装日期安装负责人序号验收项目验...
架桥机施工安全作业指导书1 概述 为了确保架桥机施工的安全,特编制本安全作业指导书。2 适用范围 适用于我司架桥机的安全操作管理。3...
架桥机施 工 方 案架桥机施工方案架桥机施工方案目录目录一、工程概况及施工准备一、工程概况及施工准备二、架桥机安装二、架桥...
安全操作规程作为一台大型专业桥梁施工设备,TPX35/6 节段拼装架桥机必须严格遵守“使用说明书”中的各个施工步骤中的规定和要求,除此之...
架桥机司机安全操作章程一、对架桥人员的要求 (一)架梁前,架桥机负责人应根据技术人员的技术交底,到现场了解情况,提出架梁方和应做的...
S26 公路入城段(G15 公路-嘉闵高架)新建工程项目S26R-1 标架桥机安装拆卸施工监理实施细则编制审核审批江苏 交通工程咨询监理有限公...
架桥机使用过程中的注意事项 架桥设备进场后,首先应向技术监督部门办理告知,经同意后,方可进入拼装环节,拼装完毕后,经技术监督部门检...
架桥机施工安全方案(一)总则为确保空心板重型构件吊装工作安全稳妥,避开发生施工生产责任事故。遵照交通部《公路桥涵施工技术法律规范》...
梁板安装施工技术方案一、工程概况:分水岭至##高速公路第二合同段,起止里程为 K3+950LK7+035
架桥机作业安全培训一、架桥机事故1、1960 年 6 月 27 日 20 时 35 分,郑州铁路局某工程处在吊装洛河大桥桥孔片梁时,发生架桥起...

