电脑桌面
添加小米粒文库到电脑桌面
安装后可以在桌面快捷访问

架桥机安装梁施工技术方案VIP免费

架桥机安装梁施工技术方案_第1页
1/10
架桥机安装梁施工技术方案_第2页
2/10
架桥机安装梁施工技术方案_第3页
3/10
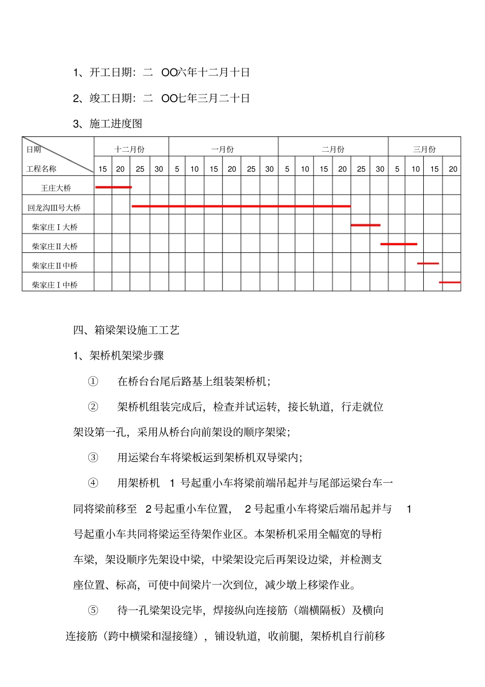
梁板安装施工技术方案一、 工程简况:分水岭至南阳高速公路第二合同段,起止里程为K3+950——LK7+035(RK6+965)。本合同段内有大桥四座,中桥二座。分别为:K4+697回龙沟Ⅲ号大桥、 K5+695王庄大桥、 LK6+786 柴家庄Ⅰ号大桥、LK6+961 柴家庄Ⅱ号大桥、 LK6+780 柴家庄Ⅰ号中桥、 LK6+948柴家庄Ⅱ号中桥。本合同段内大桥均为装配式预应力混凝土连续箱梁,共有 30m后张法预应力箱梁108 片和 25m后张法预应力箱梁68片,13M预应力混凝土空心板13 片。二座中桥共有20M预应力空心板 26 片。箱梁及 20M空心板梁采用150T 架桥机架设安装,运梁采用平板车运输; 13M空心板采用 25T吊车吊梁架设。二、施工准备:1、本合同段所有箱梁集中统一预制,预制厂设在K5+100~K5+500路基上,占地 26×400 平方 M,预制梁 150M,存梁场 250M;空心板梁在二十五标预制。在箱梁吊装前将吊装场地填筑平整、碾压密实,运输便道修筑符合运梁要求,架桥机衔轨道由道渣、枕木找平,并设置限位器。测量人员检查盖梁、支座(包括临时支座)的位置、尺寸及标高,是否符合图纸设计及规范要求,并用墨线弹出箱梁安放位置(梁断线及中线),自检合格后报请监理工程师,经监理工程师检验合格后方可进行运输及吊装。箱梁从梁场由龙门吊吊装、运梁台车及拖炮车配合倒运(除13M 空心板采用吊车架设外)。吊运前弹出梁板中线,以便与盖梁上弹出的梁中线相应安装。预制梁板安装采用JQC150A 型公路架桥机进行架设,该架桥机的特点是结构轻巧、自重轻、起重能力强、纵横移电动行走、运行平稳、快捷;集中控制、操作简便等。安装前进行技术交底,架桥机由安检部门检测并出具安检证书。2、施工机械序号设备名称规格型号数量进场日期技术状况拟用何处备 注1 发电机200KW 1 台2006.05.1 良好预制场2 龙门吊DW75T 1 套2006.04. 20 良好预制场3 架桥机JQC150A 1 台2006.11 20 良好预制场4 平板车2 辆2006.11. 20 良好预制场5 钢筋加工设备1 套2006.03. 20 良好预制场6 电焊机BXI-400 BXI-500 2台2006.03. 20 良好预制场7 千斤顶150T 2台2006.03. 20 良好预制场8 吊车25T 1 台2006.03. 20 良好预制场3、施工人员姓名性别年龄文化程度有何证件 /证件号职称备注吕凤飞男41 本科高级工程师工程经理赵显波男36 本科工程师工程总工索 明男37 本科工程师安全工程师马洪山男31 本科工程师测量队长刁 敏男29 本科工程师质检工程师...

1、当您付费下载文档后,您只拥有了使用权限,并不意味着购买了版权,文档只能用于自身使用,不得用于其他商业用途(如 [转卖]进行直接盈利或[编辑后售卖]进行间接盈利)。
2、本站所有内容均由合作方或网友上传,本站不对文档的完整性、权威性及其观点立场正确性做任何保证或承诺!文档内容仅供研究参考,付费前请自行鉴别。
3、如文档内容存在违规,或者侵犯商业秘密、侵犯著作权等,请点击“违规举报”。

碎片内容

架桥机安装梁施工技术方案

文库响当当+ 关注
实名认证
内容提供者

该用户很懒,什么也没介绍

确认删除?
VIP
微信客服
  • 扫码咨询
会员Q群
  • 会员专属群点击这里加入QQ群
客服邮箱
回到顶部