电脑桌面
添加小米粒文库到电脑桌面
安装后可以在桌面快捷访问

某公司检修部任务绩效考核指标详细说明表VIP免费

某公司检修部任务绩效考核指标详细说明表_第1页
1/10
某公司检修部任务绩效考核指标详细说明表_第2页
2/10
某公司检修部任务绩效考核指标详细说明表_第3页
3/10
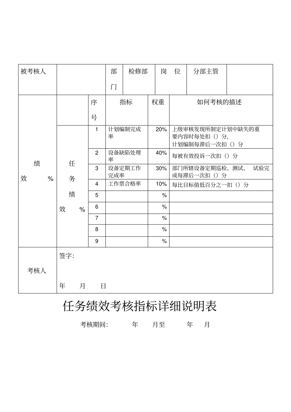
任务绩效考核指标详细说明表考核期间:年月至年月被考核人部门检修部岗位主任绩效% 序号指标权重如何考核的描述任务绩效% 1 计划编制完成率20% 上级审核发现所制定计划中缺失的重要内容时每处扣()分,计划编制每滞后一次扣()分2 设备缺陷处理率40% 每被有效投诉一次扣()分3 设备定期工作完成率30% 部门所辖设备定期巡检、测试、 试验完成每滞后一次扣()分4 工作票合格率10% 每比目标值低百分之一扣()分5 % 6 % 7 % 8 % 9 % 10 % 考核人签字:200X 年月日任务绩效考核指标详细说明表考核期间:年月至年月被考核人部门检修部岗位主任助理绩效% 序号指标权重如何考核的描述任务绩效% 1 计划编制完成率20% 上级审核发现所制定计划中缺失的重要内容时每处扣()分,计划编制每滞后一次扣()分2 设备缺陷处理率40% 每被有效投诉一次扣()分3 设备定期工作完成率20% 部门所辖设备定期巡检、测试、 试验完成每滞后一次扣()分4 工作票合格率20% 每比目标值低百分之一扣()分5 % 6 % 7 % 8 % 9 % 10 % 考核人签字:年月日任务绩效考核指标详细说明表考核期间:年月至年月被考核人部门检修部岗位分部主管绩效% 序号指标权重如何考核的描述任务绩效% 1 计划编制完成率20% 上级审核发现所制定计划中缺失的重要内容时每处扣()分,计划编制每滞后一次扣()分2 设备缺陷处理率40% 每被有效投诉一次扣()分3 设备定期工作完成率30% 部门所辖设备定期巡检、测试、 试验完成每滞后一次扣()分4 工作票合格率10% 每比目标值低百分之一扣()分5 % 6 % 7 % 8 % 9 % 考核人签字:年月日任务绩效考核指标详细说明表考核期间:年月至年月被考核人部门检修部岗位分部副主管绩效% 序号指标权重如何考核的描述任务绩效% 1 计划编制完成率20% 上级审核发现所制定计划中缺失的重要内容时每处扣()分,计划编制每滞后一次扣()分2 设备缺陷处理率40% 每被有效投诉一次扣()分3 设备定期工作完成率20% 部门所辖设备定期巡检、测试、 试验完成每滞后一次扣()分4 工作票合格率20% 每比目标值低百分之一扣()分5 % 6 % 7 % 8 % 9 % 10 % 考核人签字:200X 年月日任务绩效考核指标详细说明表考核期间:年月至年月被考核人部门检修部岗位专责 A 绩效% 序号指标权重如何考核的描述任务绩效% 1 计划编制完成率20% 上级审核发现所制定计划中缺失的重要内容...

1、当您付费下载文档后,您只拥有了使用权限,并不意味着购买了版权,文档只能用于自身使用,不得用于其他商业用途(如 [转卖]进行直接盈利或[编辑后售卖]进行间接盈利)。
2、本站所有内容均由合作方或网友上传,本站不对文档的完整性、权威性及其观点立场正确性做任何保证或承诺!文档内容仅供研究参考,付费前请自行鉴别。
3、如文档内容存在违规,或者侵犯商业秘密、侵犯著作权等,请点击“违规举报”。

碎片内容

某公司检修部任务绩效考核指标详细说明表

您可能关注的文档

确认删除?
VIP
微信客服
  • 扫码咨询
会员Q群
  • 会员专属群点击这里加入QQ群
客服邮箱
回到顶部