电脑桌面
添加小米粒文库到电脑桌面
安装后可以在桌面快捷访问

第01章-施工总进度计划VIP免费

第01章-施工总进度计划_第1页
1/5
第01章-施工总进度计划_第2页
2/5
第01章-施工总进度计划_第3页
3/5
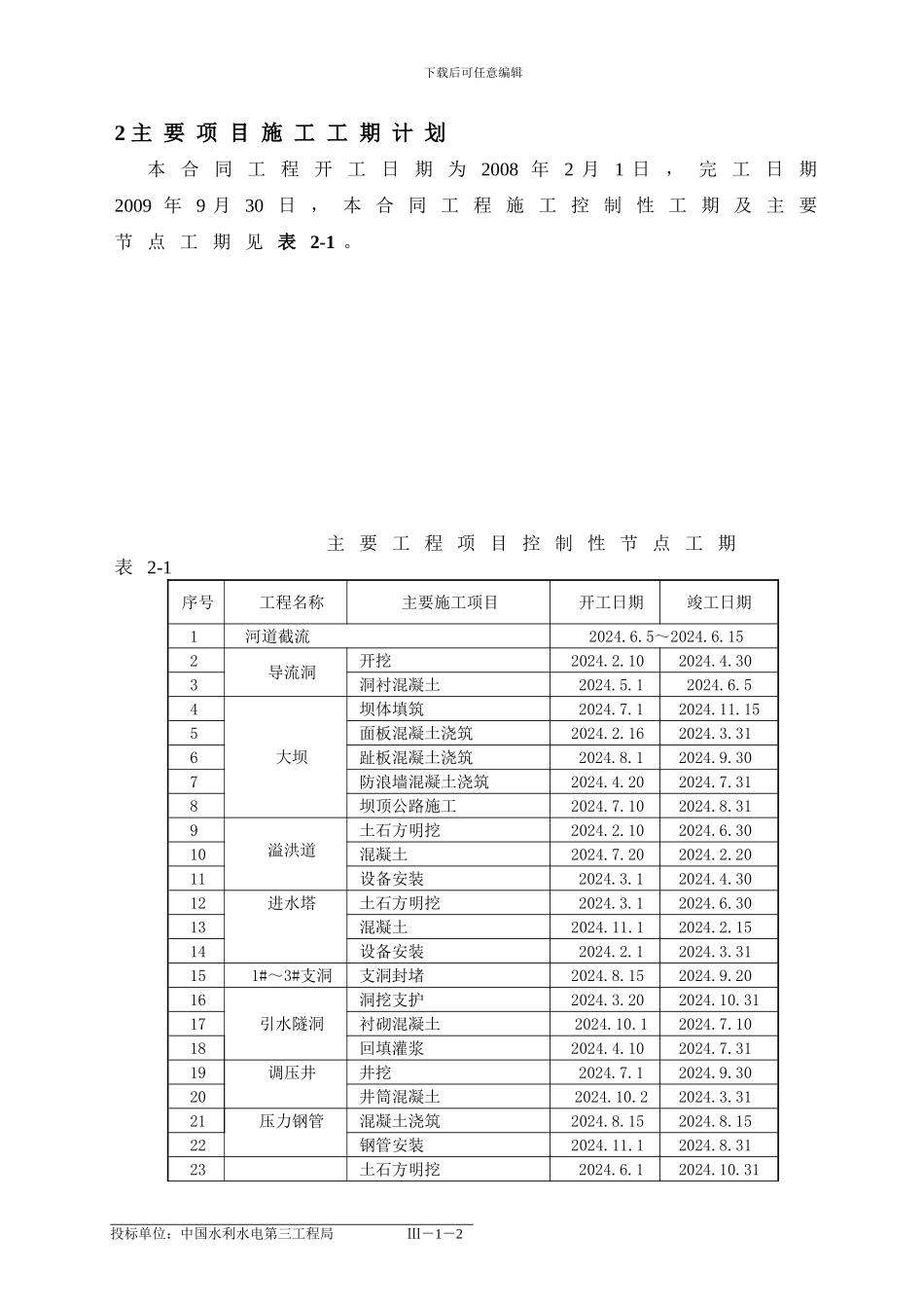
1 施 工 总 进 度 计 划1 施 工 总 进 度 计 划 ...........................................................................................11 编 制 依 据 及 原 则 ..............................................................................................12 主 要 项 目 施 工 工 期 计 划 .........................................................................13 施 工 进 度 计 划 .....................................................................................................24 施 工 关 键 线 路 .....................................................................................................25 施 工 强 度 ...................................................................................................................3下载后可任意编辑1 施 工 总 进 度 计 划1 编 制 依 据 及 原 则1.1 编 制 依 据( 1 ) 本 合 同 段 招 标 文 件 及 补 遗 材 料 规 定 的 合 同工 期 及 要 求 开 工 日 期 。( 2 ) 遵 照 越 南 国 家 标 准 和 招 标 文 件 技 术 法 律 规范 。( 3 ) 施 工 主 导 设 备 生 产 率 根 据 现 行 定 额 , 结 合我 局 在 类 似 工 程 中 的 使 用 经 验 和 本 标 工 程 施 工 特 点进 行 调 整 , 同 时 留 有 一 定 富 余 。( 4 ) 现 场 踏 勘 所 获 得 的 资 料 。( 5 ) 投 标 技 术 文 件 所 确 定 的 施 工 方 案 和 施 工 组织 设 计 。1.2 编 制 原 则( 1 ) 完 全 响 应 招 标 文 件 中 规 定 的 总 工 期 和 各 控制 性 工 期 要 求 , 并 满 足 本 合 同 段 招 标 文 件 整 体 施工 计 划 的 要 求 。( 2 ) 在 进 度 安 排 时 , 兼 顾 各 个 工 作 面 , 尽 量 做到 既 互 不 影 响 施 工 , 减 少 干 扰 , 又 要 做 到 均 衡 施 工 ,同 时 还 要 考 虑 质 量 、 安 全 、 气 象 和 水 文 等 诸 多 因 素的 影 响 , 综 合 各 方 面 的 因 素 , 全 面 地 考 虑 进 ...

1、当您付费下载文档后,您只拥有了使用权限,并不意味着购买了版权,文档只能用于自身使用,不得用于其他商业用途(如 [转卖]进行直接盈利或[编辑后售卖]进行间接盈利)。
2、本站所有内容均由合作方或网友上传,本站不对文档的完整性、权威性及其观点立场正确性做任何保证或承诺!文档内容仅供研究参考,付费前请自行鉴别。
3、如文档内容存在违规,或者侵犯商业秘密、侵犯著作权等,请点击“违规举报”。

碎片内容

第01章-施工总进度计划

确认删除?
VIP
微信客服
  • 扫码咨询
会员Q群
  • 会员专属群点击这里加入QQ群
客服邮箱
回到顶部