电脑桌面
添加小米粒文库到电脑桌面
安装后可以在桌面快捷访问

级配碎石垫层施工方案VIP免费

级配碎石垫层施工方案_第1页
1/7
级配碎石垫层施工方案_第2页
2/7
级配碎石垫层施工方案_第3页
3/7
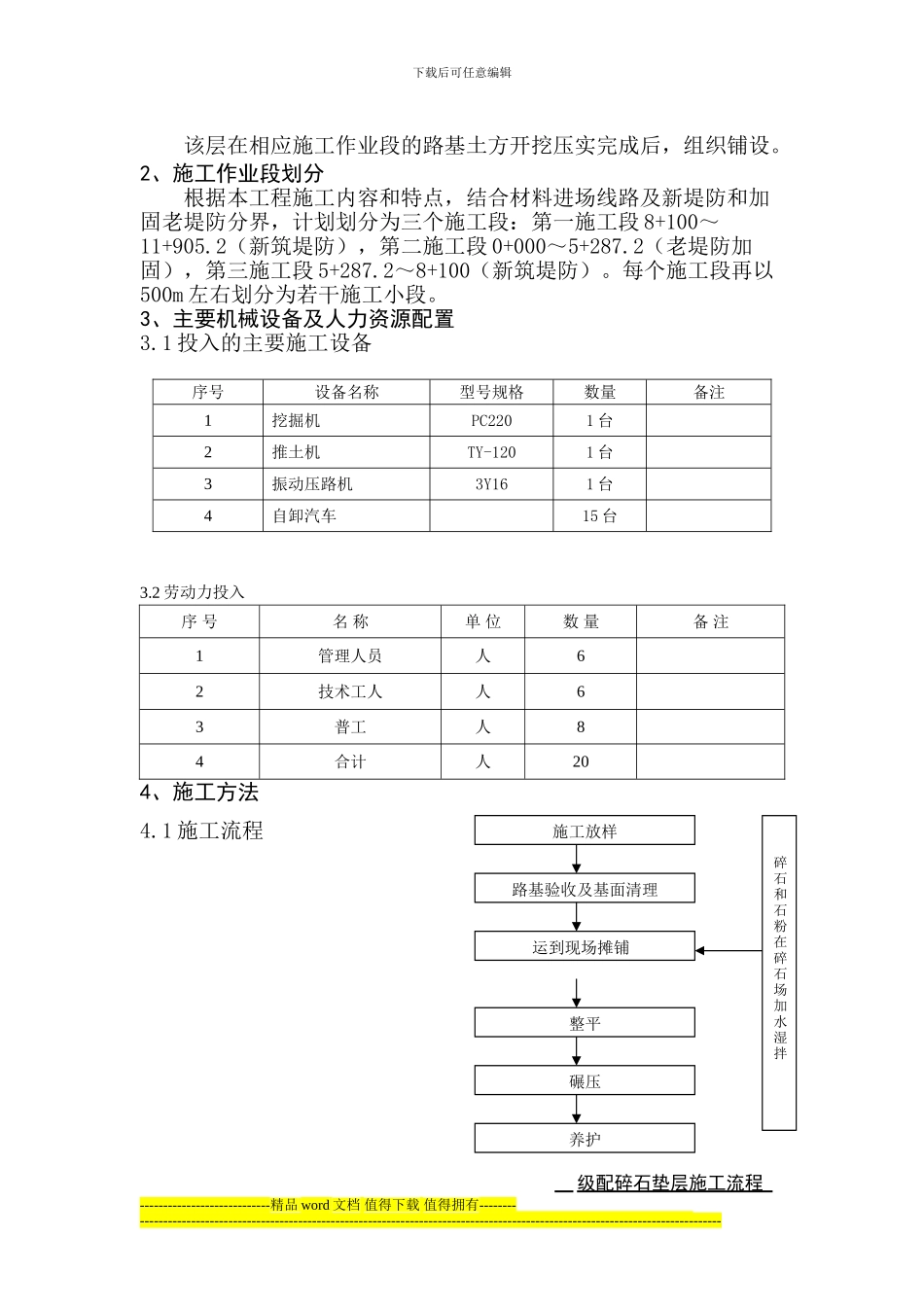
下载后可任意编辑本页为作品封面,下载后可以自由编辑删除,欢迎下载!!! 精 品文档1【精品 word 文档、可以自由编辑!】级配碎石垫层施工方案1、工程概况 本标段工程范围为行洪堤防桩号 0+000~4+118.8 段路面长 4.119km,桩号 4+118.8~5+287.2 段与闸连接路路面长 0.407km,桩号 5+287.2 ~11+905.2 段路面长 6.618km,堤防防汛道路总长共计 11.114km。上堤道路共 4 处,单条上堤道路长 100m,路面结构型式同堤防防汛道路。 防汛道路结构形式为:级配碎石垫层厚 0.2m,宽 5.5m;水泥稳定碎石基层厚 0.15m,宽 5.0m;热拌沥青碎石面层厚 0.06m,宽 4.5m。本标段防汛道路底基层采纳 20cm 厚级配碎石,宽度 5.5m,铺设面积 63195m2。----------------------------精品 word 文档 值得下载 值得拥有---------------------------------------------------------------------------------------------------------------------------------------------------------------------------下载后可任意编辑该层在相应施工作业段的路基土方开挖压实完成后,组织铺设。2、施工作业段划分根据本工程施工内容和特点,结合材料进场线路及新堤防和加固老堤防分界,计划划分为三个施工段:第一施工段 8+100~11+905.2(新筑堤防),第二施工段 0+000~5+287.2(老堤防加固),第三施工段 5+287.2~8+100(新筑堤防)。每个施工段再以500m 左右划分为若干施工小段。3、主要机械设备及人力资源配置3.1 投入的主要施工设备序号设备名称型号规格数量备注1挖掘机PC2201 台2推土机TY-1201 台3振动压路机3Y161 台4自卸汽车15 台3.2 劳动力投入序 号名 称单 位数 量备 注1管理人员人62技术工人人63普工人84合计人204、施工方法4.1 施工流程----------------------------精品 word 文档 值得下载 值得拥有---------------------------------------------------------------------------------------------------------------------------------------------------------------------------施工放样路基验收及基面清理运到现场摊铺 碎石和石粉在碎石场加水湿拌养护整平碾压 级配碎石垫层施工流程 下载后可任意编辑4.2 施工准备(1)根据设计厚度进行测量,埋设指示桩;(2)碎石和石粉备料; (3)级配碎石垫层铺设前,对道路路基进行整修。整修后的路基宽度、高程、平整度、纵横坡度满足设计要求。4.3施工放...

1、当您付费下载文档后,您只拥有了使用权限,并不意味着购买了版权,文档只能用于自身使用,不得用于其他商业用途(如 [转卖]进行直接盈利或[编辑后售卖]进行间接盈利)。
2、本站所有内容均由合作方或网友上传,本站不对文档的完整性、权威性及其观点立场正确性做任何保证或承诺!文档内容仅供研究参考,付费前请自行鉴别。
3、如文档内容存在违规,或者侵犯商业秘密、侵犯著作权等,请点击“违规举报”。

碎片内容

级配碎石垫层施工方案

确认删除?
VIP
微信客服
  • 扫码咨询
会员Q群
  • 会员专属群点击这里加入QQ群
客服邮箱
回到顶部