电脑桌面
添加小米粒文库到电脑桌面
安装后可以在桌面快捷访问

群塔施工方案项目内容VIP免费

群塔施工方案项目内容_第1页
1/12
群塔施工方案项目内容_第2页
2/12
群塔施工方案项目内容_第3页
3/12
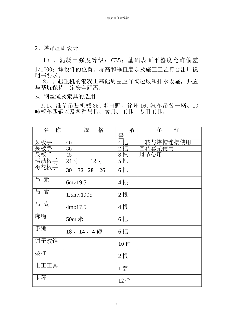
下载后可任意编辑目 录一、施工环境及措施1、环境条件…………………………………………………..22、基础措施……….………………………………………….2二、工程概况及施工工艺1、新建工程概况……………………………………………..22、施工工艺流程……….…………………………………….2三、塔吊的选型和布设1、选型依据…………………………………………………..22、基础计算…………………………………………………..23、钢丝绳及索具的选用……………………………………..3四、塔吊的进场安装和退场拆卸安全防护措施1、作业环境……………………………………………………..52、装拆过程中的防护措施……………………………………..5五、群塔设置作业的重点事项及操作要求(一)、塔吊的安全操作和安检制度………………………….91、安全操作的一般规定…………………………………….92、检查安检制度……………………………………………10(二)群塔交叉作业规程……………………………………..10一、施工环境及措施1、施工环境:本工程位于天津宁河县,为天津市宁河现代产业园海航社区(二期)工程。地块南侧为主干路三,其余三侧均为规划路或规划支路。场地原是耕植地,局部存在鱼塘淤泥土层。设计采纳预1下载后可任意编辑应力管桩,持力层为⑧ 2 粉质粘土层、⑨ 1 粉砂层和⑨ 2 粉质粘土。2、基础措施: 根据现场地质土层条件,塔吊基础采纳 4 根¢400、长 10m 预应力管桩增加承载力。基础结构尺寸为 4600×4600×1150,设置4 个¢30 地脚螺栓。二、工程概况及施工工艺1、新建工程概况:本工程标段 52~62#住宅楼,11 个楼栋。建筑施工面积43000m2。结构设计使用年限为 50 年。属三级抗震等级,结构安全等级为二级。设计基准期为 50 年。主体结构采纳全现浇钢筋混凝土框架剪力墙结构,楼盖采纳全现浇钢筋混凝土梁板结构。设计屋顶高度 27.25m,7+1 层,4+1 层;1、施工工艺流程:基础施工—→准备工作—→进场安装—→调试运转—→检修维护—→拆装退场三、塔吊的选型和布设1、根据现场标段有 11 个单位工程结构体,同时进行施工作业。设计布设 4 台塔吊垂直运输吊装设备,根据 11 个楼栋体方位面积,选择 QTZ63 型号 1 台、QTZ80 型号塔吊 3 台,覆盖整个作业场区,进行垂直吊装运输工作。施工场区 4 台塔吊的布设方位,见平面布置图。塔吊技术性能参数 型号:QTZ63 QTZ80 起重力矩:630kN.m...

1、当您付费下载文档后,您只拥有了使用权限,并不意味着购买了版权,文档只能用于自身使用,不得用于其他商业用途(如 [转卖]进行直接盈利或[编辑后售卖]进行间接盈利)。
2、本站所有内容均由合作方或网友上传,本站不对文档的完整性、权威性及其观点立场正确性做任何保证或承诺!文档内容仅供研究参考,付费前请自行鉴别。
3、如文档内容存在违规,或者侵犯商业秘密、侵犯著作权等,请点击“违规举报”。

碎片内容

群塔施工方案项目内容

确认删除?
VIP
微信客服
  • 扫码咨询
会员Q群
  • 会员专属群点击这里加入QQ群
客服邮箱
回到顶部