电脑桌面
添加小米粒文库到电脑桌面
安装后可以在桌面快捷访问

超前小导管施工技术交底书VIP专享VIP免费

超前小导管施工技术交底书_第1页
1/5
超前小导管施工技术交底书_第2页
2/5
超前小导管施工技术交底书_第3页
3/5
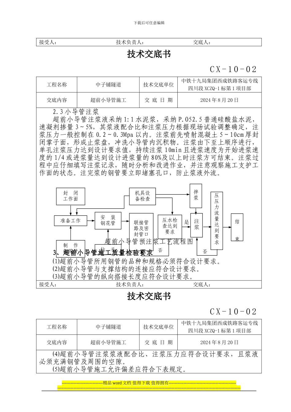
下载后可任意编辑技术交底书C X - 1 0 - 0 2工程名称中子铺隧道技术交底单位中铁十九局集团西成铁路客运专线四川段 XCZQ-1 标第 1 项目部交底内容超前小导管施工交 底 日 期2024 年 8 月 20 日内容:中子铺隧道正洞超前小导管1、超前小导管设计要求隧道Ⅳ、Ⅴ级围岩拱部120°范围采纳超前小导管采纳Ф42×3.5mm热轧无缝钢管注浆预支护。超前小导管长度4.0m,Ⅳ级围岩环向间距50cm,Ⅴ级围岩环向间距40cm,超前小导管配合钢架使用,其纵向搭接长度不小于1m,外插角控制在10°~12°。2、施工工艺流程及技术要求2.1小导管加工小导管采纳外径φ42mm、壁厚3.5mm的无缝热轧钢管制作,尾部焊接φ6加劲箍,在前部钻孔注浆,孔径6~8mm,孔间距10~20cm,呈梅花形布置,前端加工成尖锥形,尾端长度100cm范围内不钻设花孔,作为止浆段。超前小导管Ⅳ、Ⅴ级围岩长度4.0m,超前小导管加工见下图。超前小导管构造图(单位:cm)2.2小导管安装在开挖面上沿轮廓线划出本循环小导管的孔位,采纳YT-28风动凿岩机钻孔,其外插角为10°~12°,可根据实际情况调整。钻孔深度应大于钢管长度,孔径角设计导管管径大5cm左右,钻孔完成后,用高压风接受人: 技术负责人: 交底人:----------------------------精品 word 文档 值得下载 值得拥有---------------------------------------------------------------------------------------------------------------------------------------------------------------------------下载后可任意编辑技术交底书 C X - 1 0 - 0 2工程名称中子铺隧道技术交底单位中铁十九局集团西成铁路客运专线四川段 XCZQ-1 标第 1 项目部交底内容超前小导管施工交 底 日 期2024 年 8 月 20 日管吹除孔内残碴,采纳锤击或钻机顶入的方法将小导管送入孔内,钢管尾端外露长度不小于30cm。小导管安设后,用塑胶泥封堵孔口及周围裂隙,同时及时安装钢拱架,将小导管尾部焊接在钢拱架上,使其与拱架形成联合支护体系。(超前小导管正面及纵向布置见下图)----------------------------精品 word 文档 值得下载 值得拥有---------------------------------------------------------------------------------------------------------------------------------------------------------------------------下载后可任意编辑接受人: 技术负责人: 交底人:技术交底书 C X - 1 0 - 0 2工程名...

1、当您付费下载文档后,您只拥有了使用权限,并不意味着购买了版权,文档只能用于自身使用,不得用于其他商业用途(如 [转卖]进行直接盈利或[编辑后售卖]进行间接盈利)。
2、本站所有内容均由合作方或网友上传,本站不对文档的完整性、权威性及其观点立场正确性做任何保证或承诺!文档内容仅供研究参考,付费前请自行鉴别。
3、如文档内容存在违规,或者侵犯商业秘密、侵犯著作权等,请点击“违规举报”。

碎片内容

超前小导管施工技术交底书

确认删除?
VIP
微信客服
  • 扫码咨询
会员Q群
  • 会员专属群点击这里加入QQ群
客服邮箱
回到顶部